Thevenin e mutua induzione
Moderatori:
g.schgor,
IsidoroKZ
6 messaggi
• Pagina 1 di 1
0
voti
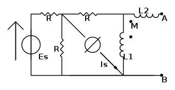
Ragazzi buongiorno, frequento il corso di ingegneria elettrotecnica e ieri ho dato elettrotecnica I. Ho un dubbio che non riesco a levarmi su un circuito anche abbastanza semplice! Qualcuno saprebbe spiegarmi come posso disegnare il circuito qui in modo tale da discuterne?
-

Peppelettro
5 2 - Messaggi: 6
- Iscritto il: 4 lug 2013, 2:20
0
voti
Allora prima di tutto perdonate il mio disegno ma non sono molto pratico di fidocadj xD. Comunque l'esercizio mi chiedeva di applicare Thevenin ai morsetti A e B. Per l'impedenza equivalente non ho avuto problemi, per il generatore di tensione equivalente si. Il problema è questo, se devo applicare Thevenin allora i morsetti A e B devono stare a vuoto, quindi non può circolare corrente nell'ultima maglia, quindi nel ramo di L1(dove devo trovare la V equivalente) che corrente ci passa? Grazie in anticipo!
-

Peppelettro
5 2 - Messaggi: 6
- Iscritto il: 4 lug 2013, 2:20
0
voti
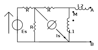
La corrente da usare nel ramo
, se per esempio, hai usato il metodo delle correnti di maglia è quella della maglia centrale.
Nel caso specifico, dopo aver trasformato il generatore di corrente nel generatore di tensione equivalente,le equazioni che avresti sono:
(posto
,
correnti di maglia numerate da sinistra a destra,verso orario e
il generatore di corrente trasformato)

C'è un problema però,è presente un mutuo accoppiamento tra
ed
che implica, nonostante, la condizione di vuoto ai morsetti, un trasferimento di potenza, quindi,nel calcolo del generatore di tensione equivalente ne va tenuto conto.
(
corrente della maglia centrale).
Per determinare il valore di questo, è necessario fissare un verso(qualsiasi) del potenziale di
e scegliere il verso della corrente circolante("virtuale") su
opposto a quello messo per il potenziale.
Così facendo,
, se per esempio, hai usato il metodo delle correnti di maglia è quella della maglia centrale.Nel caso specifico, dopo aver trasformato il generatore di corrente nel generatore di tensione equivalente,le equazioni che avresti sono:
(posto
,
correnti di maglia numerate da sinistra a destra,verso orario e
il generatore di corrente trasformato)
C'è un problema però,è presente un mutuo accoppiamento tra
ed
che implica, nonostante, la condizione di vuoto ai morsetti, un trasferimento di potenza, quindi,nel calcolo del generatore di tensione equivalente ne va tenuto conto.
(
corrente della maglia centrale).Per determinare il valore di questo, è necessario fissare un verso(qualsiasi) del potenziale di
e scegliere il verso della corrente circolante("virtuale") su
opposto a quello messo per il potenziale.Così facendo,

-

GiuseppeMgt
5 3 - Messaggi: 8
- Iscritto il: 19 mag 2013, 9:53
0
voti
È si questa è la risposta che ho avuto da tutti, però non riesco proprio a capire come possa circolare una corrente di mutua induzione nella terza maglia se questa è effettivamente aperta xD..ho un blocco mentale non riesco ad andare oltre xD
-

Peppelettro
5 2 - Messaggi: 6
- Iscritto il: 4 lug 2013, 2:20
0
voti
Peppelettro ha scritto:... Per l'impedenza equivalente non ho avuto problemi ...
Puoi postare i calcoli per i lettori del Forum?
Peppelettro ha scritto:... non riesco proprio a capire come possa circolare una corrente di mutua induzione nella terza maglia se questa è effettivamente aperta xD..
Se è aperta non ne circola di certo, ad ogni modo:
i) se non si posta il testo integrale del problema, virgole comprese ...
ii) se non si traccia uno schema dove si indicano le convenzioni assunte per correnti e tensioni
... credo sia difficile "comunicare".
Io non trasformerei nulla e, assunti i positivi delle tensioni V1 e V2 sui morsetti contrassegnati del mutuo induttore e le correnti I1 ed I2 entranti negli stessi :
i) applicherei Millman (sempre che tu lo conosca) per ricavarmi la ddp ai morsetti del GIC
ii) calcolerei la corrente I1 entrante alla prima porta del mutuo induttore con Ohm
iii) determinerei la tensione a vuoto fra i morsetti A e B sommando algebricamente le tensioni alle due porte del mutuo induttore che, grazie alla corrente I2 nulla (alla seconda porta) permette di scrivere

"Il circuito ha sempre ragione" (Luigi Malesani)
6 messaggi
• Pagina 1 di 1
Torna a Elettrotecnica generale
Chi c’è in linea
Visitano il forum: Nessuno e 20 ospiti

Elettrotecnica e non solo (admin)
Un gatto tra gli elettroni (IsidoroKZ)
Esperienza e simulazioni (g.schgor)
Moleskine di un idraulico (RenzoDF)
Il Blog di ElectroYou (webmaster)
Idee microcontrollate (TardoFreak)
PICcoli grandi PICMicro (Paolino)
Il blog elettrico di carloc (carloc)
DirtEYblooog (dirtydeeds)
Di tutto... un po' (jordan20)
AK47 (lillo)
Esperienze elettroniche (marco438)
Telecomunicazioni musicali (clavicordo)
Automazione ed Elettronica (gustavo)
Direttive per la sicurezza (ErnestoCappelletti)
EYnfo dall'Alaska (mir)
Apriamo il quadro! (attilio)
H7-25 (asdf)
Passione Elettrica (massimob)
Elettroni a spasso (guidob)
Bloguerra (guerra)



