da
Matteo1991 » 5 lug 2013, 16:37
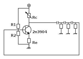
ho provato a progettarlo:
Essendo il transistor in configurazione invertente (sfasamento 180°) ogni cella deve sfasare di 60°. Considerando che la funzione di trasferimento della cella è:

lo sfasamento totale vale



dovendo verificarsi che

si ha che:


volendo ottenere una pulsazione

, avendo a disposizione condensatori da 4.7uF si ha che le resistenze devono essere pari a R= 390 ohm

dunque ho sbagliato i conti! chiedo venia.....(mi sono rifatto i conti mentre scrivevo il post...).
Provando con una resistenza da 330ohm (le uniche che ho a disposizione) dovrei ottenere una frequenza di circa 60Hz.
il modulo di tutta la rete di retroazione dovrebbe valere:

esce fuori un'amplificazione (o meglio attenuazione) di 0.5, perciò, affinchè si verifichi la condizione di Barkhausen l'amplificatore deve amplificare di 2 (amplificazione ad anello unitaria):
L'amplificazione dovrebbe valere:

per Re mettiamo 1k mentre per Rc ho un trimmer da 20k (ovviamente è eccessivo, ma quello ho a disposizione, vorrà dire che girerò molto la vitarella...).
Il modo di procedere è giusto?

p.s. il tutto è alimentato a 9V
"Scrivere la propria storia come si scrive la Storia: con la veemenza di un conquistatore di imperi."