Ciao a tutti
Qualcuno saprebbe spiegarmi come funziona un convertitore flyback per bassa potenza?
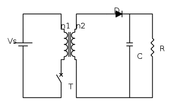
So che a grandi linee funziona come un buck-boost tranne per il fatto che l'induttanza è sostituita con un trasformatore, ma mi servirebbe qualche informazione in più dal punto di vista del funzionamento
Grazie
Convertitore Flyback
Moderatori:
carloc,
g.schgor,
BrunoValente,
IsidoroKZ
24 messaggi
• Pagina 1 di 3 • 1, 2, 3
2
voti
belva87 ha scritto:Sai come funziona un trasformatore? ....
Ora per quanto possa sembrare un dettaglio io partirei chiamandolo invece induttori accoppiati.
La differenza pare marginale ma invece la dice lunga sulla storia dell'energia in quel circuito
Se ti serve il valore di beta: hai sbagliato il progetto!
1
voti
kiba ha scritto:certo che so come funzionano diodi e trasformatori
Beh questo io non lo sapevo fino ad un istante fa, non si da nulla per scontato qui, o almeno io..
Per ora poniamo delle condizioni semplificative, cioè:
1- L'elemento interruttore è di tipo ideale, cioè non dissipa potenza e non presenta ritardi di alcun genere.
2- Il controllo del circuito viene fatto tramite un blocco perfetto, cioè senza nessun tempo morto, ed inoltre la regolazione viene fatta senza nessun elemento di isolamento galvanico, cioè senza fotoaccoppiatore.
3- Il diodo di uscita è ideale
4- Il trasformatore lo chiamiamo così per "convenzione" (in realtà si avvicina a quello che hai scritto tu cioè due induttori accoppiati insieme ed avvolti su un unico core) e supponiamo sia esente da perdite di alcun genere.
Sei d'accordo? oppure è una analisi troppo leggera e ti interessa sapere qualcosa di più dettagliato?
Conosci anche la definizione di PWM e DutyCicle?
0
voti
carloc ha scritto:Ora per quanto possa sembrare un dettaglio io partirei chiamandolo invece induttori accoppiati.La differenza pare marginale ma invece la dice lunga sulla storia dell'energia in quel circuito
Non è per niente un dettaglio, anzi!! Ho visto solo ora che scrivi perché non mi appare l'avviso ormai da tanto tempo e combino disastri tra i messaggi,
. Però nell'uso comune del parlare viene definito trasformatore
A dire il vero forse bisognerebbe coniare un termine che sia diverso da trasformatore ma che sottolinei il fatto che in realtà sono due induttori accoppiati su un solo core... ma non sono bravo in italiano.
Probabilmente questo accade perché la meccanica su cui si realizzano assomiglia a quella di un trasformatore ad alta frequenza in particolar modo se le energie sono notevoli, mentre per rocchetti e meccaniche più piccole a volte ci si trovano anche gli induttori "singoli".
Poi a mio parere un'altra ragione può essere legata al fatto che in questi circuiti si pensa anche all'isolamento tra l'uscita dove l'utente ficca le dita e i piedi e la fonte primaria di alimentazione, e forse questo concetto richiama in mente la parola trasformatore... boh.
0
voti
Sei d'accordo? oppure è una analisi troppo leggera e ti interessa sapere qualcosa di più dettagliato?
Conosci anche la definizione di PWM e DutyCicle?
Ok finora tutto chiaro. (Conosco PWM e Duty Cicle)
3
voti
belva87 ha scritto:(...)
Però nell'uso comune del parlare viene definito trasformatore![]()
Mi inserisco nella discussione solo un attimo.
Come dice giustamente
Diciamo che certe ramanzine non si scordano più.
A dire il vero forse bisognerebbe coniare un termine che sia diverso da trasformatore ma che sottolinei il fatto che in realtà sono due induttori accoppiati su un solo core... ma non sono bravo in italiano.
Mutuo induttore è il termine corretto.
Il fatto che gli avvolgimenti siano galvanicamente isolati è un dettaglio quasi secondario, questa caratteristica si può sfruttare come no... pensa ai convertitori flyback non isolati ad esempio.
Il grande vantaggio offerto dal mutuo induttore è il rapporto spire, che consente rapporti di conversione fuori dalla portata del boost.
Anzi, anzi... se l'isolamento tra gli avvolgimenti deve essere garantito (ad es. per convertitori isolati da rete) il problema diventa di una certa importanza: è piuttosto difficile realizzare mutui induttori con specifiche caratteristiche di induttanza dispersa e di magnetizzazione, mantenendo la classe di isolamento normata! Spesso si lavora sul traferro, tentando di rendere ripetibile (=industrializzabile, producibile) il processo. Quante notti insonni su sta roba, mamma mia non farmici pensare
Alberto.
24 messaggi
• Pagina 1 di 3 • 1, 2, 3
Chi c’è in linea
Visitano il forum: Google [Bot] e 120 ospiti

Elettrotecnica e non solo (admin)
Un gatto tra gli elettroni (IsidoroKZ)
Esperienza e simulazioni (g.schgor)
Moleskine di un idraulico (RenzoDF)
Il Blog di ElectroYou (webmaster)
Idee microcontrollate (TardoFreak)
PICcoli grandi PICMicro (Paolino)
Il blog elettrico di carloc (carloc)
DirtEYblooog (dirtydeeds)
Di tutto... un po' (jordan20)
AK47 (lillo)
Esperienze elettroniche (marco438)
Telecomunicazioni musicali (clavicordo)
Automazione ed Elettronica (gustavo)
Direttive per la sicurezza (ErnestoCappelletti)
EYnfo dall'Alaska (mir)
Apriamo il quadro! (attilio)
H7-25 (asdf)
Passione Elettrica (massimob)
Elettroni a spasso (guidob)
Bloguerra (guerra)


, Luca.


