Monitorare un segnale con un misuratore analogico
Moderatori:
carloc,
g.schgor,
BrunoValente,
IsidoroKZ
24 messaggi
• Pagina 2 di 3 • 1, 2, 3
0
voti
ho provato a cercare anche dati sull'uscita ma non ho trovato nulla parla solo della corrente assorbita in ingresso del rx e la tensione di alimentazione, nulla di piu', il resto sono informazioni delle frequenze e dei guadagni in dB..
0
voti
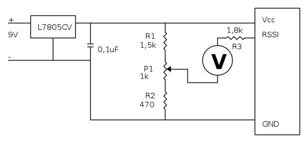
Ecco lo schema:
0
voti
Snake165 ha scritto: ...ho provato a cercare anche dati sull'uscita ma non ho trovato nulla...

"Non farei mai parte di un club che accettasse la mia iscrizione" (G. Marx)
-

claudiocedrone
21,3k 4 7 9 - Master EY

- Messaggi: 15302
- Iscritto il: 18 gen 2012, 13:36
2
voti
carloc ha scritto:...poi descrivi come si comporta l'indicazione adesso.
sapere come si comporta lo strumento adesso -che non parte da zero è chiaro, ma arriva a fondo scala? si ferma prima? l'oltrepassa?- mi permetterebbe di farti uno schemino ad hoc...
poi che strumento è? La storia cambia un po' tra uno strumentino tipo VU meter 10x20mm ed un bel moving coil classe 0.5 con 100mm di scala, comuque...
... comunque scusami ma mi sono stufato di pregare per avere informazioni per risolvere un tuo problema
* con P1 regoli lo zero, senza segnale in ingresso al ricevitore porti l'indice a zero.
* il fondo scala è fisso, ma eventualmente puoi variare R3
* fatte in quest'ordine le due regolazioni non si influenzano a vicenda.
Buon lavoro.
Se ti serve il valore di beta: hai sbagliato il progetto!
0
voti
Mi dispiace che vi stiate stufando delle mie risposte centellinate, ma come vi ho spiegato di dati ne ho veramente pochi.
all'inizio quando avevo misurato le tensioni min e max sullo strumento a ricevitore acceso, con 0 segnale la tensione ai capi dello strumento era di 0,10v e la lancetta dello stesso era 2/5 del fondo scala.
Portando a 0 l'indicatore con un partitore di tensione come mi hai suggerito tu nel primo schema postato ho risolto il primo dei miei problemi ma ne ho creato un altro perche' in questo modo a pieno segnale lo strumento non segnava piu' il fondo scala. la cosa e' stata risolta agendo sulla resistenza di ingresso dello strumento.
Stasera vi misuro tutti i valori delle tensioni e vi dico quelli delle resistenze.
Se lo sapessi te lo avrei gia' scritto, purtroppo mi parli in arabo perche' non ho mai "giocato" con questi cosi.
se vuoi ti posso fare una foto fronte e retro e postarla.
Anche perche' mi interesserebbe anche a me conoscere che cos'e'.
Grazie per la pazienza.
all'inizio quando avevo misurato le tensioni min e max sullo strumento a ricevitore acceso, con 0 segnale la tensione ai capi dello strumento era di 0,10v e la lancetta dello stesso era 2/5 del fondo scala.
Portando a 0 l'indicatore con un partitore di tensione come mi hai suggerito tu nel primo schema postato ho risolto il primo dei miei problemi ma ne ho creato un altro perche' in questo modo a pieno segnale lo strumento non segnava piu' il fondo scala. la cosa e' stata risolta agendo sulla resistenza di ingresso dello strumento.
Stasera vi misuro tutti i valori delle tensioni e vi dico quelli delle resistenze.
carloc ha scritto:poi che strumento è? La storia cambia un po' tra uno strumentino tipo VU meter 10x20mm ed un bel moving coil classe 0.5 con 100mm di scala, comuque...
Se lo sapessi te lo avrei gia' scritto, purtroppo mi parli in arabo perche' non ho mai "giocato" con questi cosi.
se vuoi ti posso fare una foto fronte e retro e postarla.
Anche perche' mi interesserebbe anche a me conoscere che cos'e'.
Grazie per la pazienza.
0
voti
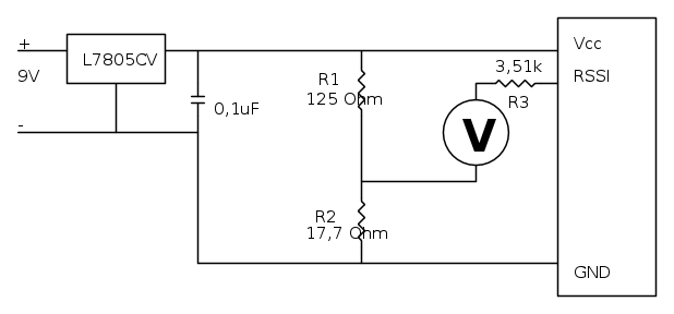
ora ho i seguenti valori:
Ora in assenza di segnale lo strumento segna circa 1,3 su 5 e con segnale pieno segna 5 (fondo scala)
Tensione in uscita segnale RSSI a livello basso 0,81 e a livello alto 2,57
Tensione ai capi di R1 = 4,41V
Tensione ai capi di R2 = 0,59V
Tensione ai capi dello strumento a segnale RSSI basso = 0,03V
Tensione ai capi dello strumento a segnale RSSI alto = 0,31V
Tensione ai capi di R3 a livello basso = 0,18V
Tensione ai capi di R3 a livello alto = 1,66V
Questi dati posso essere sufficienti per capire che strumento ho?
Appena ho 3 secondi facci anche due foto allo strumento, ma non c'e' scritto nulla.. :-(
C'e' qualche dettaglio che posso identificare per capire di cosa si tratta?
Ora in assenza di segnale lo strumento segna circa 1,3 su 5 e con segnale pieno segna 5 (fondo scala)
Tensione in uscita segnale RSSI a livello basso 0,81 e a livello alto 2,57
Tensione ai capi di R1 = 4,41V
Tensione ai capi di R2 = 0,59V
Tensione ai capi dello strumento a segnale RSSI basso = 0,03V
Tensione ai capi dello strumento a segnale RSSI alto = 0,31V
Tensione ai capi di R3 a livello basso = 0,18V
Tensione ai capi di R3 a livello alto = 1,66V
Questi dati posso essere sufficienti per capire che strumento ho?
Appena ho 3 secondi facci anche due foto allo strumento, ma non c'e' scritto nulla.. :-(
C'e' qualche dettaglio che posso identificare per capire di cosa si tratta?
0
voti
questo e' lo strumento incriminato!
mi correggo, in assenza di segnale la lancetta si porta a 0,5.
Ora in assenza di segnale lo strumento segna circa 1,3 su 5 e con segnale pieno segna 5 (fondo scala)
mi correggo, in assenza di segnale la lancetta si porta a 0,5.
- Allegati
-
- nuovo-2.jpg (26.73 KiB) Osservato 3008 volte
0
voti
nessuna idea su cosa possa essere? :_(
24 messaggi
• Pagina 2 di 3 • 1, 2, 3
Chi c’è in linea
Visitano il forum: Google Adsense [Bot] e 44 ospiti

Elettrotecnica e non solo (admin)
Un gatto tra gli elettroni (IsidoroKZ)
Esperienza e simulazioni (g.schgor)
Moleskine di un idraulico (RenzoDF)
Il Blog di ElectroYou (webmaster)
Idee microcontrollate (TardoFreak)
PICcoli grandi PICMicro (Paolino)
Il blog elettrico di carloc (carloc)
DirtEYblooog (dirtydeeds)
Di tutto... un po' (jordan20)
AK47 (lillo)
Esperienze elettroniche (marco438)
Telecomunicazioni musicali (clavicordo)
Automazione ed Elettronica (gustavo)
Direttive per la sicurezza (ErnestoCappelletti)
EYnfo dall'Alaska (mir)
Apriamo il quadro! (attilio)
H7-25 (asdf)
Passione Elettrica (massimob)
Elettroni a spasso (guidob)
Bloguerra (guerra)






