PIC difettosi o errori nei programmi?
Moderatore:
Paolino
33 messaggi
• Pagina 3 di 4 • 1, 2, 3, 4
0
voti
No, con MCLR = ON disabiliti il mux con PORTE. Se MCLR = OFF RE3 è un input. Se non debuggi col PK3 è difficile dire cosa sta succedendo.
Anyone who has never made a mistake has never tried anything new
Two things are infinite: universe and human stupidity, and I'm not sure about the former
You did not really understand something unless you can explain it to your grandmother
A. Einstein
Two things are infinite: universe and human stupidity, and I'm not sure about the former
You did not really understand something unless you can explain it to your grandmother
A. Einstein
-

Shockwaver
770 1 5 11 - Expert

- Messaggi: 859
- Iscritto il: 3 mar 2010, 18:56
0
voti
Va bene, adesso mi studio come si fa il debbug con il pk3.
Comunque ho realizzato un'altra schedina con un 16f84a (cimelio!!!), il mio pk3 funziona correttamente! alla luce di quanto detto fino ad ora il problema é software.
Comunque ho realizzato un'altra schedina con un 16f84a (cimelio!!!), il mio pk3 funziona correttamente! alla luce di quanto detto fino ad ora il problema é software.
"Scrivere la propria storia come si scrive la Storia: con la veemenza di un conquistatore di imperi."
-

Matteo1991
406 2 4 12 - Frequentatore

- Messaggi: 280
- Iscritto il: 28 giu 2012, 16:38
0
voti
The target device is not ready for debugging. Please check your configuration bit settings and program the device before proceeding.
dunque è un problema di oscillatore....
dunque è un problema di oscillatore....
"Scrivere la propria storia come si scrive la Storia: con la veemenza di un conquistatore di imperi."
-

Matteo1991
406 2 4 12 - Frequentatore

- Messaggi: 280
- Iscritto il: 28 giu 2012, 16:38
0
voti
Aspetta che ti incollo la configurazione dei fuses al posto dei #pragma config, visto che stai utilizzando l'XC8...
Anyone who has never made a mistake has never tried anything new
Two things are infinite: universe and human stupidity, and I'm not sure about the former
You did not really understand something unless you can explain it to your grandmother
A. Einstein
Two things are infinite: universe and human stupidity, and I'm not sure about the former
You did not really understand something unless you can explain it to your grandmother
A. Einstein
-

Shockwaver
770 1 5 11 - Expert

- Messaggi: 859
- Iscritto il: 3 mar 2010, 18:56
0
voti
Al posto dei #pragma config usa questi:
Senza modifiche al registro OSCCON dopo un POR, ne tiri fuori 4MHz dal risonatore interno.
Vedi se funge.
Edit: occhio ho sistemato il codice.
Edit2: se poi funge prova con questi
Da notare che nella Configuration Word Register 1 stavolta come modalità viene selezionata HS e non XT che poteva non andare bene per il tuo cristallo che se ho capito bene è da 4MHz

- Codice: Seleziona tutto
__CONFIG(FOSC_INTRC_NOCLKOUT & WDTE_OFF & PWRTE_OFF & MCLRE_ON & CP_OFF & CPD_OFF & BOREN_OFF & IESO_OFF & FCMEN_OFF & LVP_ON);
__CONFIG(WRT_OFF);
Senza modifiche al registro OSCCON dopo un POR, ne tiri fuori 4MHz dal risonatore interno.
Vedi se funge.
Edit: occhio ho sistemato il codice.
Edit2: se poi funge prova con questi
- Codice: Seleziona tutto
__CONFIG(FOSC_HS & WDTE_OFF & PWRTE_OFF & MCLRE_ON & CP_OFF & CPD_OFF & BOREN_OFF & IESO_OFF & FCMEN_OFF & LVP_ON);
__CONFIG(BOR4V_BOR40V & WRT_OFF);
Da notare che nella Configuration Word Register 1 stavolta come modalità viene selezionata HS e non XT che poteva non andare bene per il tuo cristallo che se ho capito bene è da 4MHz

Anyone who has never made a mistake has never tried anything new
Two things are infinite: universe and human stupidity, and I'm not sure about the former
You did not really understand something unless you can explain it to your grandmother
A. Einstein
Two things are infinite: universe and human stupidity, and I'm not sure about the former
You did not really understand something unless you can explain it to your grandmother
A. Einstein
-

Shockwaver
770 1 5 11 - Expert

- Messaggi: 859
- Iscritto il: 3 mar 2010, 18:56
0
voti
ci sto provando ma adesso mi spunta l'errore "Failed to get Device ID"..... io direi che i due PIC 16f883 che sto utilizzando sono difettosi...altrimenti non si spiega!
"Scrivere la propria storia come si scrive la Storia: con la veemenza di un conquistatore di imperi."
-

Matteo1991
406 2 4 12 - Frequentatore

- Messaggi: 280
- Iscritto il: 28 giu 2012, 16:38
0
voti
Quello può essere un problema di connessione ICSP... ma li vuoi levare sti maledetti condensatore e resistore quando programmi per debuggare??

Anyone who has never made a mistake has never tried anything new
Two things are infinite: universe and human stupidity, and I'm not sure about the former
You did not really understand something unless you can explain it to your grandmother
A. Einstein
Two things are infinite: universe and human stupidity, and I'm not sure about the former
You did not really understand something unless you can explain it to your grandmother
A. Einstein
-

Shockwaver
770 1 5 11 - Expert

- Messaggi: 859
- Iscritto il: 3 mar 2010, 18:56
0
voti
è che è tutta roba già saldata su millefori, devo stuccare per non dissaldare!
comunque senza condensatori, resistenze ecc:
Failed to get Device ID
comunque senza condensatori, resistenze ecc:
Failed to get Device ID
"Scrivere la propria storia come si scrive la Storia: con la veemenza di un conquistatore di imperi."
-

Matteo1991
406 2 4 12 - Frequentatore

- Messaggi: 280
- Iscritto il: 28 giu 2012, 16:38
0
voti
Be' a questo punto se sei sicuro che il PK3 è connesso correttamente, si può affermare PER ESCLUSIONE che il PIC è cibo per gatti 
Anyone who has never made a mistake has never tried anything new
Two things are infinite: universe and human stupidity, and I'm not sure about the former
You did not really understand something unless you can explain it to your grandmother
A. Einstein
Two things are infinite: universe and human stupidity, and I'm not sure about the former
You did not really understand something unless you can explain it to your grandmother
A. Einstein
-

Shockwaver
770 1 5 11 - Expert

- Messaggi: 859
- Iscritto il: 3 mar 2010, 18:56
3
voti
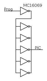
Matteo1991 ha scritto:Failed to get Device ID
Anche io ho avuto un problema simile ma con il mio programmatore home-made.
Nel mio caso il clk arrivava al PIC (PIC16F887) degradato e il PIC (schizzinoso) si rifiutava di funzionare.
Ho fatto un semplice bufferino con MC14069 e ho risolto il problema.
Ti allego anche il formato nativo di Millefori, li trovi anche il complicatissimo sbroglio del circuito!
Luca
http://millefori.altervista.org
Tool gratuito per chi sviluppa su millefori.
Tutti sanno che una cosa è impossibile da realizzare, finché arriva uno sprovveduto che non lo sa e la inventa. (A. Einstein)
Se non c'e` un 555 non e` un buon progetto (IsidoroKZ)
Strumento per formule
Tool gratuito per chi sviluppa su millefori.
Tutti sanno che una cosa è impossibile da realizzare, finché arriva uno sprovveduto che non lo sa e la inventa. (A. Einstein)
Se non c'e` un 555 non e` un buon progetto (IsidoroKZ)
Strumento per formule
-

posta10100
5.550 4 10 13 - Master EY

- Messaggi: 4832
- Iscritto il: 5 nov 2006, 0:09
33 messaggi
• Pagina 3 di 4 • 1, 2, 3, 4
Torna a Realizzazioni, interfacciamento e nozioni generali.
Chi c’è in linea
Visitano il forum: Nessuno e 10 ospiti

Elettrotecnica e non solo (admin)
Un gatto tra gli elettroni (IsidoroKZ)
Esperienza e simulazioni (g.schgor)
Moleskine di un idraulico (RenzoDF)
Il Blog di ElectroYou (webmaster)
Idee microcontrollate (TardoFreak)
PICcoli grandi PICMicro (Paolino)
Il blog elettrico di carloc (carloc)
DirtEYblooog (dirtydeeds)
Di tutto... un po' (jordan20)
AK47 (lillo)
Esperienze elettroniche (marco438)
Telecomunicazioni musicali (clavicordo)
Automazione ed Elettronica (gustavo)
Direttive per la sicurezza (ErnestoCappelletti)
EYnfo dall'Alaska (mir)
Apriamo il quadro! (attilio)
H7-25 (asdf)
Passione Elettrica (massimob)
Elettroni a spasso (guidob)
Bloguerra (guerra)