Salve a tutti, sono nuova nel forum quindi mi scuso per gli errori che effettuerò.
Ho cercato di realizzare in seguente progetto, ovvero:
Un nastro trasportatore di una catena di produzione viene progettato per trasportare e
contare due tipi di pezzi meccanici di dimensioni differenti. Tali pezzi devono essere
approssimativamente cubici e la misura dello spigolo dei pezzi può essere direttamente
introdotta in centimetri tramite un tastierino numerato da 1 a 4 (misura minima: 1 cm,
corrispondente al tasto 1, misura massima: 4 cm, corrispondente al tasto 4). La velocità del
nastro è di 1 cm/s. Si progetti un sistema elettronico che realizzi le seguenti operazioni:
− inserimento delle due dimensioni dei pezzi da rilevare, tramite pressione in sequenza dei
due tasti corrispondenti;
− conteggio separato di ciascun tipo di pezzo;
− visualizzazione su due display dei pezzi contati (un display per ciascun tipo);
− accensione di un LED ogni volta che il conteggio arriva a 100, e conseguente reset del contatore.
La mia idea è la seguente:
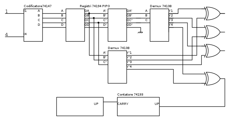
Ho implementato un tastierino contenente i tasti da 1 a 4, li ho collegati ad un codificatore TTL74147 per codificarmi il valore decimale in binario. lo memorizzo in due registri 74194 di tipo Pipo.
Per quanto riguarda il conteggio dei singoli blocchi ho pensato di utilizzare 2 demux 74138 dove negli ingressi di selezione dei demux ho collegato le uscite dei registri Pipo mentre le uscite dei demux le ho collegate in XOR fra di loro, in quanto non deve verificarsi se sono stati inseriti due pacchi uguali. Per implementare il conteggio avevo pensato a 2 contatori 74193 collegati fra di loro in cascata, dove all'ingresso up collego l'uscita dello XOR, ma ho dei dubbi su questa implementazione. Qualcuno può aiutarmi a chiarirmi le idee???
Grazie anticipatamente.
Dubbio realizzazione progetto
Moderatori:
carloc,
g.schgor,
BrunoValente,
IsidoroKZ
10 messaggi
• Pagina 1 di 1
0
voti
Buongiorno e benvenuta
Titti89.
Oltre alla descrizione del problema sarebbe utile indicare le tecnologie che puoi impiegare per il progetto in esame.
Solo logica cablata ? Microcontrollori ? PLC ?
Inoltre per ragionare in modo corretto bisogna codificare il problema con un flow chart oppure ( meglio ) con una macchina a stati.
Dopo la codifica ed analizzando gli strumenti a disposizione si passa alla stesura della soluzione.
Oltre alla descrizione del problema sarebbe utile indicare le tecnologie che puoi impiegare per il progetto in esame.
Solo logica cablata ? Microcontrollori ? PLC ?
Inoltre per ragionare in modo corretto bisogna codificare il problema con un flow chart oppure ( meglio ) con una macchina a stati.
Dopo la codifica ed analizzando gli strumenti a disposizione si passa alla stesura della soluzione.
Ingegneria : alternativa intelligente alla droga.
-

dimaios
30,2k 7 10 12 - G.Master EY

- Messaggi: 3381
- Iscritto il: 24 ago 2010, 14:12
- Località: Behind the scenes
0
voti
Grazie per aver risposto , elenco i punti del programma del corso , così da potervi fare luce sulle tecnologie che posso utilizzare . Le indicazioni generali del prof.re sono di inziare con uno schema a blocchi , poi passare a quello elettronico ed infine elaborare la relazione tecnica .
Programma :
• Introduzione all'elettronica
I segnali. Spettro di frequenza di un segnale. Segnali analogici e digitali. Amplificatori. Prerequisiti
indispensabili per lo studio dei fondamenti di elettronica.
• Circuiti combinatori
Porte logiche. Codificatori. Decodificatori. Multiplexer (o selettori). Demultiplexer (o distributori).
Comparatori. Sommatori.
• Circuiti sequenziali
Reti asincrone e sincrone. Latch. Flip-flop (o multivibratore bistabile). Registri a scorrimento (o shift
register). Contatori. Fogli tecnici (data sheets) di circuiti integrati digitali.
• Amplificatori operazionali
Generalità sugli amplificatori. Amplificatore operazionale ideale. Funzionamento ad anello aperto.
Funzionamento ad anello chiuso. Circuiti lineari ad amplificatori operazionali. Schemi elettrici di
amplificatori operazionali reali. Caratteristiche degli amplificatori operazionali reali. Comparatori.
Fogli tecnici (data sheets) di amplificatori operazionali.
• Fisica dei semiconduttori
L’atomo isolato: livelli di energia. L’atomo in un cristallo: bande di energia. Semiconduttori intrinseci.
Semiconduttori drogati. Conduzione nei semiconduttori. Giunzioni p-n.
• Il diodo a semiconduttore
Caratteristica del diodo a semiconduttore. Il diodo come elemento circuitale. Modelli del diodo.
Circuiti raddrizzatori. Circuiti limitatori. Circuiti logici a diodi. Comparatore a finestra. Diodi Zener.
Tempo di recupero inverso: diodi Schottky. Fogli tecnici (data sheets) di diodi.
• Il transistor ad effetto di campo (FET)
Considerazioni generali sui FET. MOSFET ad arricchimento (enhancement MOSFET). MOSFET a
svuotamento (depletion MOSFET). FET a giunzione (JFET). MESFET (Metal-Semiconductor FET).
Fogli tecnici (data sheets) di FET. • Il transistor bipolare a giunzione (BJT)
Considerazioni generali sui BJT. Struttura fisica e principio di funzionamento del BJT. Caratteristiche
del BJT. Fogli tecnici (data sheets) di BJT.
• Dispositivi optoelettronici
Diodi elettroluminescenti (LED). Fotodiodi. Fototransistor. Optoisolatori. Display a cristalli liquidi
(LCD).
Inoltre ho capito di aver utilizzato un contatore che avendo uscite binarie non è idoneo alla visualizzazione su display , che realizzo mediante decoder driver 7448 .
Ho invece pensato di utilizzare il 74192 , collegando opportunamente il carry del contatore delle unità con l'ingresso up dell'altro contatore 74192 per le decine .
Programma :
• Introduzione all'elettronica
I segnali. Spettro di frequenza di un segnale. Segnali analogici e digitali. Amplificatori. Prerequisiti
indispensabili per lo studio dei fondamenti di elettronica.
• Circuiti combinatori
Porte logiche. Codificatori. Decodificatori. Multiplexer (o selettori). Demultiplexer (o distributori).
Comparatori. Sommatori.
• Circuiti sequenziali
Reti asincrone e sincrone. Latch. Flip-flop (o multivibratore bistabile). Registri a scorrimento (o shift
register). Contatori. Fogli tecnici (data sheets) di circuiti integrati digitali.
• Amplificatori operazionali
Generalità sugli amplificatori. Amplificatore operazionale ideale. Funzionamento ad anello aperto.
Funzionamento ad anello chiuso. Circuiti lineari ad amplificatori operazionali. Schemi elettrici di
amplificatori operazionali reali. Caratteristiche degli amplificatori operazionali reali. Comparatori.
Fogli tecnici (data sheets) di amplificatori operazionali.
• Fisica dei semiconduttori
L’atomo isolato: livelli di energia. L’atomo in un cristallo: bande di energia. Semiconduttori intrinseci.
Semiconduttori drogati. Conduzione nei semiconduttori. Giunzioni p-n.
• Il diodo a semiconduttore
Caratteristica del diodo a semiconduttore. Il diodo come elemento circuitale. Modelli del diodo.
Circuiti raddrizzatori. Circuiti limitatori. Circuiti logici a diodi. Comparatore a finestra. Diodi Zener.
Tempo di recupero inverso: diodi Schottky. Fogli tecnici (data sheets) di diodi.
• Il transistor ad effetto di campo (FET)
Considerazioni generali sui FET. MOSFET ad arricchimento (enhancement MOSFET). MOSFET a
svuotamento (depletion MOSFET). FET a giunzione (JFET). MESFET (Metal-Semiconductor FET).
Fogli tecnici (data sheets) di FET. • Il transistor bipolare a giunzione (BJT)
Considerazioni generali sui BJT. Struttura fisica e principio di funzionamento del BJT. Caratteristiche
del BJT. Fogli tecnici (data sheets) di BJT.
• Dispositivi optoelettronici
Diodi elettroluminescenti (LED). Fotodiodi. Fototransistor. Optoisolatori. Display a cristalli liquidi
(LCD).
Inoltre ho capito di aver utilizzato un contatore che avendo uscite binarie non è idoneo alla visualizzazione su display , che realizzo mediante decoder driver 7448 .
Ho invece pensato di utilizzare il 74192 , collegando opportunamente il carry del contatore delle unità con l'ingresso up dell'altro contatore 74192 per le decine .
Ultima modifica di
marco438 il 10 lug 2013, 13:25, modificato 1 volta in totale.
Motivazione: Eliminato quoting inutile.
Motivazione: Eliminato quoting inutile.
0
voti

"Non farei mai parte di un club che accettasse la mia iscrizione" (G. Marx)
-

claudiocedrone
21,3k 4 7 9 - Master EY

- Messaggi: 15302
- Iscritto il: 18 gen 2012, 13:36
0
voti
Ciao
claudiocedrone , avevo gia letto ed apprezzato le regole del forum , ma non il "disclaimer" , pensavo di aver postato in maniera corretta , forse ho sbagliato ad inserire l'intero programma del corso , ma l'ho fatto per chiarire le idee anche a chi mi vuole dare una mano .
Non sono molto pratica con i forum e spero di divenirlo grazie al vostro . A presto

Non sono molto pratica con i forum e spero di divenirlo grazie al vostro . A presto
0
voti
non mi riferivo a quello ma a ciò che avevi fatto prima: hai inserito una immagine "lenzuolo", di uno schema che invece andava fatto con FidoCadJ e poi hai risposto con una bella citazione integrale del post di chi ti aveva risposto inizialmente (ben tre regole violate in soli due post ora va e non peccare più...

"Non farei mai parte di un club che accettasse la mia iscrizione" (G. Marx)
-

claudiocedrone
21,3k 4 7 9 - Master EY

- Messaggi: 15302
- Iscritto il: 18 gen 2012, 13:36
0
voti
La risposta alla domanda relativa alle 'armi' che hai a disposizione e' quindi chiara, puoi usare solo componenti digitale base.
Bene. A questo punto il consiglio del professore mi sembra piu' che opportuno, devi fare uno schema a blocchi.
Usa FidoCADJ. Trovi tutte le istruzioni nell' help. Il formato permette agli altri utenti di copiare lo schema, modificarlo se necessario e replicare nei post successivi.
Bene. A questo punto il consiglio del professore mi sembra piu' che opportuno, devi fare uno schema a blocchi.
Usa FidoCADJ. Trovi tutte le istruzioni nell' help. Il formato permette agli altri utenti di copiare lo schema, modificarlo se necessario e replicare nei post successivi.
Ingegneria : alternativa intelligente alla droga.
-

dimaios
30,2k 7 10 12 - G.Master EY

- Messaggi: 3381
- Iscritto il: 24 ago 2010, 14:12
- Località: Behind the scenes
0
voti

2
voti
10 messaggi
• Pagina 1 di 1
Chi c’è in linea
Visitano il forum: Google Adsense [Bot] e 110 ospiti

Elettrotecnica e non solo (admin)
Un gatto tra gli elettroni (IsidoroKZ)
Esperienza e simulazioni (g.schgor)
Moleskine di un idraulico (RenzoDF)
Il Blog di ElectroYou (webmaster)
Idee microcontrollate (TardoFreak)
PICcoli grandi PICMicro (Paolino)
Il blog elettrico di carloc (carloc)
DirtEYblooog (dirtydeeds)
Di tutto... un po' (jordan20)
AK47 (lillo)
Esperienze elettroniche (marco438)
Telecomunicazioni musicali (clavicordo)
Automazione ed Elettronica (gustavo)
Direttive per la sicurezza (ErnestoCappelletti)
EYnfo dall'Alaska (mir)
Apriamo il quadro! (attilio)
H7-25 (asdf)
Passione Elettrica (massimob)
Elettroni a spasso (guidob)
Bloguerra (guerra)

