Ciao a tutti,sto ripassando elettrotecnica per l'appello di giovedi e ho notato che nell'applicare questi due metodi ci sono due casi in particolare in cui mi sorgono dei dubbi.
Inizio con il metodo dei potenziali nodali in presenza di generatori di tensione. Nell'analisi nodale modificata la definizione dice che,se il generatore di tensione si trova tra un nodo qualsiasi e il nodo a potenziale zero allora la tensione sul nodo qualsiasi sarà pari alla tensione del generatore. Se però tra il nodo generico e il generatore c'è un resistore,come cambia il potenziale?
Se,per esempio,il generatore è indicato con E,il nodo non di riferimento è V e la resistenza è R,il potenziale è Va-E/R?
Per l'analisi degli anelli in presenza di generatori di corrente,nell'analisi modificata viene detto che se il generatore di corrente fa parte di una sola maglia allora la corrente di quella maglia è pari alla corrente del generatore;anche in questo caso occorre comunque considerare come ulteriore incognita la tensione ai capi del generatore di corrente oppure quello si fa solo quando il generatore di corrente appartiene a più di una maglia?
L'altro mio dubbio infine è sorto vedendo come il libro di testo ha risolto un circuito con questo metodo,di cui se serve posterò la mia risoluzione con relativo schema. In sostanza veniva chiesta la tensione ai capi di una resistenza,ma con le trasformazioni di generatori tale resistenza,la resistenza di un generatore reale di corrente è scomparsa andando a comporre una resistenza in serie al generatore equivalente di tensione. In questo modo il circuito si è ridotto a una sola maglia ma il libro ha applicato l'analisi degli anelli come se ci fossero ancora due maglie,usando come punto di separazione i due punti ove andava misurata la tensione...ma per applicare la KVL o l'analisi degli anelli non è necessario una maglia,ossia un percorso chiuso in cui la corrente circoli?
Vi ringrazio e se devo aggiungere altro ditemi :)
Dubbio su analisi nodale e analisi degli anelli
Moderatori:
g.schgor,
IsidoroKZ
7 messaggi
• Pagina 1 di 1
0
voti
MattGt86 ha scritto:Se,per esempio,il generatore è indicato con E,il nodo non di riferimento è V e la resistenza è R,il potenziale è Va-E/R?
Dovresti fare uno schemino, perché comunque qui stai sottraendo una corrente ad una tensione
-

rusty
4.075 2 9 11 - Utente disattivato per decisione dell'amministrazione proprietaria del sito
- Messaggi: 1578
- Iscritto il: 25 gen 2009, 13:10
0
voti
per approfondire puoi cominciare guardando questi link:
http://www.electroyou.it/lillo/wiki/ret ... li_di_nodo
http://www.electroyou.it/lillo/wiki/ret ... di_Maxwell
dopo il paragrafo troverai esercizi inerenti gli argomenti, risolti nel Forum.
quella relazione scritta così mi fa pensare che tu voglia far la differenza tra una tensione e una corrente.
metti qualche parentesi
tornando ai metodi citati, sarebbe bene postare un esercizio, seguendo le regole per l'inserimento schemi (Fidocadj) e formule (
)
http://www.electroyou.it/lillo/wiki/ret ... li_di_nodo
http://www.electroyou.it/lillo/wiki/ret ... di_Maxwell
dopo il paragrafo troverai esercizi inerenti gli argomenti, risolti nel Forum.
MattGt86 ha scritto:Se però tra il nodo generico e il generatore c'è un resistore,come cambia il potenziale?
Se,per esempio,il generatore è indicato con E,il nodo non di riferimento è V e la resistenza è R,il potenziale è Va-E/R?
quella relazione scritta così mi fa pensare che tu voglia far la differenza tra una tensione e una corrente.
metti qualche parentesi
tornando ai metodi citati, sarebbe bene postare un esercizio, seguendo le regole per l'inserimento schemi (Fidocadj) e formule (
)0
voti
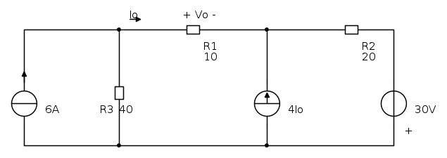
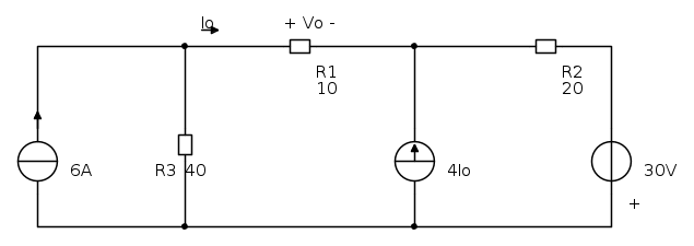
Ecco il circuito,veniva chiesto di trovare Io e Vo con la sovrapposizione degli effetti,il generatore con valore 4Io è un generatore pilotato (non ho trovato il simbolo).
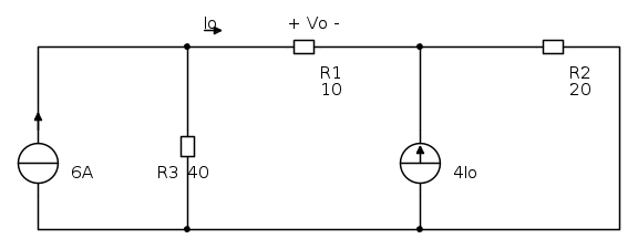
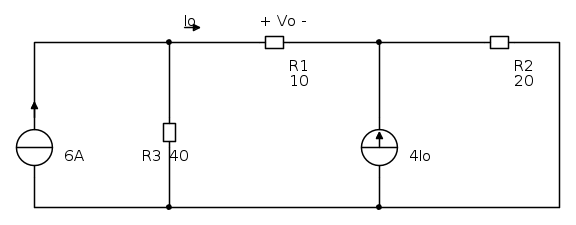
Spegnendo il generatore di tensione ho
Su questo circuito ho applicato il metodo degli anelli nella sua definizione classica,quindi con l'utilizzo del concetto di Superanello,proprio perché non riesco ad arrivare a una soluzione con l'analisi degli anelli modificata,mi vengono più incognite che equazioni. Nel sistema che ho impostato ho:

Poi ho applicato la KCL al nodo in cui fluisce la corrente del generatore comandato e si ha:

Visto che però dal circuito si vede che

Dall'equazione al nodo ottengo il valore di i3 come
i_{3}=5*i_{2}
Andando a sostituire nella prima equazione tiro fuori il valore di i2 (io)

Da qui poi ho ottenuto la tensione Vo con la legge di Ohm

Anzitutto,i miei ragionamenti sono corretti?
In secondo luogo,se volessi fare l'analisi con l'analisi degli anelli modificata,come devo impostare le equazioni? In quel caso,devo considerare la corrente incognita solo per il generatore pilotato,essendo questo in comune a due maglie,o va considerata la tensione incognita anche per il generatore di corrente costante,che da solo mi da già la i1?
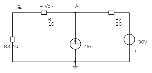
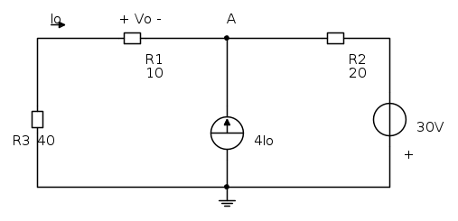
Infine per il dubbio sul metodo dei nodi modificato posto il circuito nel caso in cui sia spento il generatore di corrente:
Il mio dubbio qui è questo:guardando tra il nodo A e la massa sulla destra,dove mi trovo il generatore di tensione costante e il resistore,quanto è il potenziale qui?Secondo l'analisi dei nodi modificata quando c'è un generatore di tensione tra un nodo qualsiasi e il nodo a potenziale 0 il potenziale al nodo qualsiasi è pari alla tensione del generatore,ma qui c'è una resistenza... il potenziale allora come diventa:
??0
voti
Manca qualcosa alle informazioni fornite?
0
voti
MattGt86 ha scritto:Manca qualcosa alle informazioni fornite?
sicuramente il tempo per risponderti
MattGt86 ha scritto:
io non so chi siano le correnti che hai scritto perché non ci sono nello schema
ma è l'ultimo problema: in quell'equazione stai uguagliando una corrente a delle tensioni e non so cos'altro.
se non scrivi correttamente un equazione a un nodo o a una maglia non ha senso di parlare dei metodi da te citati.
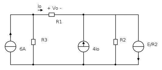
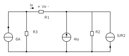
comunque, comincia risolvendo attraverso il metodo dei potenziali ai nodi:
trasforma il generatore da 30 V nel suo equivalente di corrente:
ora attraverso il link postato in [3] prova a risolvere.
0
voti
MattGt86 ha scritto:... Se,per esempio,il generatore è indicato con E,il nodo non di riferimento è V e la resistenza è R,il potenziale è Va-E/R?
Se il potenziale incognito è Va e se il generatore presenta il negativo sul nodo a potenziale di riferimento (zero) e si trova in serie a R, la corrente che da questo ramo scorre verso Va sarà

MattGt86 ha scritto:... anche in questo caso occorre comunque considerare come ulteriore incognita la tensione ai capi del generatore di corrente oppure quello si fa solo quando il generatore di corrente appartiene a più di una maglia?
Ci sono due "correnti di pensiero": la prima è quella che introduce come nuova incognita la tensione ai morsetti dei GIC e quindi permette di usare i lati dei GIC per scrivere le KVL, la seconda è quella che non lo fa e rinuncia a percorrere quel lato per le KVL ma ha come vantaggio un numero minore sia di incognite, sia di equazioni.
Per esempio, nella seguente rete
Usando "la prima", avremo 5 incognite=tre correnti di maglia + due tensioni sui GIT, ma anche 5 equazioni =tre KVL + due equazioni addizionali J1 = i2-i1 ... J2 = i2.
Usando "la seconda", avremo solo 3 incognite= tre correnti di maglia e 3 equazioni= 1 KVL (all'anello superiore) + due equazioni addizionali J1 = i2-i1 ... J2 = i2.
Dualmente accade nel metodo dei potenziali ai nodi, nel quale le due alternative sono relative alla introduzione o meno delle correnti nei GIT come incognite, per poter o meno usare le KCL a tutti i nodi.
Io, ovviamente uso sempre "la seconda".
MattGt86 ha scritto:L'altro mio dubbio infine è sorto vedendo come il libro di testo ha risolto un circuito con questo metodo,di cui se serve posterò la mia risoluzione ...
Ecco bravo, non riesco a capire cosa tu intenda.
BTW per quanto riguarda il circuito postato in [4] volevo solo ricordarti che la sovrapposizione poteva essere applicata "sovrapponendo" anche il generatore controllato; in questo modo la risoluzione sarebbe (forse) stata più semplice.
"Il circuito ha sempre ragione" (Luigi Malesani)
7 messaggi
• Pagina 1 di 1
Torna a Elettrotecnica generale
Chi c’è in linea
Visitano il forum: Nessuno e 57 ospiti

Elettrotecnica e non solo (admin)
Un gatto tra gli elettroni (IsidoroKZ)
Esperienza e simulazioni (g.schgor)
Moleskine di un idraulico (RenzoDF)
Il Blog di ElectroYou (webmaster)
Idee microcontrollate (TardoFreak)
PICcoli grandi PICMicro (Paolino)
Il blog elettrico di carloc (carloc)
DirtEYblooog (dirtydeeds)
Di tutto... un po' (jordan20)
AK47 (lillo)
Esperienze elettroniche (marco438)
Telecomunicazioni musicali (clavicordo)
Automazione ed Elettronica (gustavo)
Direttive per la sicurezza (ErnestoCappelletti)
EYnfo dall'Alaska (mir)
Apriamo il quadro! (attilio)
H7-25 (asdf)
Passione Elettrica (massimob)
Elettroni a spasso (guidob)
Bloguerra (guerra)








