Cos'è ElectroYou | Login Iscriviti

ElectroYou - la comunità dei professionisti del mondo elettrico

Risoluzione equivalente di Thevenin

Circuiti, campi elettromagnetici e teoria delle linee di trasmissione e distribuzione dell’energia elettrica

Moderatori: Foto Utenteg.schgor, Foto UtenteIsidoroKZ

0
voti

[1] Risoluzione equivalente di Thevenin

Messaggioda Foto Utentenyky93 » 11 lug 2013, 15:11

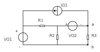
Ciao a tutti. Avrei bisogno di una mano per sapere se questi due esercizi sono svolti correttamente :-)

Devo trovare la tensione ai capi di R_3



Calcolo la resistenza equivalente di Thevenin:

R_T=\frac{R_1  R_2  R_3}{R_1 R_2+R_3 R_2+R_1 R_3}

Tenendo conto del principio di sovrapposizione, sommo algebricamente il contributo di ogni singolo generatore per trovare la tensione ai capi di R_3

V_{T1}=V_{G1}\frac{R_2 || R_3}{R_2 || R_3 + R_1}

V_{T2}=V_{G2}\frac{R_3}{R_2 || R_1 + R_3}

considerando solo il generatore di corrente, ottengo un partitore di corrente

I_{R3}=IG1 \frac{R1 || R_2}{R_3+R1 || R_2}

quindi

V_{T3}=I_{R3} R_3



Con V_T=V_{T_1}+V_{T_2}+V_{T_3}
Avatar utente
Foto Utentenyky93
130 1 2 6
Frequentatore
Frequentatore
 
Messaggi: 173
Iscritto il: 2 ago 2012, 20:49

1
voti

[2] Re: Risoluzione equivalente di Thevenin

Messaggioda Foto UtenteILtecnico » 11 lug 2013, 15:47

Per trovare la resistenza di Thevenin stacchi il lato a-b spegni tutti i generatori indipendenti quindi Rt è data dal parallelo R1 R2.
Nel circuito mancano i versi dei generatori.
Comunque per la Vt conviene applicare l'analisi nodale, trovi la tensione su R2 e applichi LKT.

Ciao..
Avatar utente
Foto UtenteILtecnico
5 2
 
Messaggi: 10
Iscritto il: 17 giu 2013, 15:43

1
voti

[3] Re: Risoluzione equivalente di Thevenin

Messaggioda Foto Utentenunziato » 11 lug 2013, 16:01

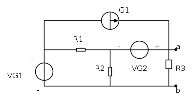
I versi dei generatori come ti ha già detto "ILtecnico" sarebbero necessari per la determinazione dell tensione del generatore.
Il cicuito che ti permette di determinare la resistenza equivalente è il seguente
per cui non mi pare che il calcolo che hai fatto tu sia corretto.
per il calcolo della tensione del generatore equivalante invece devi guardare questo:
previo inserimento dei versi dei generatori come si diceva (VT è la tensione del generatore equivalente).
Fai qualche calcolo e poi vediamo.
saluti.
Avatar utente
Foto Utentenunziato
4.291 3 9 12
Master EY
Master EY
 
Messaggi: 531
Iscritto il: 14 dic 2012, 23:14
Località: Acri (CS) - Polistena (RC)

0
voti

[4] Re: Risoluzione equivalente di Thevenin

Messaggioda Foto Utentenyky93 » 13 lug 2013, 9:25

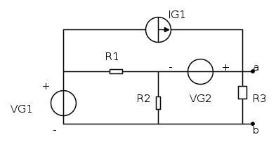
Scusatemi se ritardo a rispondere. Ok, rielaboro la risoluzione :-)




Calcolo la resistenza equivalente di Thevenin:

R_T=R_1 || R_2

Tenendo conto del principio di sovrapposizione, sommo algebricamente il contributo di ogni singolo generatore per trovare la tensione ai capi di ab

V_{T1}=V_{G1}\frac{R_2}{R_2 + R_1}

V_{T2}=V_{G2}

considerando solo il generatore di corrente

V_{T3}=I_{G1}(R_1||R_2)

quindi l'equivalente di Thevenin mi consente di ridisegnare il circuito



Con V_T=V_{T_1}+V_{T_2}+V_{T_3}[/quote]

Una domanda: se cambiassi il verso di uno dei tre generatori, cosa cambierebbe? Per esempio se avessi



oppure

Ultima modifica di Foto Utentenyky93 il 13 lug 2013, 9:54, modificato 2 volte in totale.
Avatar utente
Foto Utentenyky93
130 1 2 6
Frequentatore
Frequentatore
 
Messaggi: 173
Iscritto il: 2 ago 2012, 20:49

1
voti

[5] Re: Risoluzione equivalente di Thevenin

Messaggioda Foto UtenteRenzoDF » 13 lug 2013, 9:38

Se devi calcolare le tensione su R3 usando Thevenin, devi calcolare il circuito equivalente solo del resto della rete, non dell'intera rete; con il tuo metodo invece, vai a calcolare la tensione su R3 usando la sovrapposizione, in quanto già la tensione VTh ti fornisce il risultato ed il calcolo della RTh non serve a nulla ... quindi Thevenin non lo usi proprio. ;-)

Thevenin serve per semplificare il calcolo ed infatti, togliendo R3, ed andando a calcolare Thevenin per la sottorete privata di R3, come ti è già stato detto, è facile vedere che RTh al parallelo fra R1 e R2.

Per quanto riguarda poi VTh, io "passerei" da Norton, determinando la corrente di cortocircuito ai morsetti a b, visto che è più facile da ricavare; dalla semplice ispezione della rete possiamo infatti scrivere

{{I}_{a{{b}_{cc}}}}=\frac{{{V}_{G2}}}{{{R}_{2}}}+\frac{{{V}_{G2}}+{{V}_{G2}}}{{{R}_{1}}}+{{I}_{G1}}

nyky93 ha scritto:... se cambiassi il verso di uno dei tre generatori, cosa cambierebbe?

Se cambi verso a un generatore, cambia (ovviamente) il risultato, visto che cambia il segno del suo contibuto.
"Il circuito ha sempre ragione" (Luigi Malesani)
Avatar utente
Foto UtenteRenzoDF
55,9k 8 12 13
G.Master EY
G.Master EY
 
Messaggi: 13189
Iscritto il: 4 ott 2008, 9:55

2
voti

[6] Re: Risoluzione equivalente di Thevenin

Messaggioda Foto Utenterusty » 13 lug 2013, 9:45

Ogni tanto vale la pena ricordare questo video, 50 minuti spesi bene :!:

Avatar utente
Foto Utenterusty
4.075 2 9 11
Utente disattivato per decisione dell'amministrazione proprietaria del sito
 
Messaggi: 1578
Iscritto il: 25 gen 2009, 13:10

0
voti

[7] Re: Risoluzione equivalente di Thevenin

Messaggioda Foto Utentenyky93 » 13 lug 2013, 9:49

Perdonatemi, avevo ricopiato il codice del primo messaggio dimenticandomi di cambiare la resistenza equivalente. Ho corretto.

[Edit: Sto corregendo un po di cose :mrgreen: ]
Avatar utente
Foto Utentenyky93
130 1 2 6
Frequentatore
Frequentatore
 
Messaggi: 173
Iscritto il: 2 ago 2012, 20:49

0
voti

[8] Re: Risoluzione equivalente di Thevenin

Messaggioda Foto Utentenyky93 » 13 lug 2013, 10:35

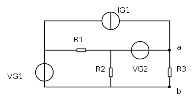
Allora, ho fatto solo un sacco di confusione. Riscrivo nuovamente la risoluzione, riformulando le domande:

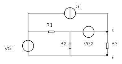
1) Equivalente di Thevenin del seguente bipolo:



Resistenza equivalente di Thevenin:

R_T=R_1 || R_2

Per la VTh come mi è stato fatto notare potrei passare a Norton, ma procedo dalla strada più lunga :mrgreen: considerando il contributo di ogni singolo generatore

V_{T1}=V_{G1}\frac{R_2}{R_2 + R_1}

V_{T2}=V_{G2}

considerando solo il generatore di corrente

V_{T3}=I_{G1}(R_1||R_2)

quindi l'equivalente di Thevenin



Con V_T=V_{T_1}+V_{T_2}+V_{T_3}

_____________________________

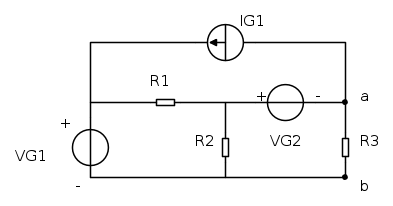
2) Equivalente di Thevenin del bipolo



R_T=R_1||R_2||R_3

(potrei anche utilizzare Norton, ma l'obiettivo è saper utilizzare Norton e Thevenin distantamente)

V_{T1}=V_{G1}\frac{R_2||R_3}{R_1+R_2||R_3}

V_{T2}=V_{G2}\frac{R_3}{R_3+R_1||R_2}

considerando il generatore di corrente

i_{R3}=I_{G1}\frac{R_1||R_2}{R_1||R_2+R_3}

V_{T3}=i_{R3}R_3

quindi

VTh=V_{T1}+V_{T2}+V_{T3}

Fin qui ho sbagliato qualcosa?
Avatar utente
Foto Utentenyky93
130 1 2 6
Frequentatore
Frequentatore
 
Messaggi: 173
Iscritto il: 2 ago 2012, 20:49

2
voti

[9] Re: Risoluzione equivalente di Thevenin

Messaggioda Foto UtenteRenzoDF » 13 lug 2013, 12:51

nyky93 ha scritto:... (potrei anche utilizzare Norton, ma l'obiettivo è saper utilizzare Norton e Thevenin distantamente)...

Se Mayer e Norton in Persona sono "passati" da Thevenin, per ricavare il loro circuito equivalente, non vedo perché non lo possiamo farlo noi, ... in "retromarcia". :mrgreen:

viewtopic.php?f=10&t=39617&p=349114&hilit=Norton+mayer#p349114
"Il circuito ha sempre ragione" (Luigi Malesani)
Avatar utente
Foto UtenteRenzoDF
55,9k 8 12 13
G.Master EY
G.Master EY
 
Messaggi: 13189
Iscritto il: 4 ott 2008, 9:55

1
voti

[10] Re: Risoluzione equivalente di Thevenin

Messaggioda Foto Utentenunziato » 14 lug 2013, 9:50

Calcolati RT e VT direi che il circuito equivalente, di tutto è il seguente:
Avatar utente
Foto Utentenunziato
4.291 3 9 12
Master EY
Master EY
 
Messaggi: 531
Iscritto il: 14 dic 2012, 23:14
Località: Acri (CS) - Polistena (RC)

Prossimo

Torna a Elettrotecnica generale

Chi c’è in linea

Visitano il forum: Nessuno e 104 ospiti