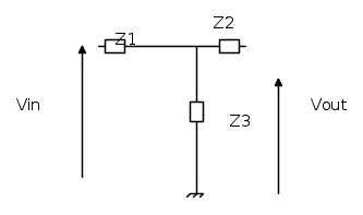
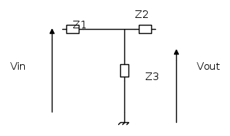
Calcolo impdenza caratteristica rete a T
Moderatori:
carloc,
g.schgor,
BrunoValente,
IsidoroKZ
16 messaggi
• Pagina 1 di 2 • 1, 2
0
voti
chiedo cortesemete come calcolare l'impdenza caratteristica di una rete a T grazie antonio
-

antoniosim
15 1 5 - New entry

- Messaggi: 72
- Iscritto il: 9 set 2009, 20:21
0
voti

"Non farei mai parte di un club che accettasse la mia iscrizione" (G. Marx)
-

claudiocedrone
21,3k 4 7 9 - Master EY

- Messaggi: 15302
- Iscritto il: 18 gen 2012, 13:36
0
voti

"Non farei mai parte di un club che accettasse la mia iscrizione" (G. Marx)
-

claudiocedrone
21,3k 4 7 9 - Master EY

- Messaggi: 15302
- Iscritto il: 18 gen 2012, 13:36
0
voti
si è un quadripolo a T simmetrico e dovrei realizzare il massimo trasferimento di potenza dalla sorgente al carico
l'impedenza caratteristica è quella vista ai morsetti d'ingresso del quadripolo ,poiché per realizzare correttamente l'adattamento,l'impedenza interna del generatore deve essere uguale a quest'ultima.
l'impedenza caratteristica è quella vista ai morsetti d'ingresso del quadripolo ,poiché per realizzare correttamente l'adattamento,l'impedenza interna del generatore deve essere uguale a quest'ultima.
-

antoniosim
15 1 5 - New entry

- Messaggi: 72
- Iscritto il: 9 set 2009, 20:21
0
voti
antoniosim ha scritto: ...l'impedenza caratteristica è quella vista ai morsetti d'ingresso del quadripolo...
su cui bisogna chiudere il quadripolo affinché l'impedenza di ingresso risulti uguale all'impedenza di carico ed è pari alla media geometrica fra l'impedenza a vuoto e quella in cortocircuito (almeno a me risulta così).
P.s. Più tardi, se riesco e non interviene nel frattempo qualcuno più esperto provo a postare qualcosa in più."Non farei mai parte di un club che accettasse la mia iscrizione" (G. Marx)
-

claudiocedrone
21,3k 4 7 9 - Master EY

- Messaggi: 15302
- Iscritto il: 18 gen 2012, 13:36
2
voti
Dovresti anche inserire il carico, se vuoi dimensionare il massimo trasferimento di potenza.
In linea di massima devi annullare il coefficiente di riflessione, in parole povere annullare la parte immaginaria della f.d.t.
In linea di massima devi annullare il coefficiente di riflessione, in parole povere annullare la parte immaginaria della f.d.t.
-

rusty
4.075 2 9 11 - Utente disattivato per decisione dell'amministrazione proprietaria del sito
- Messaggi: 1578
- Iscritto il: 25 gen 2009, 13:10
6
voti
Io direi che il problema è già determinato, senza necessità di ulteriori dati
L'impedenza caratteristica di un doppio bipolo è solo un caso particolare di impedenza immagine che si ha nei doppi bipoli simmetrici e reciproci.
Come dire
calcolare l'impedenza Zo tale che:
i) se "carico la porta 2 con Zo" nella porta 1 vedo una impedenza di ingresso ancora pari a Zo
ii) se "carico la porta 1 con Zo" nella porta 2 vedo una impedenza di ingresso ancora pari a Zo
e questo è sempre possibile appunto nei simmetrici/reciproci
In questo caso, con queste definizioni


hai semplicemente

L'impedenza caratteristica di un doppio bipolo è solo un caso particolare di impedenza immagine che si ha nei doppi bipoli simmetrici e reciproci.
Come dire
calcolare l'impedenza Zo tale che:
i) se "carico la porta 2 con Zo" nella porta 1 vedo una impedenza di ingresso ancora pari a Zo
ii) se "carico la porta 1 con Zo" nella porta 2 vedo una impedenza di ingresso ancora pari a Zo
e questo è sempre possibile appunto nei simmetrici/reciproci
In questo caso, con queste definizioni


hai semplicemente

Se ti serve il valore di beta: hai sbagliato il progetto!
1
voti
claudiocedrone ha scritto: ...media geometrica fra l'impedenza a vuoto e quella in cortocircuito...
P.s. Che me possino... "Non farei mai parte di un club che accettasse la mia iscrizione" (G. Marx)
-

claudiocedrone
21,3k 4 7 9 - Master EY

- Messaggi: 15302
- Iscritto il: 18 gen 2012, 13:36
0
voti
"Non farei mai parte di un club che accettasse la mia iscrizione" (G. Marx)
-

claudiocedrone
21,3k 4 7 9 - Master EY

- Messaggi: 15302
- Iscritto il: 18 gen 2012, 13:36
16 messaggi
• Pagina 1 di 2 • 1, 2
Chi c’è in linea
Visitano il forum: Nessuno e 79 ospiti

Elettrotecnica e non solo (admin)
Un gatto tra gli elettroni (IsidoroKZ)
Esperienza e simulazioni (g.schgor)
Moleskine di un idraulico (RenzoDF)
Il Blog di ElectroYou (webmaster)
Idee microcontrollate (TardoFreak)
PICcoli grandi PICMicro (Paolino)
Il blog elettrico di carloc (carloc)
DirtEYblooog (dirtydeeds)
Di tutto... un po' (jordan20)
AK47 (lillo)
Esperienze elettroniche (marco438)
Telecomunicazioni musicali (clavicordo)
Automazione ed Elettronica (gustavo)
Direttive per la sicurezza (ErnestoCappelletti)
EYnfo dall'Alaska (mir)
Apriamo il quadro! (attilio)
H7-25 (asdf)
Passione Elettrica (massimob)
Elettroni a spasso (guidob)
Bloguerra (guerra)




