PIERIN VERSIONE 2.0
PIERIN VERSIONE ATTUALE
Il PIERIN PIC18 gratis per i microcontrollisti di EY.
Moderatore:
Paolino
3
voti
"La follia sta nel fare sempre la stessa cosa aspettandosi risultati diversi".
"Parla soltanto quando sei sicuro che quello che dirai è più bello del silenzio".
Rispondere è cortesia, ma lasciare l'ultima parola ai cretini è arte.
"Parla soltanto quando sei sicuro che quello che dirai è più bello del silenzio".
Rispondere è cortesia, ma lasciare l'ultima parola ai cretini è arte.
-

TardoFreak
73,9k 8 12 13 - -EY Legend-

- Messaggi: 15754
- Iscritto il: 16 dic 2009, 11:10
- Località: Torino - 3° pianeta del Sistema Solare
3
voti
SCOOP: abbiamo scoperto una fotografia di
TardoFreak mentre sta lavorando al PierinPIC 2.0
(sto seguendo il nostro Luca Parmitano sulla ISS)
(sto seguendo il nostro Luca Parmitano sulla ISS)
Follow me on Mastodon: @davbucci@mastodon.sdf.org
-

DarwinNE
31,0k 7 11 13 - G.Master EY

- Messaggi: 4420
- Iscritto il: 18 apr 2010, 9:32
- Località: Grenoble - France
0
voti
A proposito

"Non farei mai parte di un club che accettasse la mia iscrizione" (G. Marx)
-

claudiocedrone
21,3k 4 7 9 - Master EY

- Messaggi: 15300
- Iscritto il: 18 gen 2012, 13:36
3
voti
Ho modificato il bootloader.
Al reset parte il programma utente. Se però trova il pulsante PL1 premuto parte il bootloader.
Aggiunta l' immagine hex nella pagina web del PIERIN alla sezione Download.
Un ringraziamento a
c1b8 per la segnalazione. 
L utilizzo è ... più figo.
Ora si può far partire il programma utente anche tramite il programma lato PC semplicemente inviandogli un reset.
Al reset parte il programma utente. Se però trova il pulsante PL1 premuto parte il bootloader.
Aggiunta l' immagine hex nella pagina web del PIERIN alla sezione Download.
Un ringraziamento a

L utilizzo è ... più figo.
"La follia sta nel fare sempre la stessa cosa aspettandosi risultati diversi".
"Parla soltanto quando sei sicuro che quello che dirai è più bello del silenzio".
Rispondere è cortesia, ma lasciare l'ultima parola ai cretini è arte.
"Parla soltanto quando sei sicuro che quello che dirai è più bello del silenzio".
Rispondere è cortesia, ma lasciare l'ultima parola ai cretini è arte.
-

TardoFreak
73,9k 8 12 13 - -EY Legend-

- Messaggi: 15754
- Iscritto il: 16 dic 2009, 11:10
- Località: Torino - 3° pianeta del Sistema Solare
0
voti
per buttarlo dentro pero serve il pickit 3 giusto?
-

francicoma
60 1 6 - Frequentatore

- Messaggi: 151
- Iscritto il: 5 lug 2013, 1:23
1
voti
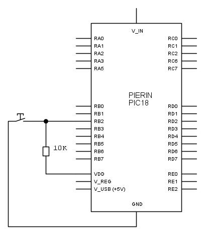
Si, altrimenti puoi usare quello che hai già collegando un pullup dal pin RB2 alla Vdd (3,3V) ed un pulsante verso massa secondo questo schema.
E ti fa lo stesso lavoro.
E ti fa lo stesso lavoro.

"La follia sta nel fare sempre la stessa cosa aspettandosi risultati diversi".
"Parla soltanto quando sei sicuro che quello che dirai è più bello del silenzio".
Rispondere è cortesia, ma lasciare l'ultima parola ai cretini è arte.
"Parla soltanto quando sei sicuro che quello che dirai è più bello del silenzio".
Rispondere è cortesia, ma lasciare l'ultima parola ai cretini è arte.
-

TardoFreak
73,9k 8 12 13 - -EY Legend-

- Messaggi: 15754
- Iscritto il: 16 dic 2009, 11:10
- Località: Torino - 3° pianeta del Sistema Solare
1
voti
Gli schedini per
stefanodelfiore,
codemaster,
bepino,
mangiare,
Luca1995,
Pwnerz0r e
babbiz29 partono domattina.
Su di essei è caricato il nuovo bootloader.
Ho aggiunto un addendum all' articolo PIERIN PIC18 Getting Started ed un video che ne mostra il funzionamento.
Su di essei è caricato il nuovo bootloader.
Ho aggiunto un addendum all' articolo PIERIN PIC18 Getting Started ed un video che ne mostra il funzionamento.
"La follia sta nel fare sempre la stessa cosa aspettandosi risultati diversi".
"Parla soltanto quando sei sicuro che quello che dirai è più bello del silenzio".
Rispondere è cortesia, ma lasciare l'ultima parola ai cretini è arte.
"Parla soltanto quando sei sicuro che quello che dirai è più bello del silenzio".
Rispondere è cortesia, ma lasciare l'ultima parola ai cretini è arte.
-

TardoFreak
73,9k 8 12 13 - -EY Legend-

- Messaggi: 15754
- Iscritto il: 16 dic 2009, 11:10
- Località: Torino - 3° pianeta del Sistema Solare
Torna a Realizzazioni, interfacciamento e nozioni generali.
Chi c’è in linea
Visitano il forum: Nessuno e 3 ospiti

Elettrotecnica e non solo (admin)
Un gatto tra gli elettroni (IsidoroKZ)
Esperienza e simulazioni (g.schgor)
Moleskine di un idraulico (RenzoDF)
Il Blog di ElectroYou (webmaster)
Idee microcontrollate (TardoFreak)
PICcoli grandi PICMicro (Paolino)
Il blog elettrico di carloc (carloc)
DirtEYblooog (dirtydeeds)
Di tutto... un po' (jordan20)
AK47 (lillo)
Esperienze elettroniche (marco438)
Telecomunicazioni musicali (clavicordo)
Automazione ed Elettronica (gustavo)
Direttive per la sicurezza (ErnestoCappelletti)
EYnfo dall'Alaska (mir)
Apriamo il quadro! (attilio)
H7-25 (asdf)
Passione Elettrica (massimob)
Elettroni a spasso (guidob)
Bloguerra (guerra)


