Adattamento oscillatore fet a ampli BJT
Moderatori:
carloc,
g.schgor,
BrunoValente,
IsidoroKZ
20 messaggi
• Pagina 2 di 2 • 1, 2
0
voti
...se il 2N2222 è ancora vivo, visto che, nel modo barbaro in cui lo ha collegato, ci ha fatto scorrere 300mA in base.rusty ha scritto:Prova a disaccoppiare la continua prima dell'ultimo stadio, inoltre polarizza la base scegliendoti un punto di lavoro adeguato.
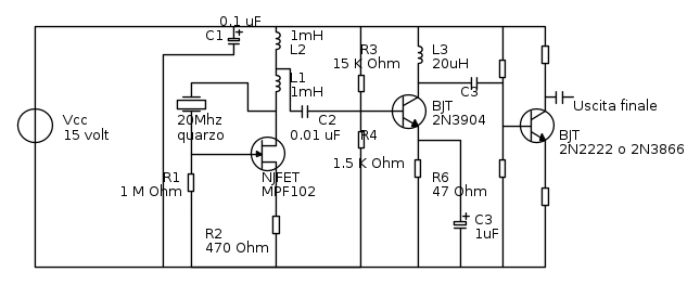
Poi non capisco perché ha disegnato l'induttanza di carico del primo transistor con il simbolo del condensatore e poi l'ha anche chiamata C4
-

BrunoValente
39,6k 7 11 13 - G.Master EY

- Messaggi: 7796
- Iscritto il: 8 mag 2007, 14:48
0
voti
BrunoValente ha scritto:...se il 2N2222 è ancora vivo, visto che, nel modo barbaro in cui lo ha collegato, ci ha fatto scorrere 300mA in base.rusty ha scritto:Prova a disaccoppiare la continua prima dell'ultimo stadio, inoltre polarizza la base scegliendoti un punto di lavoro adeguato.
Poi non capisco perché ha disegnato l'induttanza di carico del primo transistor con il simbolo del condensatore e poi l'ha anche chiamata C4
vero, ho sbagliato a inserire il simbolo,
questo è il circuito corretto, procedo a verificare la polarizzione e disaccoppiare la continua
0
voti
BrunoValente ha scritto:...se il 2N2222 è ancora vivo, visto che, nel modo barbaro in cui lo ha collegato, ci ha fatto scorrere 300mA in base.rusty ha scritto:Prova a disaccoppiare la continua prima dell'ultimo stadio, inoltre polarizza la base scegliendoti un punto di lavoro adeguato.
Poi non capisco perché ha disegnato l'induttanza di carico del primo transistor con il simbolo del condensatore e poi l'ha anche chiamata C4
ho polarizzato l'ultimo stadio, ma in microcad demo vedo che effettivamente amplifica,
mentre nel circuito reale che ho costruito vedo che il guadagno in volt è bassissimo, quasi 0
in uscita vedo quasi 4,8 V invece dei 4,12 V uscenti dallo stadio precedente
0
voti

"Non farei mai parte di un club che accettasse la mia iscrizione" (G. Marx)
-

claudiocedrone
21,3k 4 7 9 - Master EY

- Messaggi: 15302
- Iscritto il: 18 gen 2012, 13:36
1
voti
claudiocedrone ha scritto::-)...non servirebbe anche qualche cosa che impedisse alla radiofrequenza di "tuffarsi" nella alimentazione dal collettore dell'ultimo stadio ?Grazie.
Certamente andrebbe montato qualche ceramico da 100nF al posto giusto e forse qualche induttanza di blocco tra le alimentazioni degli stadi e poi il layout del cablaggio qui riveste un ruolo importante... per non dire fondamentale.
Si deve poi tenere conto della capacità introdotta dalla sonda dell'oscilloscopio.
A quelle frequenze una sonda 1:1 non andrebbe neanche presa in considerazione, una sonda 1:10 invece introdurrebbe 10-20 pF che, a quelle frequenze, farebbero circa 800-400 ohm.
Con un simile carico, spacca e pesa, l'ultimo stadio guadagnerebbe uno o anche meno...
Scusa
A quelle frequenze, proprio perché le componenti parassite si fanno sentire, non ha molto senso amplificare in tensione su carichi resistivi di migliaia di ohm.
Se a quelle frequenze vuoi lavorare a larga banda allora le impedenze di chiusura devi confinarle sotto 2-300 ohm al massimo, se invece hai bisogno di lavorare con valori più alti allora devi lavorare a banda stretta ed utilizzare dei circuiti risonanti.
-

BrunoValente
39,6k 7 11 13 - G.Master EY

- Messaggi: 7796
- Iscritto il: 8 mag 2007, 14:48
0
voti
lo scopo di questo circuito è capire come funziona un trasmettitore che trasmette una portante,
mettiamo che io debba lavorare a banda stretta, per evitare l'attenuazione del segnale che mi fa perdere tutto il guadagno devo lavorare utilizzando i circuiti risonanti, quindi come nello stadio precedente devo bilanciare la capacità del transistor inserente una induttanza al posto della resistenza.
L'induttanza va calcolata tenendo conto anche della frequenza ovviamente.
Attendo vostri consigli e conferme in merito, a parte realizzare una basetta stampata seria che abbatta il valore di tutte le impedenze parassite date da tutti i fili volanti presenti.
Non vorrei realizzare un trasmettitore, no, ma capire come fanno i trasmettitori ad amplificare in bypassando i problemi che avete esposto, una prima dritta me l'ha data Bruno con i circuiti risonanti dei quali ho beneficiato nello stadio precedente.

Ora le vie sono:
-inserire dele induttanze tra le alimentazioni dei vari stadi, di quali valori?
-inserire condensatori nei punti giusti
-bilanciare le capacità d'uscita e d'ingresso dei transistor con induttanze calcolate in base alla frequenza di lavoro del circuito
-cavi più corti, basetta stampata e camblaggio migliore, ho la sensazione che con un circuito stampato come si deve passarei da 4Vpp a 7Vpp senza cambiare niente, vi dovrei postare una foto del circuito se non vi spaventate
-l'ultimo stadio non amplificare ancora in tensione, ma amplificare in corrente con una configurazione a collettore comune, in effetti 4Volt di tensione sono abbastanza, a questo punto va puntato più sulla corrente
vi ringraziono tutti per la pazienza, in particolare Bruno, finalmente sto iniziando a capire la logica dietro alla realizzaione dei vari stadi e le problematiche connesse,
mettiamo che io debba lavorare a banda stretta, per evitare l'attenuazione del segnale che mi fa perdere tutto il guadagno devo lavorare utilizzando i circuiti risonanti, quindi come nello stadio precedente devo bilanciare la capacità del transistor inserente una induttanza al posto della resistenza.
L'induttanza va calcolata tenendo conto anche della frequenza ovviamente.
Attendo vostri consigli e conferme in merito, a parte realizzare una basetta stampata seria che abbatta il valore di tutte le impedenze parassite date da tutti i fili volanti presenti.
Non vorrei realizzare un trasmettitore, no, ma capire come fanno i trasmettitori ad amplificare in bypassando i problemi che avete esposto, una prima dritta me l'ha data Bruno con i circuiti risonanti dei quali ho beneficiato nello stadio precedente.

Ora le vie sono:
-inserire dele induttanze tra le alimentazioni dei vari stadi, di quali valori?
-inserire condensatori nei punti giusti
-bilanciare le capacità d'uscita e d'ingresso dei transistor con induttanze calcolate in base alla frequenza di lavoro del circuito
-cavi più corti, basetta stampata e camblaggio migliore, ho la sensazione che con un circuito stampato come si deve passarei da 4Vpp a 7Vpp senza cambiare niente, vi dovrei postare una foto del circuito se non vi spaventate
-l'ultimo stadio non amplificare ancora in tensione, ma amplificare in corrente con una configurazione a collettore comune, in effetti 4Volt di tensione sono abbastanza, a questo punto va puntato più sulla corrente
vi ringraziono tutti per la pazienza, in particolare Bruno, finalmente sto iniziando a capire la logica dietro alla realizzaione dei vari stadi e le problematiche connesse,
Ultima modifica di
BrunoValente il 20 lug 2013, 17:38, modificato 2 volte in totale.
Motivazione: Eliminato quoting inutile
Motivazione: Eliminato quoting inutile
0
voti
come modifichereste il circuito?
Giuseppe
0
voti

"Non farei mai parte di un club che accettasse la mia iscrizione" (G. Marx)
-

claudiocedrone
21,3k 4 7 9 - Master EY

- Messaggi: 15302
- Iscritto il: 18 gen 2012, 13:36
20 messaggi
• Pagina 2 di 2 • 1, 2
Chi c’è in linea
Visitano il forum: Nessuno e 63 ospiti

Elettrotecnica e non solo (admin)
Un gatto tra gli elettroni (IsidoroKZ)
Esperienza e simulazioni (g.schgor)
Moleskine di un idraulico (RenzoDF)
Il Blog di ElectroYou (webmaster)
Idee microcontrollate (TardoFreak)
PICcoli grandi PICMicro (Paolino)
Il blog elettrico di carloc (carloc)
DirtEYblooog (dirtydeeds)
Di tutto... un po' (jordan20)
AK47 (lillo)
Esperienze elettroniche (marco438)
Telecomunicazioni musicali (clavicordo)
Automazione ed Elettronica (gustavo)
Direttive per la sicurezza (ErnestoCappelletti)
EYnfo dall'Alaska (mir)
Apriamo il quadro! (attilio)
H7-25 (asdf)
Passione Elettrica (massimob)
Elettroni a spasso (guidob)
Bloguerra (guerra)


