Ci sto sbattendo la testa da tempo ma non riesco a trovare una soluzione che sia valida.
Ho TA (pinza amperometrica) che in uscita mi da un segnale, una sorta di onda sinusoidale con ampiezza 1.5Vpp a 50Hz (la pinza è collegata al cavo di fase per controllo consumi).
Per darla in pasto al micro devo trasformarla in continua. Ho provato con un ponte di diodi ma uccido tutto causa caduta tensione di circa 1.4V. Ho utilizzato solo un diodo e condensatore e così riesco a leggere qualcosa ma perdo circa il 50% delle informazioni (in pratica quando il consumo è basso ed il TA mi butta fuori tensione al di sotto di 0.7V addirittura non misuro nulla).
C'è un modo per trasformare in continua la tensione alternata che mi genera il TA? A me serve che l'uscita sia proporzionale all'ingresso e che non debba perdermi gli 0.7V di caduta sul diodo.
Grazie a chi vorrà darmi supporto.
Cristian
Raddrizzare alternata bassissima tensione
Moderatori:
carloc,
g.schgor,
BrunoValente,
IsidoroKZ
19 messaggi
• Pagina 1 di 2 • 1, 2
0
voti
1
voti
Ciao
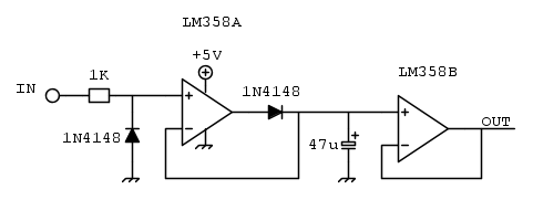
Ti serve un raddrizzatore di precisione a doppia semionda che utilizza gli amplificatori operazionali. Lì non hai più il problema della caduta di tensione sui diodi! Questo è un circuito che potresti utilizzare. Solamente che credo che tu abbia bisogno di una tensione di alimentazione duale.
Se ti può bastare un raddrizzatore a singola semionda allora ti basta anche solo l'alimentazione singola.
Decidi cosa ti va meglio e poi la realizzazione non è neanche così complicata se mastichi qualcosa di elettronica (penso di si visto le prove che hai fatto)
Ti serve un raddrizzatore di precisione a doppia semionda che utilizza gli amplificatori operazionali. Lì non hai più il problema della caduta di tensione sui diodi! Questo è un circuito che potresti utilizzare. Solamente che credo che tu abbia bisogno di una tensione di alimentazione duale.
Se ti può bastare un raddrizzatore a singola semionda allora ti basta anche solo l'alimentazione singola.
Decidi cosa ti va meglio e poi la realizzazione non è neanche così complicata se mastichi qualcosa di elettronica (penso di si visto le prove che hai fatto)
0
voti
Grazie per la risposta Pioz, sei gentilissimo!
Googolando ero proprio finito a scoprire i raddrizzatori di precisione con amplificatori operazionali.
Visto che non ho bisogno di avere una precisione assoluta, a me basta vedere indicativamente l'assorbimento istantaneo del mio impianto, va benissimo anche la versione ad alimentazione singola e quindi ad una semionda (che poi livello con un condensatore).
Sinceramente non ho mai avuto a che fare con gli operazionali e quindi troverei difficoltà per ricavare il valore adatto alle resistenze di contorno.
Potresti consigliarmi un operazionale comune che farebbe al caso mio con alimentazione singola?
Per i diodi credo che gli 1n4148 siano più che sufficienti.
Grazie ancora!
Googolando ero proprio finito a scoprire i raddrizzatori di precisione con amplificatori operazionali.
Visto che non ho bisogno di avere una precisione assoluta, a me basta vedere indicativamente l'assorbimento istantaneo del mio impianto, va benissimo anche la versione ad alimentazione singola e quindi ad una semionda (che poi livello con un condensatore).
Sinceramente non ho mai avuto a che fare con gli operazionali e quindi troverei difficoltà per ricavare il valore adatto alle resistenze di contorno.
Potresti consigliarmi un operazionale comune che farebbe al caso mio con alimentazione singola?
Per i diodi credo che gli 1n4148 siano più che sufficienti.
Grazie ancora!
0
voti
Come OP-AMP puoi usare LM358 (che ne ha 2 in un package unico) che è ad alimentazione singola..Ricordati però che hai un po di offset in uscita che non riesci a togliere però se quello che vuoi misurare è al di sopra di 1V non hai problemi.
Questo è un circuito che potresti utilizzare. Aspetta però il parere di qualche utente più sapiente di me...Non vorrei che ci fosse qualcosa che non torna.
Il diodo con la resistenza dovrebbe proteggere l'ingresso dell amplificatore dalle tensione negative. Spero che basti perché sul Datasheet è riportato che la tensione di ingresso negativa supportata è di -0.3V. Forse sarebbe meglio sostituire il primo diodo con un diodo Schottky che ha una tensione di soglia intorno ai 0.3V. Aspetta quindi il consenso di qualcun altro.
Questo è un circuito che potresti utilizzare. Aspetta però il parere di qualche utente più sapiente di me...Non vorrei che ci fosse qualcosa che non torna.
Il diodo con la resistenza dovrebbe proteggere l'ingresso dell amplificatore dalle tensione negative. Spero che basti perché sul Datasheet è riportato che la tensione di ingresso negativa supportata è di -0.3V. Forse sarebbe meglio sostituire il primo diodo con un diodo Schottky che ha una tensione di soglia intorno ai 0.3V. Aspetta quindi il consenso di qualcun altro.
0
voti
Ancora grazie!
Cosa intendi per "Ricordati però che hai un po di offset in uscita che non riesci a togliere però se quello che vuoi misurare è al di sopra di 1V non hai problemi"?
Il mio valore in ingresso massimo è di 1.5Vpp quindi sicuramente vado sicuramente sotto il volt...
Guardando poi i link che mi avevi girato prima, beh, mi pareva molto più semplice come circuito. Il tuo mi sembra più complesso. Sia chiaro, se qualcun altro mi da l'ok acquisto i componenti e realizzo quello.
Auguro una buona serata!
Cosa intendi per "Ricordati però che hai un po di offset in uscita che non riesci a togliere però se quello che vuoi misurare è al di sopra di 1V non hai problemi"?
Il mio valore in ingresso massimo è di 1.5Vpp quindi sicuramente vado sicuramente sotto il volt...
Guardando poi i link che mi avevi girato prima, beh, mi pareva molto più semplice come circuito. Il tuo mi sembra più complesso. Sia chiaro, se qualcun altro mi da l'ok acquisto i componenti e realizzo quello.
Auguro una buona serata!
2
voti
Beh però i TA si usano normalmente con un ponte "a monte" della resistenza di carico. Questo praticamente cancella la caduta la caduta, sempre che il TA non saturi...
serve qualche dato in più, il datasheet del TA e lo schema che stai usando...
rischi di poter far tutto senza componenti "extra".
Comunque, tornando un attimo indietro, convertire la corrente in una tensione DC prima di acquisirla ti fa perdere sia l'informazione "fase" che la forma d'onda.
Quindi al più calcoli la potenza apparente assorbita, non quella attiva e appena attacchi carichi non lineari (oggi come oggi praticamente tutto: lampade elettroniche, TV, PC, etc. etc.) hai invece dei bei "numeri a caso"
serve qualche dato in più, il datasheet del TA e lo schema che stai usando...
rischi di poter far tutto senza componenti "extra".
Comunque, tornando un attimo indietro, convertire la corrente in una tensione DC prima di acquisirla ti fa perdere sia l'informazione "fase" che la forma d'onda.
Quindi al più calcoli la potenza apparente assorbita, non quella attiva e appena attacchi carichi non lineari (oggi come oggi praticamente tutto: lampade elettroniche, TV, PC, etc. etc.) hai invece dei bei "numeri a caso"
Se ti serve il valore di beta: hai sbagliato il progetto!
0
voti
Ciao Carlo, sono veramente conscio di ciò che dici! In effetti starei cercando di misurare la potenza apparente!
Me ne rendo benissimo conto in quanto sto monitorando i consumi con uno di quegli aggeggi con display.
E' impressionante la diversità di risultato accendendo lampadina, carica notebook oppure tv...
Quel di cui avrei bisogno è tirare fuori un valore che segua più o meno il consumo.
Avevo adottato proprio la soluzione con ponte a monte della resistenza di carico, ma come dicevo uccido gran parte del valore di tensione misurato a basso assorbimento.
Me ne rendo benissimo conto in quanto sto monitorando i consumi con uno di quegli aggeggi con display.
E' impressionante la diversità di risultato accendendo lampadina, carica notebook oppure tv...
Quel di cui avrei bisogno è tirare fuori un valore che segua più o meno il consumo.
Avevo adottato proprio la soluzione con ponte a monte della resistenza di carico, ma come dicevo uccido gran parte del valore di tensione misurato a basso assorbimento.
2
voti
ehm ti avevo chiesto lo schema di quello che hai realizzato ed il datasheet del TA....
Se è come il primo hai la corrente del secondario del TA che prodece la caduta su R e poi ti "perdi" la caduta dei diodi
invece nel secondo caso la caduta si produce direttamente su R all'uscita senza "perdite".
La contropartita è che ora la tensione al secondario è più alta di "un paio di cadute dirette" e questo potrebbe far saturare il trasformatore....
Please, schema e datasheet del TA
P.S. se ne era già parlato diffusamente di recente ma non riesco a ritrovarlo, magari qualcuno ci aiuta.
Se è come il primo hai la corrente del secondario del TA che prodece la caduta su R e poi ti "perdi" la caduta dei diodi
invece nel secondo caso la caduta si produce direttamente su R all'uscita senza "perdite".
La contropartita è che ora la tensione al secondario è più alta di "un paio di cadute dirette" e questo potrebbe far saturare il trasformatore....
Please, schema e datasheet del TA
P.S. se ne era già parlato diffusamente di recente ma non riesco a ritrovarlo, magari qualcuno ci aiuta.
Se ti serve il valore di beta: hai sbagliato il progetto!
0
voti
Ero fuori e col tablet diventa un po ostico gestire fidocad... dovrò però trova soluzione.
In ogni caso, la configurazione da me utilizzata era quella del secondo schema, quella con resistenza di carico posta dopo il ponte.
Ho messo una R da 1K per avere la massima escursione 0-5V da dare in pasto ad un ingresso analogico di Arduino.
Il sensore è questo:
https://www.google.it/url?sa=t&rct=j&q=sct%20013%20000%20datasheet&source=web&cd=1&cad=rja&ved=0CC0QFjAA&url=http%3A%2F%2Fopenenergymonitor.org%2Femon%2Fsites%2Fdefault%2Ffiles%2FSCT013-000_datasheet.pdf&ei=CYL-UbvmIrD14QTvwIGgCw&usg=AFQjCNHRbOOvXNtJlk9olmec8taNW87xSg&sig2=oO0FRsppFPNjXmYiN14A6A
sct 013 000
Potresti per favore spiegarmi la questione della saturazione del trasformatore? La mia ignoranza è elevata all'ennesima potenza! In effetti dal sito del progetto openenergy, si parlava di resistenza da circa 33 ohm... se serve un valore così basso poi potrei metterci un operazionale per alzare un po il valore della caduta di tensione sulla resistenza di carico e sfruttare al meglio la finestra 0-5V.
In ogni caso, la configurazione da me utilizzata era quella del secondo schema, quella con resistenza di carico posta dopo il ponte.
Ho messo una R da 1K per avere la massima escursione 0-5V da dare in pasto ad un ingresso analogico di Arduino.
Il sensore è questo:
https://www.google.it/url?sa=t&rct=j&q=sct%20013%20000%20datasheet&source=web&cd=1&cad=rja&ved=0CC0QFjAA&url=http%3A%2F%2Fopenenergymonitor.org%2Femon%2Fsites%2Fdefault%2Ffiles%2FSCT013-000_datasheet.pdf&ei=CYL-UbvmIrD14QTvwIGgCw&usg=AFQjCNHRbOOvXNtJlk9olmec8taNW87xSg&sig2=oO0FRsppFPNjXmYiN14A6A
sct 013 000
Potresti per favore spiegarmi la questione della saturazione del trasformatore? La mia ignoranza è elevata all'ennesima potenza! In effetti dal sito del progetto openenergy, si parlava di resistenza da circa 33 ohm... se serve un valore così basso poi potrei metterci un operazionale per alzare un po il valore della caduta di tensione sulla resistenza di carico e sfruttare al meglio la finestra 0-5V.
1
voti
Eh sì... ho paura che ti ci voglia un opamp.
La saturazione del TA, come del resto di qualsiasi altro trasformatore, si ha quando il flusso supera un limite dipendente da materiale, dimensioni e forma del nucleo. Questo flusso è legato dalla legge di Faraday-Neumann-Lenz alla tensione ai capi dell'avvolgimento (e alla frequenza).
In sostanza il datasheet che hai linkato dice che quel TA può avere ai capi dell'uscita al massimo 50mV
. Se superi quel valore inizia a saturare perdendo di linearità .
Quindi purtroppo lo schema con il ponte a monte della resistenza di shunt non si può usare, con quello hai circa 1.5V solo per le cadute dei diodi.
In definitiva ci potrebbe stare un amplificatore a transresistenza che avrebbe il pregio di tenere il TA bene in corto ma d'altra parte quel povero opamp collegato direttamente senza resistenze in ingresso mi fa venire i brividi
basterebbe una sovracorrente, uno spike qualsiasi per bruciarlo.
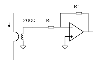
Allora mi accontenterei di un amplificatore invertente, qualcosa in linea di principio così (BTW che alimentazioni ha disponibili?)
con a seguire (se proprio non vuoi acquisire direttamente l'AC) un raddrizzatore ideale a valor medio (o di picco ma mi piace meno)
Sei in grado di dimensionare lo schema che ti ho postato per avere, alla corrente massima che ti interessa una tensione in uscita rappresentabile dall'opamp e non più di 50mV ai capi del TA?
La saturazione del TA, come del resto di qualsiasi altro trasformatore, si ha quando il flusso supera un limite dipendente da materiale, dimensioni e forma del nucleo. Questo flusso è legato dalla legge di Faraday-Neumann-Lenz alla tensione ai capi dell'avvolgimento (e alla frequenza).
In sostanza il datasheet che hai linkato dice che quel TA può avere ai capi dell'uscita al massimo 50mV
Quindi purtroppo lo schema con il ponte a monte della resistenza di shunt non si può usare, con quello hai circa 1.5V solo per le cadute dei diodi.
In definitiva ci potrebbe stare un amplificatore a transresistenza che avrebbe il pregio di tenere il TA bene in corto ma d'altra parte quel povero opamp collegato direttamente senza resistenze in ingresso mi fa venire i brividi
Allora mi accontenterei di un amplificatore invertente, qualcosa in linea di principio così (BTW che alimentazioni ha disponibili?)
con a seguire (se proprio non vuoi acquisire direttamente l'AC) un raddrizzatore ideale a valor medio (o di picco ma mi piace meno)
Sei in grado di dimensionare lo schema che ti ho postato per avere, alla corrente massima che ti interessa una tensione in uscita rappresentabile dall'opamp e non più di 50mV ai capi del TA?
Se ti serve il valore di beta: hai sbagliato il progetto!
19 messaggi
• Pagina 1 di 2 • 1, 2
Chi c’è in linea
Visitano il forum: Google [Bot] e 48 ospiti

Elettrotecnica e non solo (admin)
Un gatto tra gli elettroni (IsidoroKZ)
Esperienza e simulazioni (g.schgor)
Moleskine di un idraulico (RenzoDF)
Il Blog di ElectroYou (webmaster)
Idee microcontrollate (TardoFreak)
PICcoli grandi PICMicro (Paolino)
Il blog elettrico di carloc (carloc)
DirtEYblooog (dirtydeeds)
Di tutto... un po' (jordan20)
AK47 (lillo)
Esperienze elettroniche (marco438)
Telecomunicazioni musicali (clavicordo)
Automazione ed Elettronica (gustavo)
Direttive per la sicurezza (ErnestoCappelletti)
EYnfo dall'Alaska (mir)
Apriamo il quadro! (attilio)
H7-25 (asdf)
Passione Elettrica (massimob)
Elettroni a spasso (guidob)
Bloguerra (guerra)







