Grazie ancora per la tua disponibilità. Tu hai ragione io vorrei essere più collaborativo, non mi piace essere considerato uno che si aspetta la "pappa pronta", ed inoltre capire quello che si sta facendo mi porterebbe sicuramente una soddisfazione enorme, ma in realtà, quello che per te è di una banalità disarmante, per me è semplicemente incomprensibile.
Comunque il circuito dovrebbe avere un relè con una semplice posizione on-off con la possibilità vi sostenere 20/30 amp. a 12v.
Se avrai ancora la voglia e la pazienza per aiutarmi ti esprimerò la mia più sincera gratitudine, altrimenti capisco il tuo pensiero, ma ti ringrazio ugualmente per il tuo tempo che sinora hai dedicato a risolvere la mia problematica.
Semplice timer 0-10 secondi.
Moderatori:
carloc,
g.schgor,
BrunoValente,
IsidoroKZ
0
voti
0
voti
Come ho gia' detto in precedenza, tutto e' dipendente dal rele' impiegato; cercati qualcosa avente le specifiche che ti sono necessarie e poi posta il link (o le caratteristiche complete).
marco
0
voti
salve a tutti,
ho visto questo schema e mi occorrerebbe anche a me.
con 2 cose differenti da esso.
la prima e' che mi occorre e' quello che non ho il pulsante di start,ma che parta da quando alimento il 555.
la seconda e' che mi occorre un segnale basso (gnd) durante la temporizzazione , dopo il T la sua uscita
resta a vcc. come mi posso orientare?
grazie in anticipo
ho visto questo schema e mi occorrerebbe anche a me.
con 2 cose differenti da esso.
la prima e' che mi occorre e' quello che non ho il pulsante di start,ma che parta da quando alimento il 555.
la seconda e' che mi occorre un segnale basso (gnd) durante la temporizzazione , dopo il T la sua uscita
resta a vcc. come mi posso orientare?
grazie in anticipo
-

danielealfa
243 2 4 7 - Expert

- Messaggi: 1313
- Iscritto il: 27 mag 2009, 22:51
0
voti
ok, grazie mille.
di che valore dovrei mettere il condensatore al posto del pulsante?
mi ero dimenticato di dire che volevo estendere il tempo da "diciamo" 1 secondo a 20
che valori occorro per il condensatore elettrolitico e la resistenza + trimmer di regolazione?
di che valore dovrei mettere il condensatore al posto del pulsante?
mi ero dimenticato di dire che volevo estendere il tempo da "diciamo" 1 secondo a 20
che valori occorro per il condensatore elettrolitico e la resistenza + trimmer di regolazione?
-

danielealfa
243 2 4 7 - Expert

- Messaggi: 1313
- Iscritto il: 27 mag 2009, 22:51
0
voti
salve sono gianni ho costruito un temporizzatore con 555 da a 30 secondi come quello in figura
funziona bene pero ho un problema
lo alimento con una batteria da 12v collegata a sua volta con un trasformatore da 12v per mantenere la ricarica
il problema e che se scollego e ricollego il trasformatore mi parte il temporizzatore
chiedo scusa se mi esprimo male ma sono un profano potete aiutarmi
grazie
funziona bene pero ho un problema
lo alimento con una batteria da 12v collegata a sua volta con un trasformatore da 12v per mantenere la ricarica
il problema e che se scollego e ricollego il trasformatore mi parte il temporizzatore
chiedo scusa se mi esprimo male ma sono un profano potete aiutarmi
grazie
1
voti
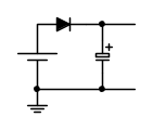
Per minimizzare brusche variazioni di tensione
sul circuito, puoi adottare un diodo (1N4007)
ed un condensatore elettrolitico (p.e. da 47uF, 25VL)
fra batteria e circuito:
sul circuito, puoi adottare un diodo (1N4007)
ed un condensatore elettrolitico (p.e. da 47uF, 25VL)
fra batteria e circuito:
0
voti
salve sono gianni 56 ringrazio del suggerimento pur troppo anche col diodo e condensatore il temporizzatore come scollego e ricollego la tensione mi si attiva a me serve per costruire un allarme per il portone di casa sono in condominio potrebbe essere fastidioso
vi ringrazio speriamo che mi potete dare un altro consiglio
vi ringrazio speriamo che mi potete dare un altro consiglio
1
voti
Il consiglio potrebbe essere di aumentare
la capacità del condensatore fino ad ottenere
la stabilità dell'alimentazione del temporizzatore,
altrimenti occorre esaminare meglio il tuo circuito
(come viene attivato?)
la capacità del condensatore fino ad ottenere
la stabilità dell'alimentazione del temporizzatore,
altrimenti occorre esaminare meglio il tuo circuito
(come viene attivato?)
Chi c’è in linea
Visitano il forum: Nessuno e 144 ospiti

Elettrotecnica e non solo (admin)
Un gatto tra gli elettroni (IsidoroKZ)
Esperienza e simulazioni (g.schgor)
Moleskine di un idraulico (RenzoDF)
Il Blog di ElectroYou (webmaster)
Idee microcontrollate (TardoFreak)
PICcoli grandi PICMicro (Paolino)
Il blog elettrico di carloc (carloc)
DirtEYblooog (dirtydeeds)
Di tutto... un po' (jordan20)
AK47 (lillo)
Esperienze elettroniche (marco438)
Telecomunicazioni musicali (clavicordo)
Automazione ed Elettronica (gustavo)
Direttive per la sicurezza (ErnestoCappelletti)
EYnfo dall'Alaska (mir)
Apriamo il quadro! (attilio)
H7-25 (asdf)
Passione Elettrica (massimob)
Elettroni a spasso (guidob)
Bloguerra (guerra)




