Cos'è ElectroYou | Login Iscriviti

ElectroYou - la comunità dei professionisti del mondo elettrico

Trasformatore nucleo a C

Trasformatori, macchine rotanti ed azionamenti

Moderatori: Foto UtenteSandroCalligaro, Foto Utentemario_maggi, Foto Utentefpalone

0
voti

[11] Re: Trasformatore nucleo a C

Messaggioda Foto UtenteStefanoSunda » 8 ago 2013, 22:42

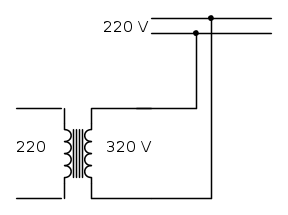
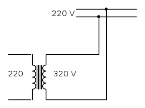
Invertendo l'alimentazione, collegando il secondario alla 220 V, il problema non si presenta. E' norm
ale
Che problema… il trasformatore è reversibile, ti avevo chiesto che tensione trovavi nel primario, dal momento che avevi alimentato con la 220 V sul secondario. Hai fatto come disegno? Fai sapere che tensione trovi al primario.
Avatar utente
Foto UtenteStefanoSunda
2.880 3 6 10
Master
Master
 
Messaggi: 1962
Iscritto il: 16 set 2010, 19:29

0
voti

[12] Re: Trasformatore nucleo a C

Messaggioda Foto Utentegrab » 8 ago 2013, 22:52

Ma già l'avevo scritto nel post precedente che avevo provato la reversibilità constatando quindi l'integrità dei nuclei, credevo per questo che avevi sbagliato. Infatti brancolo al buio. Di norma il primario è più vicino alla colonna e il secondario sovrapposto, ma avevo fatto pure la prova con un rocchetto a gole separate, scritto pure questo. Comunque i vs era sopra i 100 nel caso in questione.
Avatar utente
Foto Utentegrab
20 2
New entry
New entry
 
Messaggi: 70
Iscritto il: 6 ago 2013, 10:38

0
voti

[13] Re: Trasformatore nucleo a C

Messaggioda Foto Utentegrab » 9 ago 2013, 10:27

Me la canto e me la suono, tanto sto a una specie di domiciliari :mrgreen:
Ho anche invertito la collocazione delle spire, primario esterno e secondario interno, niente da fare.
Come scrivevo ne ho anche due a una sola coppia, quindi erano montati a colonna, primario e secondario in una e primario e secondario nell'altra collegati in parallelo e trasformavano la tensione in 30v, belli cicciotti, due bestiole niente male, più grandi di quelli a due coppie.
Ebbene i due disgraziati funzionano egregiamente, sia 220 V a 30v che 220 V a 320, senza problemi, serrati appena quasi con lo sputo, ben serrati poi silenziosissimi e per niente saturandi, freddissimi anche con carico applicato, tensioni a posto etc... non li avevo testati più di tanto perché per ora mi servono i 6 più piccoli.
L'unico sospetto è che una volta disassemblati non tornano più allo stato originale, so che non è pensabile una cosa simile dato che sono nuclei a C quindi riassemblabili, ma altra ragione non trovo, giusto un esperto che abbia manipolato questo tipo di nuclei potrebbe dare una spiegazione. Rimane il dubbio sulla qualità, ma mi sembrano assai migliori di quelli vecchi che si lasciano comunque lavorare.
Vi è quarcuno all'interno che conosce 'sta robbbba??? #-o
Avatar utente
Foto Utentegrab
20 2
New entry
New entry
 
Messaggi: 70
Iscritto il: 6 ago 2013, 10:38

0
voti

[14] Re: Trasformatore nucleo a C

Messaggioda Foto UtenteStefanoSunda » 9 ago 2013, 10:37

Invertendo l'alimentazione, collegando il secondario alla 220 V, il problema non si presenta. E' normale?

Evidentemente hai l’avvolgimento del primario in corto. Da quanto scrivi qui:
Purtroppo per quanti tentativi abbia fatto una volta disassemblati non m'è più riuscito a farli funzionare correttamente: ronzio forte, conseguente surriscaldamento e devo staccare altrimenti si brucia.
Sembra che hai riutilizzato lo stesso filo di avvolgimento, che non è smaltato. Devi sapere che in fabbrica gli avvolgimenti vengono impregnate di vernici isolanti e poi essiccate in apposite vasche; forse l’avvolgimento non è isolato tra spira e spira. Prova l’assorbimento (A) a vuoto, sia del primario a 220 V sia quello a 320 V del secondario (che dovrebbe essere a posto) – e resistenza homica. Di che potenza sono i trasformatori?
Avatar utente
Foto UtenteStefanoSunda
2.880 3 6 10
Master
Master
 
Messaggi: 1962
Iscritto il: 16 set 2010, 19:29

0
voti

[15] Re: Trasformatore nucleo a C

Messaggioda Foto Utentegrab » 9 ago 2013, 10:47

No, il rame è a posto, la resistenza c'è sempre, in origine non erano neanche trattati, e come ho scritto nel primo post li ho disassemblati agevolmente quindi è rame smaltato, almeno a quello ci arrivo, poi ho provato a rimontarli e non andavano, e comunque prima di alimentarli controllo sempre la resistenza come nei vecchi, nel frattempo avevo già ordinato rame nuovo da Novarria nei due spessori citati, appena arrivato li ho assemblati come i vecchi e non funzionano anche riavvolti accuratamente, e comunque i due trasfo più grandi funzionano. E giro dopo giro mi sono pure giocato due bobine di rame nuovo.
Una delle ultime prove, come scritto, è stato alimentare il secondario e sul primario mi trovavo i 100v, freddo e non saturato. Non me lo spiego, mi chiedo solo se esista uno strumento per testarne l'integrità.
Ho fatto molte prove, sui vecchi nuclei non ho mai avuto problemi, li ho testati pure riavvolgendoli maccheronicamente per togliermi qualsiasi dubbio.
Per la potenza non saprei, non sono un tecnico, comunque la gola di ciascuna coppia è 15x43mm profondità 38mm, ma ho provato anche con avvolgimenti inferiori... nulla.
Avatar utente
Foto Utentegrab
20 2
New entry
New entry
 
Messaggi: 70
Iscritto il: 6 ago 2013, 10:38

0
voti

[16] Re: Trasformatore nucleo a C

Messaggioda Foto UtenteStefanoSunda » 9 ago 2013, 11:13

la resistenza c'è sempre

Bella questa! Al fine di definire i rapporti di trasformazione del trasformatore resistenza del primario/secondario, nonché del assorbimento, tra primario e secondario (quello di tensione e spire si sa già) volevo sapere se le mie convinzioni sono giuste; tu continui a dire che tutto è a posto, che la resistenza c’è sempre… ma quanto è.
Sei sicuro che il senso di avvolgimento della colonna sia uguale, ossia è destroso o sinistroso sia del primario/secondario? Altra cosa: Tu sei fossilizzato nel nucleo, se gli incastri sono giusti, va tutto bene; non esistono nuclei unidirezionali. Se vuoi aiuto, fai sapere ciò che ti ho chiesto.
Avatar utente
Foto UtenteStefanoSunda
2.880 3 6 10
Master
Master
 
Messaggi: 1962
Iscritto il: 16 set 2010, 19:29

0
voti

[17] Re: Trasformatore nucleo a C

Messaggioda Foto Utentegrab » 9 ago 2013, 11:25

Lo so che è bella... e per questo non mi metto a fare il preciso.
Ripeto che il tutto è comunciato perché due precedenti trasf li avevo manipolati a piacere, li ho riassemblati col rame nuovo e vecchio, cappottati e rigirati.
La questione è un'altra: ribadito che le prove le ho fatte tutte o quasi rimane il fatto che i vecchi funzionano, i grandi pure, anzi i grandi più rognosi perché essendo a colonna i rocchetti coprono il punto di contatto delle C, eppure corretti al primo accosatamento, questi invece nonostante abbia sperimentato tutte le possibili combinazioni a cominciare dalla originale posizione dei nuclei comunque rispettata, direzione degli avvolgimenti al numero delle spire allo spessore del rame al serraggio non ne vogliono sapere... c'ho scritto un romanzo.
In quelli vecchi ho pure provato a mischiare i nuclei: risultato? Beh... quasi quasi andavano bene.
Capisco che il formulario è ampio e la scienza è infinita, però c'è un punto dove anche un profano come me si rende conto che la questione non è più scientifica ma meccanica, credo che sti cosi mal sopportino essere smontati, so che mi sbaglio ma per ora non vedo altro.
Diciamo così: fornite le misure dei nuclei, quali dovrebbero esse i parametri di assemblaggio di un trasformatore tra spire e sezione?
Potenza e tensione a piacere del progettista, mi va bene tutto, tanto il lavoro sporco lo fa la bobinatrice.
Ovviamente ringrazio sempre per l'attenzione.
Avatar utente
Foto Utentegrab
20 2
New entry
New entry
 
Messaggi: 70
Iscritto il: 6 ago 2013, 10:38

0
voti

[18] Re: Trasformatore nucleo a C

Messaggioda Foto UtenteStefanoSunda » 9 ago 2013, 12:07

Una delle ultime prove, come scritto, è stato alimentare il secondario e sul primario mi trovavo i 100v, freddo e non saturato

Dovresti trovare 150 V, segno che l’avvolgimento primario ha qualcosa.
Avatar utente
Foto UtenteStefanoSunda
2.880 3 6 10
Master
Master
 
Messaggi: 1962
Iscritto il: 16 set 2010, 19:29

0
voti

[19] Re: Trasformatore nucleo a C

Messaggioda Foto Utentegrab » 9 ago 2013, 12:22

Precedentemente avevo scritto "oltre i 100v" se ricordo bene, e continuo a ribadire che non mi metto a fare certo il preciso tante sono le combinanzioni fatte, e so che a seconda dell'assemblaggio e spira più o meno possa cambiare, o anche una misurazione frettolosa, mi sta tutto bene e lo annovero fra i miei probabili errori, rimane il fatto però che il primario non è stato fatto una sola volta, e con gli altri funziona sempre questa modalità etc... ma soprattutto in questo caso il trasformatore funzionava perfettamente, silenzioso e freddo comunque.
Escludo corti tra gli avvolgimenti perché i rocchetti sono due, quindi isolati tra loro.
Ripeto che a questo punto non m'interessa neanche più sapere quale tensione o corrente ricavare, mi bastano dei dati precisi riguardo gli avvolgimenti perché per quanto riguarda i nuclei a C non ho trovato niente, a differenza dei lamellari, se non avessi sperimentato certe cose con quelli vecchi non vi avrei lanciato neanche uno sguardo.
Dimenticavo dire che ho anche ricavato dei dati con WinTrasfo, ovviamente approssimativi causa i nuclei a disposizione che WinTrasfo non contempla.
Se trovo certi dati, incluso senso delle spire calcolando che sono due rocchetti uno nell'altro, lo faccio con tutti i crismi e da lì vedrò se usarli o mangiarmeli :mrgreen:
Avatar utente
Foto Utentegrab
20 2
New entry
New entry
 
Messaggi: 70
Iscritto il: 6 ago 2013, 10:38

1
voti

[20] Re: Trasformatore nucleo a C

Messaggioda Foto UtenteIsidoroKZ » 10 ago 2013, 7:39

Puoi misurare l'induttanza di magnetizzazione? E magari anche l'induttanza che si ottiene con poche spire di filo sicuramente isolate messe sul nucleo senza gli altri avvolgimenti?
Per usare proficuamente un simulatore, bisogna sapere molta più elettronica di lui
Plug it in - it works better!
Il 555 sta all'elettronica come Arduino all'informatica! (entrambi loro malgrado)
Se volete risposte rispondete a tutte le mie domande
Avatar utente
Foto UtenteIsidoroKZ
121,2k 1 3 8
G.Master EY
G.Master EY
 
Messaggi: 21059
Iscritto il: 17 ott 2009, 0:00

PrecedenteProssimo

Torna a Macchine elettriche

Chi c’è in linea

Visitano il forum: Nessuno e 19 ospiti