Cos'è ElectroYou | Login Iscriviti

ElectroYou - la comunità dei professionisti del mondo elettrico

LKT ad una semplicissima maglia

Circuiti, campi elettromagnetici e teoria delle linee di trasmissione e distribuzione dell’energia elettrica

Moderatori: Foto Utenteg.schgor, Foto UtenteIsidoroKZ

0
voti

[1] LKT ad una semplicissima maglia

Messaggioda Foto UtenteArya89 » 16 ago 2013, 14:17

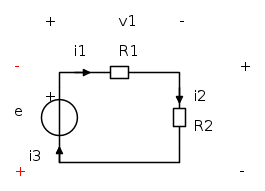
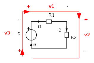
Salve ragazzi mi servirebbe un aiuto. Qualcuno può gentilmente dire i passaggi da seguire quando devo applicare la lkt ad una maglia? Cioè avendo questo semplice circuito:

I passi devono essere:
1) definire un verso ARBITRARIO per tensioni e correnti (il testo dice che è buona norma definire i versi seguendo una stessa convenzione per tutti i bipoli).
2) definire un verso arbitrario per la maglia
3) scrivere le lkt considerando col segno + le tensioni concordi col verso della maglia e col segno - il resto.
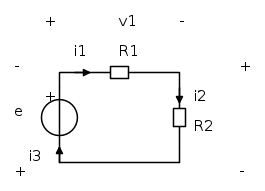
Ora se stabilisco la convenzione utilizzatore ho:

Ora mi chiedo:
1) potrei definire anche correnti con versi che non seguono tutti la stessa direzione?
2) la freccia delle tensioni per ogni bipolo va dal - al + o viceversa? come faccio a definire il segno se non so una "freccia" per le tensioni che andamento ha?
Sto facendo confusione e non riesco a darmi delle regole precise per scrivere le lkt e mi ritrovo a sbagliare il segno talvolta... :( QUalcuno può aiutarmi a dirmi uno schema da seguire???
Avatar utente
Foto UtenteArya89
80 5
Frequentatore
Frequentatore
 
Messaggi: 149
Iscritto il: 7 gen 2013, 10:54

1
voti

[2] Re: LKT ad una semplicissima maglia

Messaggioda Foto Utenteadmin » 16 ago 2013, 14:36

Arya89 ha scritto:1) potrei definire anche correnti con versi che non seguono tutti la stessa direzione?

Sì.
Per l'esempio che hai disegnato comunque ne basta una perché la corrente è unica, ma se proprio ti diverte metterne tre lo puoi fare. Completerai il sistema con le due equazioni i_1=i_2=i_3 se i versi sono concordi oppure, ad esempio, con i_1=-i_2=i_3 se i_2 è discorde dai_1 ed i_3.
Arya89 ha scritto:2) la freccia delle tensioni per ogni bipolo va dal - al + o viceversa? come faccio a definire il segno se non so una "freccia" per le tensioni che andamento ha?

Dal meno al più per tutti tranne che per i tedeschi, i quali scriveranno lkt con segni opposti a quelle di tutti gli altri, cosa che non cambia nulla dell'equazione.
Avatar utente
Foto Utenteadmin
196,6k 9 12 17
Manager
Manager
 
Messaggi: 11950
Iscritto il: 6 ago 2004, 13:14

0
voti

[3] Re: LKT ad una semplicissima maglia

Messaggioda Foto UtenteArya89 » 16 ago 2013, 14:57

Perfetto! Ora però il testo mi dà tale lkt:
v_1+v_2+v_3=0 (dove v3 sarebbe la tens del gdt ma questo lo vediamo dopo quando vi dico le equazioni caratteristiche dei singoli bipoli perché anche li ho qualche dubbio)
Mi chiedo: perché sono tutte positive? Se scelgo come verso della maglia quello orario mi troverei:
-v_1-v_2+v_3=0 ._.
Avatar utente
Foto UtenteArya89
80 5
Frequentatore
Frequentatore
 
Messaggi: 149
Iscritto il: 7 gen 2013, 10:54

1
voti

[4] Re: LKT ad una semplicissima maglia

Messaggioda Foto Utenteadmin » 16 ago 2013, 15:06

Arya89 ha scritto:Mi chiedo: perché sono tutte positive?

perché, scelto il verso di percorrenza orario entri sempre dal + o, vi esci sempre, se scegli l'antiorario. Quindi le tre tensioni rispetto al verso di percorrenza, hanno la stessa polarità
Avatar utente
Foto Utenteadmin
196,6k 9 12 17
Manager
Manager
 
Messaggi: 11950
Iscritto il: 6 ago 2004, 13:14

0
voti

[5] Re: LKT ad una semplicissima maglia

Messaggioda Foto UtenteGiovepluvio » 16 ago 2013, 15:09

Arya89 ha scritto:Mi chiedo: perché sono tutte positive?


Dipende dalla convenzione che hai scelto.



In particolare la tensione del generatore sarà negativa.
Il tuo ragionamento è corretto, l'inghippo è solo quello.

Edit: postato insieme ad Admin.
Avatar utente
Foto UtenteGiovepluvio
5.978 3 6 10
G.Master EY
G.Master EY
 
Messaggi: 2947
Iscritto il: 21 dic 2010, 1:10
Località: Mantova

0
voti

[6] Re: LKT ad una semplicissima maglia

Messaggioda Foto UtenteArya89 » 16 ago 2013, 15:21

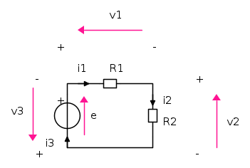
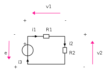
Ma io non devo considerare il circuito così:

E il segno delle 3 v non è determinato dela fatto di come la maglia inconta le frecce delle tensioni in rosa? cioè se sono concordi + mentre se sono discordi -?!? O forse devo guardare la corrente? Sto facendo confusione @_@
Avatar utente
Foto UtenteArya89
80 5
Frequentatore
Frequentatore
 
Messaggi: 149
Iscritto il: 7 gen 2013, 10:54

1
voti

[7] Re: LKT ad una semplicissima maglia

Messaggioda Foto Utenteadmin » 16 ago 2013, 15:23

Avatar utente
Foto Utenteadmin
196,6k 9 12 17
Manager
Manager
 
Messaggi: 11950
Iscritto il: 6 ago 2004, 13:14

0
voti

[8] Re: LKT ad una semplicissima maglia

Messaggioda Foto UtenteArya89 » 16 ago 2013, 15:30

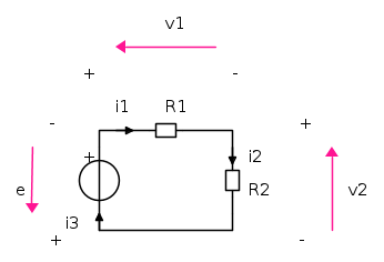
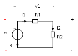
Scusate ho sbagliato la freccia del gdt che va verso l'alto!
Si lo so che v3=-e ma continuo a non capire come determinare i segni delle tensioni. Cioè cosa devo guardare per dire se una tensione è + o -? La maglia concorde alle frecce rosa o come entrano le correnti (dal + o dal -) nelle tensioni dei singoli bipoli..? Lasciando stare per il momento i segni delle singole equazioni caratterisitche di ogni bipolo...
Avatar utente
Foto UtenteArya89
80 5
Frequentatore
Frequentatore
 
Messaggi: 149
Iscritto il: 7 gen 2013, 10:54

0
voti

[9] Re: LKT ad una semplicissima maglia

Messaggioda Foto Utenteadmin » 16 ago 2013, 15:39

Arya89 ha scritto:[..]Cioè cosa devo guardare per dire se una tensione è + o -?

Come sono orientate le frecce rispetto al verso di percorrenza o come incontri i + secondo il verso di percorrenza che è la stessa, identica, medesima, uguale, cosa
Avatar utente
Foto Utenteadmin
196,6k 9 12 17
Manager
Manager
 
Messaggi: 11950
Iscritto il: 6 ago 2004, 13:14

0
voti

[10] Re: LKT ad una semplicissima maglia

Messaggioda Foto UtenteArya89 » 16 ago 2013, 15:46

perché se seguo l'uno o l'altro metodo otterrei due equazioni = ma di segno opposto giusto?
Cioè nel primo caso otterrei:
-v_1-v_2+v3=0
nel secondo caso otterrei:
v_1+v_2-v_3=0
Avatar utente
Foto UtenteArya89
80 5
Frequentatore
Frequentatore
 
Messaggi: 149
Iscritto il: 7 gen 2013, 10:54

Prossimo

Torna a Elettrotecnica generale

Chi c’è in linea

Visitano il forum: Nessuno e 41 ospiti