Cos'è ElectroYou | Login Iscriviti

ElectroYou - la comunità dei professionisti del mondo elettrico

Modiche frequenza e transistor inverter 12V

Elettronica lineare e digitale: didattica ed applicazioni

Moderatori: Foto Utentecarloc, Foto Utenteg.schgor, Foto UtenteBrunoValente, Foto UtenteIsidoroKZ

0
voti

[41] Re: Modiche frequenza e transistor inverter 12 V

Messaggioda Foto Utentemarco438 » 16 ago 2013, 15:56

pioppo ha scritto:Foto Utentemarco438 non è una cattiva idea, ma 35v sono troppi.

Ho precedentemente scritto:
marco438 ha scritto:Allora cerca qualcosa sul genere di questo


Io ho postato il primo che mi e' capitato, ma se ne trovano per tutte le tensioni.
Comunque posta tensioni e correnti che ti necessitano e vediamo di fare uno schema lineare con il valore dei componenti.
marco
Avatar utente
Foto Utentemarco438
37,1k 7 11 13
-EY Legend-
-EY Legend-
 
Messaggi: 16323
Iscritto il: 24 mar 2010, 15:09
Località: Versilia

0
voti

[42] Re: Modiche frequenza e transistor inverter 12 V

Messaggioda Foto Utentepioppo » 16 ago 2013, 16:02

Ok, la potenza erogata (nominale) alle casse su 4 ohm è di 68 watt più la massima dissipata a 4 ohm che è circa 50 watt, totale 120 watt di consumo Max per ampli. Tutto alimentato a 28 volt. Penso che la reale corrente assorbita in utilizzo normale dovrebbe essere sui 100 watt per ic, da delle misurazioni di qualche tempo fa. Il circuito di alimentazione deve poter erogare un Max in continuo di 200 watt a 28 volt. Dimenticavo la potenza di picco è di 135 watt per la botta secca mentre di circa 100 watt se continui a tirargli il collo, sempre a 28 volt.
Avatar utente
Foto Utentepioppo
5 3
 
Messaggi: 28
Iscritto il: 12 ago 2013, 0:42

0
voti

[43] Re: Modiche frequenza e transistor inverter 12 V

Messaggioda Foto UtenteCandy » 16 ago 2013, 17:03

Quindi 200W a 56V. Vediamo di progettarne uno facile dai.
Avatar utente
Foto UtenteCandy
32,5k 7 10 13
CRU - Account cancellato su Richiesta utente
 
Messaggi: 10123
Iscritto il: 14 giu 2010, 22:54

0
voti

[44] Re: Modiche frequenza e transistor inverter 12 V

Messaggioda Foto UtenteCandy » 17 ago 2013, 8:41

Foto UtenteBrunoValente ha scritto:Gli amplificatori non risentono delle variazioni della tensione di alimentazione DC dovute alle normali variazioni della tensione di rete, per questo non occorre stabilizzarla


Stabilizzare la continua serve anche a togliere il ripple dai condensatori di filtro, che altrimenti entrerebbe sull'amplificatore a 100 Hz. Con un convertitore DC-DC invece del regolatore analogico, si può limitare il numero di condensatori a monte ed ottenere una tensione in uscita molto più pulita, (dipende dal convertitore).

Diversamente, che livello di ripple di tensione sarebbe ammissibile per un impiantino un poco fedele?
Avatar utente
Foto UtenteCandy
32,5k 7 10 13
CRU - Account cancellato su Richiesta utente
 
Messaggi: 10123
Iscritto il: 14 giu 2010, 22:54

0
voti

[45] Re: Modiche frequenza e transistor inverter 12 V

Messaggioda Foto Utentepioppo » 17 ago 2013, 13:34

Una 60 mV di ripple non dovrebbe fargli niente. Sul datasheet alla voce Power Supply Rejection Ratio (dovrebbe essere il massimo ripple prima di avere effetti sulle casse, mi puoi dare conferma?) viene espresso in decibell 105 minimi tipici e 85 minimi limite.
Mentre alla voce Common Mode Rejection Ratio (sono i disturbi di modo comune?) espresso sempre in decibell 110 minimi tipici e 85 minimi limite.
Avatar utente
Foto Utentepioppo
5 3
 
Messaggi: 28
Iscritto il: 12 ago 2013, 0:42

0
voti

[46] Re: Modiche frequenza e transistor inverter 12 V

Messaggioda Foto UtenteBrunoValente » 17 ago 2013, 18:42

Candy ha scritto:... che livello di ripple di tensione sarebbe ammissibile per un impiantino un poco fedele?


Solitamente, nei normali amplificatori in classe AB controreazionati, il ripple non passa agli altoparlanti: sono essi stessi, per come sono fatti, una sorta di stabilizzatori dell'alimentazione. Praticamente la forma d'onda di uscita è del tutto indipendente dal valore della tensione di alimentazione, anche se questa varia rapidamente: il ripple puoi pensarlo come una rapida variazione del valore della tensione di alimentazione a 100Hz.

Per questo, anche negli amplificatori di una certa classe, normalmente non si usa stabilizzare la tensione. Sarebbe oltretutto uno spreco di potenza e di calore visto che servirebbe far cadere sui transistor regolatori una certa tensione.

Una regolazione switching sarebbe più efficiente ma rimane il fatto che comunque sarebbe una inutile complicazione.

Ovviamente il ripple passerebbe in uscita se il meccanismo della controreazione dell'amplificatore fallisse, cioè se l'ampiezza del segnale superasse i limiti ammessi e i finali saturassero..ma in quelle condizioni il ripple in uscita sarebbe l'ultimo dei problemi.

pioppo ha scritto:... Sul datasheet alla voce Power Supply Rejection Ratio (dovrebbe essere il massimo ripple prima di avere effetti sulle casse, mi puoi dare conferma?) viene espresso in decibell 105 minimi tipici e 85 minimi limite.

Infatti, a confermare quanto detto sopra, questo dato significa che il valore di tensione di ripple trasferito in uscita è meno di 1/10000 di quello sull'alimentazione.
Avatar utente
Foto UtenteBrunoValente
39,6k 7 11 13
G.Master EY
G.Master EY
 
Messaggi: 7796
Iscritto il: 8 mag 2007, 14:48

0
voti

[47] Re: Modiche frequenza e transistor inverter 12 V

Messaggioda Foto UtenteCandy » 17 ago 2013, 19:52

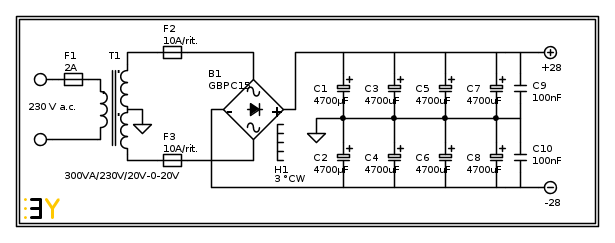
Allora questo potrebbe essere uno schema di riferimento per un alimentatore. Anche se a dire il vero volevo integrare un circuito di precarica condensatori.
Avatar utente
Foto UtenteCandy
32,5k 7 10 13
CRU - Account cancellato su Richiesta utente
 
Messaggi: 10123
Iscritto il: 14 giu 2010, 22:54

0
voti

[48] Re: Modiche frequenza e transistor inverter 12 V

Messaggioda Foto Utentepioppo » 17 ago 2013, 20:05

grazie, due domande. il circuito di pre carica dei condensatori, se non sbaglio, serve per evitare la botta sul trasformatore e sulla rete all'accensione, ed è un resistore ntc da 8/15 ohm, giusto? la seconda, i fusibili sul secondario del trasformatore non sarebbe meglio metterli dopo i condensatori? o almeno ho sempre fatto così utilizzando i ritardati sugli ampli, mentre sul primario quelli normali.
Avatar utente
Foto Utentepioppo
5 3
 
Messaggi: 28
Iscritto il: 12 ago 2013, 0:42

0
voti

[49] Re: Modiche frequenza e transistor inverter 12 V

Messaggioda Foto UtenteCandy » 17 ago 2013, 22:12

Io proteggerei i due rami di uscita del trasformatore, subito a valle di questo. I due avvolgimenti non sono a piena potenza ed il fusibile a monte sarebbe troppo grande per proteggere tutto, anche a valle, bene. Certo, bisognerebbe fare dei conti, che per ora ho bellamente trascurato, per verificare se un guasto su un ramo secondario del trasformatore sia adeguatamente protetto dal fusibile a monte.

La resistenza di precarica ha un valore adeguato al caso, e serve un circuito di successivo by-pass.
Con quel valore di capacità di filtro non è così indispensabile. Se a monte di tutto installerai un interruttore però meglio ricordarsi della corrente di spunto.
Avatar utente
Foto UtenteCandy
32,5k 7 10 13
CRU - Account cancellato su Richiesta utente
 
Messaggi: 10123
Iscritto il: 14 giu 2010, 22:54

0
voti

[50] Re: Modiche frequenza e transistor inverter 12 V

Messaggioda Foto Utentepioppo » 17 ago 2013, 23:40

Capito, per il fusibile faccio come dici tu. Per il trasformatore ho un problema, non riesco a trovare uno sui 300 W con secondario doppio a 20 volt.
Avatar utente
Foto Utentepioppo
5 3
 
Messaggi: 28
Iscritto il: 12 ago 2013, 0:42

PrecedenteProssimo

Torna a Elettronica generale

Chi c’è in linea

Visitano il forum: Nessuno e 401 ospiti