Cos'è ElectroYou | Login Iscriviti

ElectroYou - la comunità dei professionisti del mondo elettrico

Circuito di piccolo segnale

Elettronica lineare e digitale: didattica ed applicazioni

Moderatori: Foto Utentecarloc, Foto Utenteg.schgor, Foto UtenteBrunoValente, Foto UtenteIsidoroKZ

1
voti

[1] Circuito di piccolo segnale

Messaggioda Foto Utentethexeno » 17 ago 2013, 15:53

Ciao a tutti.
Avrei un dubbio su un circuito che dovrei risolvere.
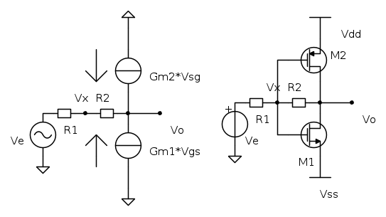
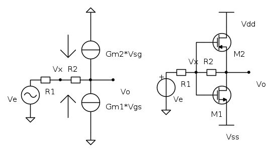
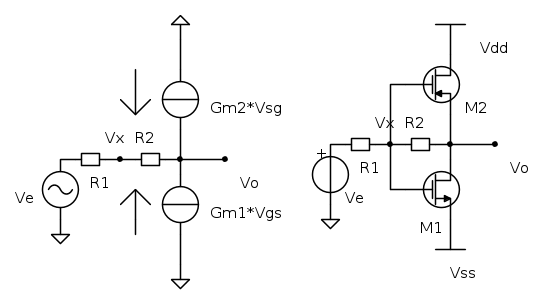
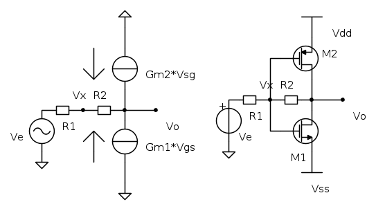
Il circuito in figura è uno di piccolo segnale di uno stadio reazionato da R2.



Risolvendo in tensione le due maglie (e ho provato anche con correnti al nodo di Vo) mi viene un'amplificazione di bassa frequenza pari a: \frac{Vo}{Ve}=\frac{(Gm1+Gm2)*R2 - 1}{(Gm1+Gm2)*R2}

Il fatto è che non mi sento affatto sicuro, qualcuno saprebbe correggermi?
Avatar utente
Foto Utentethexeno
235 5 9
Frequentatore
Frequentatore
 
Messaggi: 298
Iscritto il: 12 apr 2010, 18:28

5
voti

[2] Re: Circuito di piccolo segnale

Messaggioda Foto Utentecarloc » 17 ago 2013, 16:17

Direi che ci servirebbe di sapere dove sono i nodi g ed s in quello schema, nonché i versi dei due generatori controllati ;-)
Se ti serve il valore di beta: hai sbagliato il progetto!
Avatar utente
Foto Utentecarloc
33,8k 6 11 13
G.Master EY
G.Master EY
 
Messaggi: 2153
Iscritto il: 7 set 2010, 19:23

4
voti

[3] Re: Circuito di piccolo segnale

Messaggioda Foto UtenteIsidoroKZ » 17 ago 2013, 16:44

E potrebbe anche essere utile lo schema originale, con i transistori.
Per usare proficuamente un simulatore, bisogna sapere molta più elettronica di lui
Plug it in - it works better!
Il 555 sta all'elettronica come Arduino all'informatica! (entrambi loro malgrado)
Se volete risposte rispondete a tutte le mie domande
Avatar utente
Foto UtenteIsidoroKZ
121,2k 1 3 8
G.Master EY
G.Master EY
 
Messaggi: 21059
Iscritto il: 17 ott 2009, 0:00

1
voti

[4] Re: Circuito di piccolo segnale

Messaggioda Foto Utentethexeno » 17 ago 2013, 17:27

carloc ha scritto:Direi che ci servirebbe di sapere dove sono i nodi g ed s in quello schema, nonché i versi dei due generatori controllati ;-)


Ma che scemo, hai ragione.



Dovrebbe essere tutto.
Avatar utente
Foto Utentethexeno
235 5 9
Frequentatore
Frequentatore
 
Messaggi: 298
Iscritto il: 12 apr 2010, 18:28

5
voti

[5] Re: Circuito di piccolo segnale

Messaggioda Foto UtenteIsidoroKZ » 17 ago 2013, 17:37

M2 e` proprio un P collegato in quel modo?
Per usare proficuamente un simulatore, bisogna sapere molta più elettronica di lui
Plug it in - it works better!
Il 555 sta all'elettronica come Arduino all'informatica! (entrambi loro malgrado)
Se volete risposte rispondete a tutte le mie domande
Avatar utente
Foto UtenteIsidoroKZ
121,2k 1 3 8
G.Master EY
G.Master EY
 
Messaggi: 21059
Iscritto il: 17 ott 2009, 0:00

1
voti

[6] Re: Circuito di piccolo segnale

Messaggioda Foto Utentethexeno » 17 ago 2013, 17:40

IsidoroKZ ha scritto:M2 e` proprio un P collegato in quel modo?


Forse dopo 4 risposte comincio ad arrivare a formulare la domanda corretta. :oops:

Avatar utente
Foto Utentethexeno
235 5 9
Frequentatore
Frequentatore
 
Messaggi: 298
Iscritto il: 12 apr 2010, 18:28

9
voti

[7] Re: Circuito di piccolo segnale

Messaggioda Foto UtenteIsidoroKZ » 17 ago 2013, 18:27

Ok, ora ci siamo! I due MOS sono in parallelo, e quindi e` giusto che nel risultato ci sia sempre g_{m1}+g_{m2}. Pero` il risultato deve essere con segno negativo, visto che la configurazione e` a source comune, e il modulo del guadagno deve essere un po' minore di R2/R1.

Nella formula che hai trovato non compare R1 e questo non puo` essere giusto. Prova a pensare al caso R_1\to \infty se R1 si apre non arriva piu` segnale al circuito, che ha impedenza di ingresso non infinita, e quindi il guadagno deve andare a zero. E analogamente se R2 tende a infinito, non essendoci la r_0 dei MOS e nessun altro carico, il guadagno deve tendere a -\infty.

Per trovare il guadagno puoi usare tanti metodi, dipende da che cosa avete fatto a lezione. Ad esempio due nodi (Vu e Vx) oppure Rosenstark e guadagno asintotico, oppure Miller piu` o meno semplificato, oppure corrente di cortocircuito per impedenza di uscita...
Per usare proficuamente un simulatore, bisogna sapere molta più elettronica di lui
Plug it in - it works better!
Il 555 sta all'elettronica come Arduino all'informatica! (entrambi loro malgrado)
Se volete risposte rispondete a tutte le mie domande
Avatar utente
Foto UtenteIsidoroKZ
121,2k 1 3 8
G.Master EY
G.Master EY
 
Messaggi: 21059
Iscritto il: 17 ott 2009, 0:00

1
voti

[8] Re: Circuito di piccolo segnale

Messaggioda Foto Utentethexeno » 17 ago 2013, 19:18

Forse avevo fatto un errore di partizione, avevo usato due equazioni alle due maglie (da Ve al source, una per ogni generatore gm), mi son sbagliato sulla partizione per Vgs. Ma credo che ai nodi sia un po piu leggero e ho fatto come scritto sotto.

Allora io ho considerato la Vgs = -Vsg = Vx
Ai due nodi ho:

Nodo Vo
gm2*Vsg - gm1*Vgs +\frac{Vx-Vo}{R2}=0

Nodo Vx
\frac{Ve-Vx}{R1} = \frac{Vx-Vo}{R2}

E' corretto partire da queste 3 equazioni? Anzi, sono corrette? Io penso di no, visto che mi esce una soluzione non molto elegante... Perché appunto come dici tu, ci deve essere un qualcosa che somigli ad un rapporto R2/R1, cosa che non mi pare di vedere. Ma dopo ricontrollo meglio il tutto.
Avatar utente
Foto Utentethexeno
235 5 9
Frequentatore
Frequentatore
 
Messaggi: 298
Iscritto il: 12 apr 2010, 18:28

5
voti

[9] Re: Circuito di piccolo segnale

Messaggioda Foto UtenteIsidoroKZ » 17 ago 2013, 20:14

Si`, mi sembrano giuste. Puoi semplificarle usando subito g_{m1}+g_{m2} e il risultato viene una cosa del genere -\frac{(g_{m1}+g_{m2})R_2-1}{(g_{m1}+g_{m2})R_1+1} scritto un po' male, si puo` scrivere in forma piu` elegante :)
Per usare proficuamente un simulatore, bisogna sapere molta più elettronica di lui
Plug it in - it works better!
Il 555 sta all'elettronica come Arduino all'informatica! (entrambi loro malgrado)
Se volete risposte rispondete a tutte le mie domande
Avatar utente
Foto UtenteIsidoroKZ
121,2k 1 3 8
G.Master EY
G.Master EY
 
Messaggi: 21059
Iscritto il: 17 ott 2009, 0:00

1
voti

[10] Re: Circuito di piccolo segnale

Messaggioda Foto Utentethexeno » 18 ago 2013, 12:20

Grazie mille per l'incoraggiamento. :-) Non posso votare la tua risposta perché non ho abbastanza punti reputation :(

In ogni caso, a me viene: \frac{Vo}{Ve}=\frac{1-R2*Gm}{1-R1*Gm} dove Gm è la somma delle due transconduttanze.
Non è come il tuo, però ha una forma ragionevole, potrei aver sbagliato un segno o due, però nulla di grave ecco. :)
Avatar utente
Foto Utentethexeno
235 5 9
Frequentatore
Frequentatore
 
Messaggi: 298
Iscritto il: 12 apr 2010, 18:28

Prossimo

Torna a Elettronica generale

Chi c’è in linea

Visitano il forum: Nessuno e 315 ospiti