
LED su alimentatore
Moderatori:
carloc,
g.schgor,
BrunoValente,
IsidoroKZ
0
voti

"Non farei mai parte di un club che accettasse la mia iscrizione" (G. Marx)
-

claudiocedrone
21,3k 4 7 9 - Master EY

- Messaggi: 15302
- Iscritto il: 18 gen 2012, 13:36
0
voti
mir ha scritto:pertanto se la potenza assorbita risulta essere inferiore al valore indicato dal costruttore,e la temperatura ambiente in cui opera è compresa nello span indicato, il resistore funziona correttamente, pertanto non credo siano necessari sovradimensionamenti di potenza del resistore
Non vorrei iniziare una discussione sul sesso degli angeli, pero' qui si parla di temperatura del resistore.
Se non si vuole che il resistore raggiunga temperature elevate, per essendo entro i margini del suo pieno funzionamento, di deve dimensionare come indicato precedentemente.
Tralaltro, oltre una questione di temperatura all'interno di uno spazio in cui alloggeranno altri componenti, è anche , se vogliamo, meno energia dissipata inutilmente in calore.
-

rusty
4.075 2 9 11 - Utente disattivato per decisione dell'amministrazione proprietaria del sito
- Messaggi: 1578
- Iscritto il: 25 gen 2009, 13:10
0
voti
rusty ha scritto:Non vorrei iniziare una discussione sul sesso degli angeli..
non è il caso,
rusty ha scritto:qui si parla di temperatura del resistore.
per la verità,mi è parso di capire di dover dimensionare un resistore per un diodo led quale indicatore di presenza tensione,
rusty ha scritto:Se non si vuole che il resistore raggiunga temperature elevate,...
d'accordo,credo sia corretto dimensionare il valore di potenza dello stesso, assicurandosi che abbia un margine sufficiente a quella richiesta, ora se la potenza richiesta è di 0,615 W un resistore di potenza pari a 1 W soddisfa quanto dimensionato, certo se poi si vuole sovradimensionare passi per un resistore di 2 W, ma sovradimensionare ulteriormente mi sembra alquanto inutile,
rusty ha scritto:Tralaltro, oltre una questione di temperatura all'interno di uno spazio in cui alloggeranno altri componenti, è anche , se vogliamo, meno energia dissipata inutilmente in calore.
se ci fosse da considerare anche quest'aspetto, del quale non mi è sembrato leggere info/richieste, e se proprio questa potenza da dissipare diventi un elemento critico, considerando che questo diodo led ha solo funzioni di indicazione di presenza di tensione, non vedo perché non si possa limitare il valore di intensità di corrente di polarizzazione, in modo da limitare ulteriormente la potenza in gioco, ovviamente valutandone la fattibilità.
0
voti
Se ha secondario 15V - 0 - 15V, ossia se è a presa centrale, potresti per basse tensioni in uscita, commutare l'ingresso all'alimentatore su 15V. Con questo accorgimento avrai un duplice vantaggio: l'LM338 rientrerà entro le caratteristiche e si avrà una minore dissipazione di calore quando si prelevano basse tensioni.
A seconda della posizione del commutatore avrai così due portate in uscita, la prima circa 0-15V e la seconda circa 15V-32V. Per una ottima stabilizzazione anche per forti correnti consiglierei di non superare i 32/33V massimi.
PS: tieni presente che se ipotizziamo, con il secondario del trasformatore a 30V, una uscita dall'alimentatore di 3V ed un prellievo di 4A, la dissipazione in calore sull'integrato sarà di oltre 150W e, per grande che sia il dissipatore, l'integrato andrà in protezione.
Ultima modifica di
FedericoSibona il 18 ago 2013, 9:51, modificato 1 volta in totale.
-

FedericoSibona
5.022 3 5 8 - Master

- Messaggi: 3951
- Iscritto il: 19 mar 2013, 11:43
0
voti
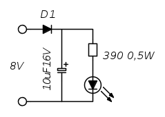
Il trasformatore che ho utilizzato fornisce 30V a 5A e sull'altro secondario 8V a 2A
0
voti
Non so se hai letto quanto abbiamo scritto in precedenza ma nel tuo alimentatore qualcosa non va.
Per prima cosa sarebbe utile sapere che uso ne farai, se deve essere a tensione fissa o variabile e quali tensioni e correnti vorresti ottenere; poi, se vuoi evitare che la resistenza del scaldi, mi pare tu abbia gia' avuto tutte le informazioni sufficienti.
In definitiva, quando si fanno domande, sarebbe bene spendere qualche parola in piu' per descrivere tutto quello che si vuole fare onde agevolare quanti rispondono e non costringerli ad ipotizzare..
Per prima cosa sarebbe utile sapere che uso ne farai, se deve essere a tensione fissa o variabile e quali tensioni e correnti vorresti ottenere; poi, se vuoi evitare che la resistenza del scaldi, mi pare tu abbia gia' avuto tutte le informazioni sufficienti.
In definitiva, quando si fanno domande, sarebbe bene spendere qualche parola in piu' per descrivere tutto quello che si vuole fare onde agevolare quanti rispondono e non costringerli ad ipotizzare..
marco
0
voti
Tutto il trantran fatto sul LED e relativa dissipazione sul resistore decade, puoi usare il secondario da 8V per accendere vantaggiosamente il LED spia dissipando meno, seppure con due componenti in più.
Se hai secondario da 30V non puoi fare quanto ti ho suggerito sopra.
Per non fare lavorare l'LM338 al limite ti consiglierei allora di limitare l'escursione verso il basso della tensione di uscita a 5-6V e questo puoi ottenerlo ponendo dei resistori di opportuno valore in serie al potenziometro (analogamente per limitare l'escursione massima a 32-33V come detto sopra).
Se hai secondario da 30V non puoi fare quanto ti ho suggerito sopra.
Per non fare lavorare l'LM338 al limite ti consiglierei allora di limitare l'escursione verso il basso della tensione di uscita a 5-6V e questo puoi ottenerlo ponendo dei resistori di opportuno valore in serie al potenziometro (analogamente per limitare l'escursione massima a 32-33V come detto sopra).
Ultima modifica di
FedericoSibona il 18 ago 2013, 10:45, modificato 1 volta in totale.
-

FedericoSibona
5.022 3 5 8 - Master

- Messaggi: 3951
- Iscritto il: 19 mar 2013, 11:43
0
voti
A parte il fatto che, secondo il mio parere, quel progetto e' completamente errato concettualmente, il led spia dovrebbe segnalare la presenza di tensione all'uscita del secondario a 30V; se si collega al secondario a 9V il led si accendera', la resistenza rimarra' fredda ma non saremo mai certi che al regolatore arrivi la tensione che gli necessita.
E allora che spia sarebbe?
E allora che spia sarebbe?
marco
0
voti
Sì, ma a parte un credo improbabile guasto al secondario da 30V o al ponte (se ben dimensionato), quando arriva tensione ad un secondario arriva anche all'altro.
Piuttosto sarebbe bene, se non c'è già, mettere un fusibile da 1A sul primario del trasformatore.
Piuttosto sarebbe bene, se non c'è già, mettere un fusibile da 1A sul primario del trasformatore.
-

FedericoSibona
5.022 3 5 8 - Master

- Messaggi: 3951
- Iscritto il: 19 mar 2013, 11:43
Chi c’è in linea
Visitano il forum: Majestic-12 [Bot] e 147 ospiti

Elettrotecnica e non solo (admin)
Un gatto tra gli elettroni (IsidoroKZ)
Esperienza e simulazioni (g.schgor)
Moleskine di un idraulico (RenzoDF)
Il Blog di ElectroYou (webmaster)
Idee microcontrollate (TardoFreak)
PICcoli grandi PICMicro (Paolino)
Il blog elettrico di carloc (carloc)
DirtEYblooog (dirtydeeds)
Di tutto... un po' (jordan20)
AK47 (lillo)
Esperienze elettroniche (marco438)
Telecomunicazioni musicali (clavicordo)
Automazione ed Elettronica (gustavo)
Direttive per la sicurezza (ErnestoCappelletti)
EYnfo dall'Alaska (mir)
Apriamo il quadro! (attilio)
H7-25 (asdf)
Passione Elettrica (massimob)
Elettroni a spasso (guidob)
Bloguerra (guerra)




