Ribadisco che io riportavo una fotografia di uno schema e stare li a rifarlo,visto che già c'è mi sembra sciocco.
Comunque,se mi date una mano,vorrei installare anch'io fidocadj.jar per poter riportare i disegni.
Costruzione interfaccia centralina auto
Moderatori:
carloc,
g.schgor,
BrunoValente,
IsidoroKZ
34 messaggi
• Pagina 2 di 4 • 1, 2, 3, 4
0
voti
andreagel ha scritto:Ribadisco che io riportavo una fotografia di uno schema e stare li a rifarlo,visto che già c'è mi sembra sciocco.
L'uso di fidocadj per gli schemi (ma gia' lo dovresti sapere visto che sei iscritto da molto tempo) non e' un capriccio perche' consente a quanti interverranno nel thread di apportare modifiche e correzioni allo schema
senza doverlo ridisegnare.
Le regole (le poche che esistono) ci sono e devono essere rispettate e tu, dall'inizio del thread, le hai ignorate quasi tutte; se poi la cosa ti sembra sciocca, puoi sempre pensare di rivolgerti altrove per l'aiuto che ti necessita.
marco
0
voti
andreagel ha scritto:Non capisco perché fidocadj.jar mi debba aprire Nokia Suite.
E' un errore di Nokia Suite, che considera che tutti i file .jar gli appartengono e quindi se li accaparra. Non mi ricordo se questo succeda sempre o soltanto se Java non è presente.
Verifica prima di tutto di avere Java installato sulla tua macchina:
http://www.java.com/it/download/
Dopodiché assicurati di lanciare fidocadj.jar con Java e non con altri software (dovrebbe essere abbastanza automatico). Puoi anche provare ad utilizzare l'installer di FidoCadJ per Windows, dato che mi pare di capire che tu utilizzi questo sistema operativo:
http://sourceforge.net/projects/fidocad ... e/download
In ogni caso, devi avere Java installato.
Follow me on Mastodon: @davbucci@mastodon.sdf.org
-

DarwinNE
31,0k 7 11 13 - G.Master EY

- Messaggi: 4420
- Iscritto il: 18 apr 2010, 9:32
- Località: Grenoble - France
0
voti
Marco,non ho detto che sono sciocche le regole. Infatte le ho seguite e dicono che l'allegato è un sistema per postare le foto.Inoltre ho cercato di installare fidocadj.jar ma ho avuto dei problemi e sto cercando di risolverli.
Aggiungo che è tanto che sono iscritto ma è anche tanto che non mi collegavo e nei miei precedenti collegamenti non ho mai postato foto o schemi,quindi bastava un po' più di pazienza e comprensione invece di accusarmi subito di essere un trasgressore inveterato di regole.
Comunque ringrazio tutti per l'aiuto.Ora cerco di seguire le istruzioni per scaricare ed usare fidocadj.jar.
Grazie.
Aggiungo che è tanto che sono iscritto ma è anche tanto che non mi collegavo e nei miei precedenti collegamenti non ho mai postato foto o schemi,quindi bastava un po' più di pazienza e comprensione invece di accusarmi subito di essere un trasgressore inveterato di regole.
Comunque ringrazio tutti per l'aiuto.Ora cerco di seguire le istruzioni per scaricare ed usare fidocadj.jar.
Grazie.
0
voti
andreagel ha scritto:.....quindi bastava un po' più di pazienza e comprensione invece di accusarmi subito di essere un trasgressore inveterato di regole.
Il mio primo richiamo e' dell'8/8; pensi che 14 giorni di pazienza siano troppo pochi?
marco
0
voti
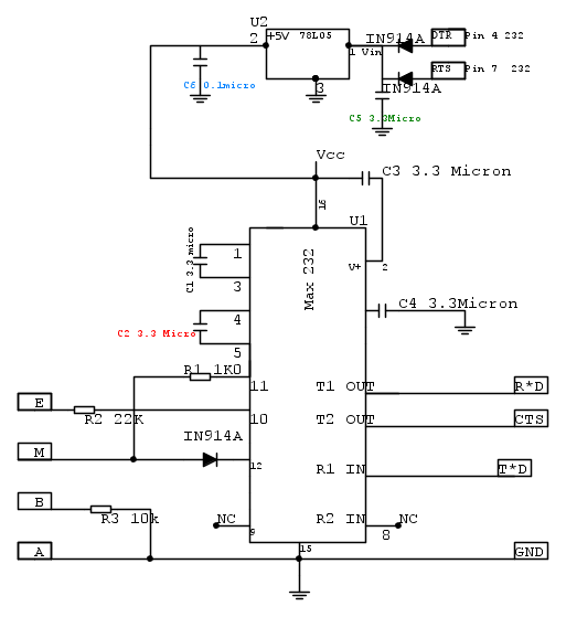
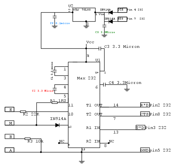
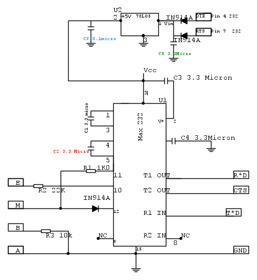
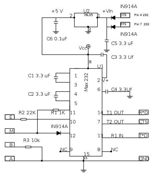
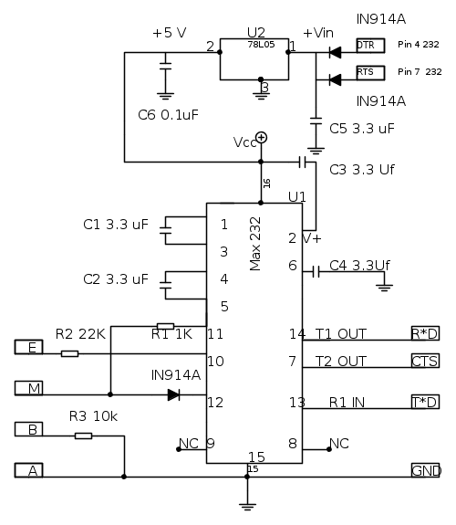
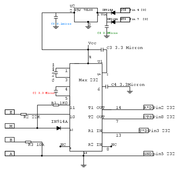
Darwin grazie dell'aiuto.Ho scaricato il programma, l'ho installato e poi ci prendo dimestichezza.Naturalmente io disegno il circuito così come è da schema che ho in cartaceo.
0
voti
Considerate che è la prima volta che uso cad.
0
voti
Scusate avevo dimenticato dei particolari.Scusate.
0
voti
Ma il dubbio qual è?
ho modificato i valori dei condensatori da te scritti in "micron" in "uF",e la piedinatura dell'IC,il size del testo per rederli piu' uniformi.
ho modificato i valori dei condensatori da te scritti in "micron" in "uF",e la piedinatura dell'IC,il size del testo per rederli piu' uniformi.
-

stefanob70
14,1k 5 11 13 - Master EY

- Messaggi: 3190
- Iscritto il: 14 lug 2012, 13:14
- Località: Roma
34 messaggi
• Pagina 2 di 4 • 1, 2, 3, 4
Chi c’è in linea
Visitano il forum: Nessuno e 38 ospiti

Elettrotecnica e non solo (admin)
Un gatto tra gli elettroni (IsidoroKZ)
Esperienza e simulazioni (g.schgor)
Moleskine di un idraulico (RenzoDF)
Il Blog di ElectroYou (webmaster)
Idee microcontrollate (TardoFreak)
PICcoli grandi PICMicro (Paolino)
Il blog elettrico di carloc (carloc)
DirtEYblooog (dirtydeeds)
Di tutto... un po' (jordan20)
AK47 (lillo)
Esperienze elettroniche (marco438)
Telecomunicazioni musicali (clavicordo)
Automazione ed Elettronica (gustavo)
Direttive per la sicurezza (ErnestoCappelletti)
EYnfo dall'Alaska (mir)
Apriamo il quadro! (attilio)
H7-25 (asdf)
Passione Elettrica (massimob)
Elettroni a spasso (guidob)
Bloguerra (guerra)




