Cos'è ElectroYou | Login Iscriviti

ElectroYou - la comunità dei professionisti del mondo elettrico

Stadio invertitore di fase

Elettronica lineare e digitale: didattica ed applicazioni

Moderatori: Foto Utentecarloc, Foto Utenteg.schgor, Foto UtenteBrunoValente, Foto UtenteIsidoroKZ

0
voti

[1] Stadio invertitore di fase

Messaggioda Foto UtenteHammondx » 23 ago 2013, 13:12

Ciao a tuti del forum! O_/
Sto dimensionando un amplificatore push-pull valvolare con delle 6550 e delle 12au7 (come stadi di ingresso, invertitore e driver); ho praticamente finito la parte di calcolo dei componenti mi manca solo di dimensionare il circuito invertitore di fase.
Il problema è che non ho mai utilizzato questo circuito prima d'ora e (non avendolo trattato a scuola) non ho idean di che ragionamenti bisogna fare per scegliere il carico corretto e, di conseguenza, dimensionare la Rk e la Ra, potreste aiutarmi ad arrivare a capo di questo problema (magari anche con spiegazione del perché si fanno certe scelte)?

PS:appena ho finito di mettere fidocadj su questo computer posto lo schema che voglio utilizzare
Avatar utente
Foto UtenteHammondx
478 2 11
Frequentatore
Frequentatore
 
Messaggi: 200
Iscritto il: 25 ago 2011, 14:36

1
voti

[2] Re: Stadio invertitore di fase

Messaggioda Foto UtenteHammondx » 23 ago 2013, 13:23

Avatar utente
Foto UtenteHammondx
478 2 11
Frequentatore
Frequentatore
 
Messaggi: 200
Iscritto il: 25 ago 2011, 14:36

9
voti

[3] Re: Stadio invertitore di fase

Messaggioda Foto Utentecarloc » 24 ago 2013, 8:33

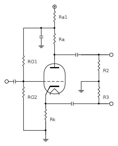
Beh direi che la base è:

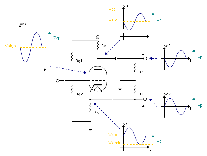
Rk=Ra

in questo modo il guadagno vale approssimativamente +1 visto al catodo e -1 visto all'anodo.
Approssimativamente perché il realtà quel circuito è molto meno "anti-simmetrico" di quello che sembra.
In effetti le espressioni dei due guadagni Va/Vg e Vk/Vg tendono ad essere uguali in modulo se Rk=Ra ma...

...ma l'uscita sull'anodo ha una resistenza interna circa uguale ad Rk. Invece vedendo nel catodo vedi 1/gm||Rk che tipicamente sarà molto minore dell'altra a causa della reazione di tensione presente. Visto dall'anodo invece abbiamo una reazione di corrente.
Poi c'è anche da dire che tutto ciò è vero nell'ipotesi di ra (resistenza differenziale di uscita della valvola) "infinita", ma è noto che questo non è molto vero con le valvole.

Si potrebbe tener conto di tutte queste differenze e, anche in base al carico visto (R2 e R3), fare i conti ma direi che normalmente non ne vale la pena. Differenze anche di svariati punti percentuali non portano a nessun problema, altrimenti che dire delle tolleranze dei componenti? Soprattutto le due finali a valle avranno caratteristiche di controllo simili, ma non identiche.
Solo fai R2,R3>>Ra e vivi felice.

Per i condensatori di accoppiamento non dovresti avere problemi, "tutto come al solito" ;-)

Poi la parte statica, partendo dall'ampiezza Vp necessaria a pilotare a pieno le due finali a valle devi polarizzare lo stadio per avere sufficiente caduta a riposo sia su Ra che su Rk per poter produrre le variazioni necessarie (aggiungerei con un bel margine).
Lo stesso vale per la Vak a riposo che dovrà essere in grado di variare per +/-2Vp volt rimanendo in linearità.

Nota che normalmente questo porta ad avere il catodo piuttosto "alto" rispetto lo zero volt. A questo punto per riuscire a polarizzare la valvola devi "alzare" anche la griglia con un partitore dall'alimentazione positiva altrimenti te la trovi interdetta.
Se ti serve il valore di beta: hai sbagliato il progetto!
Avatar utente
Foto Utentecarloc
33,8k 6 11 13
G.Master EY
G.Master EY
 
Messaggi: 2153
Iscritto il: 7 set 2010, 19:23

0
voti

[4] Re: Stadio invertitore di fase

Messaggioda Foto UtenteHammondx » 24 ago 2013, 17:23

Grazie per la completa ed esaustiva risposta :D
Mi rimane solo nu dubbio, la scelta della retta di carico la eseguo come al solito cercando la parte più lineare delle caratteristiche prendendo gli opportuni margini (come hai detto tu +/-2Vp)?

PS: per R2 ed R3 pensavo già di utilizzare dei resistori da 1M Ohm quindi non ci dovrebbero essere problemi rispetto ad Ra ho però un dubbio: la frequenza di taglio del filtro RC di disaccoppiamento non dovrebbe essere influenzata da Ra (o Rk) almeno secondo i miei calcoli, però simulando il circuito vedo che l'onda quadra alle frequenze basse (da 10 a circa 150 Hz) viene notevolmente deformata (ho fissato la frequenza di taglio a 5Hz), com'è possibile? ?%
Avatar utente
Foto UtenteHammondx
478 2 11
Frequentatore
Frequentatore
 
Messaggi: 200
Iscritto il: 25 ago 2011, 14:36

9
voti

[5] Re: Stadio invertitore di fase

Messaggioda Foto Utentecarloc » 24 ago 2013, 17:50

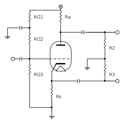
Sì direi che è la via giusta :ok: al limite se ne valuti l'opportunità puoi anche avere un grado di libertà in più, in un certo senso far finta di avere una alimentazione ad hoc proprio alla tensione che ti serve, "spezzando" in due Ra e con un bypass a metà


BTW è vero che parliamo di segnali nell'ordine delle decine di volt, ma questo aumenta anche la reiezione all'alimentazione, considera che tutto il rumore/ripple te lo trovi anche in griglia a meno del partitore RG1/RG2

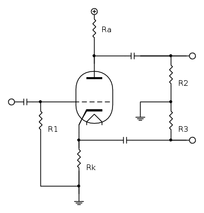
Altrimenti se non ti serve "spezzare" Ra puoi sempre fare un bias "pulito" così


R2/R3 da 1 Mohm potrebbero andare bene, che cosa hai a valle? in che classe di lavoro?

Per le costanti di tempo dei condensatori di accoppiamento se hai R2,R3>>Ra questa è dominata appunto da R2 e R3.
Con dei poli a 5Hz si assume che non ci siano distorsioni sopra i 50Hz, una decade. Altirmenti c'è la formula per il "tilt" della parte piatta dell'onda quadra, è semplice ma ora non ho tempo.

Comunque credo proprio che ciò che veramente limiterà la banda saranno i trasformatori....
Se ti serve il valore di beta: hai sbagliato il progetto!
Avatar utente
Foto Utentecarloc
33,8k 6 11 13
G.Master EY
G.Master EY
 
Messaggi: 2153
Iscritto il: 7 set 2010, 19:23

0
voti

[6] Re: Stadio invertitore di fase

Messaggioda Foto UtenteHammondx » 25 ago 2013, 10:21

mmh credo che opterò per la versione con il partitore sulla griglia e la Rg1 spezzata.
comunque lo stadio successivo è il driver delle finali (due 6550 in pushpull classe ab1) effettuato con due 12au7 in classe A.
Ho ancora un dubbio che mi perseguita: in teoria (e anche in pratica) il carico visto dall'alimentatore (che sarà possibilmente del tipo RC senza stabilizzazione) varia di molto, tenedo conto dello stadio finale varia anche di 4k Ohm, come posso ottenere una tensione sufficentemente costante tale da non scendere troppo sotto i 460V di progetto?
A me l'unica soluzione che viene in mente è quella di disporre grossi condensatori per sopperire ai picchi del segnale, ma non so se la soluzione è corretta o realmente utile allo scopo...
Avatar utente
Foto UtenteHammondx
478 2 11
Frequentatore
Frequentatore
 
Messaggi: 200
Iscritto il: 25 ago 2011, 14:36

8
voti

[7] Re: Stadio invertitore di fase

Messaggioda Foto Utentecarloc » 25 ago 2013, 11:26

Beh sai i condensatori sono in grado di "sostenere" un po' l'alimentazione ma lo possono fare solo per poche decine di millisecondi.... i realtà per i picchi della musica potrebbero anche essere sufficienti o comunque aiutare, non è facile da valutare sopratutto perché non si sa come è fatto il segnale in ingresso.

Se non sbaglio c'era un protocollo IHF qualcosa per il test degli amplificatori audio con dei burst standard... trovato :D http://www.hp64000.net/resources/Riviste_Elektor/Elektor_Giugno_1979_n1.pdf a pag.65

Comunque se vuoi una potenza media costante per un periodo "lungo" i condensatori non ce la possono fare... serve solo di (sovra)dimensionare l'alimentatore e/o progettare l'amplificatore che lavori correttamente con tutte le variazioni di Vcc che ti aspetti, eventualmente stabilizando l'alimentazione dei preamplificatori (anche se in tutta sincerità mi parrebbe una misura un po' eccessiva).

Come promesso il tilt...

approssimando i transitori esponenziali come lineari (T<<RC) si ottiene qualcosa tipo

\Delta v =\frac{T}{2RC}\,V_\text{p}

che permette di valutare il "tilt" della parte che dovrebbe essere orizzontale (eventualmente in percentuale) o anche invertendola, ti permette di calcolare dove mettere il polo data la distorsione ammessa.

Ma ancora non mi preoccuperei troppo, pensa al trasformatore :roll: ... e dimmi anche che chiuderai il tutto in reazione "globale" ingresso/uscita vero??? ;-)
Se ti serve il valore di beta: hai sbagliato il progetto!
Avatar utente
Foto Utentecarloc
33,8k 6 11 13
G.Master EY
G.Master EY
 
Messaggi: 2153
Iscritto il: 7 set 2010, 19:23

0
voti

[8] Re: Stadio invertitore di fase

Messaggioda Foto UtenteHammondx » 25 ago 2013, 12:59

Ma per l'alimentatore come potrei fare (avendo una variazione del carico da circa 600 Ohm a circa 4800 Ohm)?
Purtroppo gi alimentatori non gli abbiamo trattati a scuola...
Per quanto riguarda la retroazione non ho ancora deciso se metterla o non metterla di certo la farei di tensione per abbassare ancora un po' la resistenza di uscita ma visto che l'amplificatore verrà utilizzato con un organo hammond non ho bisogno che sia proprio perfetto in quanto a distorsioni
Avatar utente
Foto UtenteHammondx
478 2 11
Frequentatore
Frequentatore
 
Messaggi: 200
Iscritto il: 25 ago 2011, 14:36

1
voti

[9] Re: Stadio invertitore di fase

Messaggioda Foto Utentecarloc » 25 ago 2013, 14:52

Cosa intendi con variazione di carico in ohm?

Dicevi mi pare 440V e quindi Imin=440V/4800ohm=90mA e Imax=440V/600ohm=730mA?

Comunque con un "bel trasformatore" e ponte e filtro non dovresti avere grandi problemi a stare entro un -10% a pieno carico che mi pare ragionevole.

Per la reazione forse sarebbe meglio prendere la decisione, cambiano un bel po' le specifiche di progetto dei vari stadi...
Se ti serve il valore di beta: hai sbagliato il progetto!
Avatar utente
Foto Utentecarloc
33,8k 6 11 13
G.Master EY
G.Master EY
 
Messaggi: 2153
Iscritto il: 7 set 2010, 19:23

0
voti

[10] Re: Stadio invertitore di fase

Messaggioda Foto UtenteHammondx » 25 ago 2013, 15:11

No, pardon, ho sbagliato un calcolo, la Imax sarebbe di 350mA con una resistenza di carico minima di circa 1300 Ohm (la vcc è 460V ).
Se potessi posterei o schema con tutti i componenti ma è troppo grande (se vuoi posso provare a postarlo per parti).
Avatar utente
Foto UtenteHammondx
478 2 11
Frequentatore
Frequentatore
 
Messaggi: 200
Iscritto il: 25 ago 2011, 14:36

Prossimo

Torna a Elettronica generale

Chi c’è in linea

Visitano il forum: Nessuno e 45 ospiti