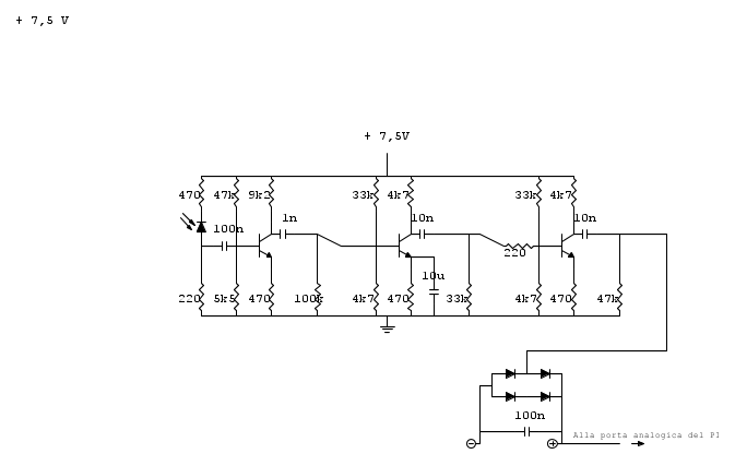
Lo stadio trasmettitore è costituito da un semplice LED IR che emette una frequenza di 60khz grazie a un PIC, per la precisione il PIERIN PIC18. Lo stadio ricevitore, quello che vi voglio presentare, è il seguente:
Gli NPN sono dei BC548A, i diodi raddrizzatori dei 1N4007.
Passiamo alle domande:
- Notate qualche errore di progettazione grossolano, o vi viene in mente qualche correzione che potrebbe migliorare l'efficienza del Sensore?
- Tre stadi di amplificazione forse sono troppi...secondo voi è possibile ottenere la stessa amplificazione con meno stadi, pensati meglio, risparmiando quindi spazio e componenti?
- Come potrei migliorare la distanza massima di ricezione? Aggiungendo un quarto stadio? Aumentando la tensione di alimentazione?
- Infine una curiosità: prima di aggiungere il terzo stadio leggevo, misurando nel nodo fra il C da 10n e la R da 33k, cioè sull'output del secondo stadio appena filtrato, una tensione alternata di circa 11V (la tensione continua pari a zero ovviamente). Com'è possibile questo se la tensione di alimentazione è solo di 7,5V ??
Va detto che il Sensore funziona decentemente e sono abbastanza soddisfatto, ma se avessi fatto qualche errore stupido che sta limitando la sua efficienza o se con qualche piccolo accorgimento potessi migliorarlo, ne sarei più che felice!


Elettrotecnica e non solo (admin)
Un gatto tra gli elettroni (IsidoroKZ)
Esperienza e simulazioni (g.schgor)
Moleskine di un idraulico (RenzoDF)
Il Blog di ElectroYou (webmaster)
Idee microcontrollate (TardoFreak)
PICcoli grandi PICMicro (Paolino)
Il blog elettrico di carloc (carloc)
DirtEYblooog (dirtydeeds)
Di tutto... un po' (jordan20)
AK47 (lillo)
Esperienze elettroniche (marco438)
Telecomunicazioni musicali (clavicordo)
Automazione ed Elettronica (gustavo)
Direttive per la sicurezza (ErnestoCappelletti)
EYnfo dall'Alaska (mir)
Apriamo il quadro! (attilio)
H7-25 (asdf)
Passione Elettrica (massimob)
Elettroni a spasso (guidob)
Bloguerra (guerra)




