Dopo riselezioni il testo del circuito che hai precedentemente copiato e clicchi sul pulsante fcd che trovi nella pulsantiera in alto e il gioco è fatto
Schemi con FidoCadJ
Moderatore:
webmaster
0
voti
[121] Re: Schemi con FidocadJ
Devi copiare il testo del circuito nel riquadro in cui scrivi il messaggio.
Dopo riselezioni il testo del circuito che hai precedentemente copiato e clicchi sul pulsante fcd che trovi nella pulsantiera in alto e il gioco è fatto
:
Dopo riselezioni il testo del circuito che hai precedentemente copiato e clicchi sul pulsante fcd che trovi nella pulsantiera in alto e il gioco è fatto
0
voti
[122] Re: Schemi con FidocadJ
forse non mi sono spiegato bene io,ma non mi fa copiare il testo già da Fidocadj con la funzione copia...lo evidendio ma quando clicco il tasto destro non succede nulla
0
voti
[123] Re: Schemi con FidocadJ
Non premere il tasto destro ma <ctrl-C>.
"La follia sta nel fare sempre la stessa cosa aspettandosi risultati diversi".
"Parla soltanto quando sei sicuro che quello che dirai è più bello del silenzio".
Rispondere è cortesia, ma lasciare l'ultima parola ai cretini è arte.
"Parla soltanto quando sei sicuro che quello che dirai è più bello del silenzio".
Rispondere è cortesia, ma lasciare l'ultima parola ai cretini è arte.
-

TardoFreak
73,9k 8 12 13 - -EY Legend-

- Messaggi: 15754
- Iscritto il: 16 dic 2009, 11:10
- Località: Torino - 3° pianeta del Sistema Solare
0
voti
[124] Re: Schemi con FidocadJ
Rgazzi non va...basta mi arrendo...
sono obbligato a cambiare sito x trovare una risposta
io nel topic che avevo aperto sto pomeriggio avevo inserito un link dove era presente un circuito di un alimentatore sul quale mi serve un supporto,ma il vostro moderatore me l'ha cancellato...
nn so cos'altro fare,,,
sono obbligato a cambiare sito x trovare una risposta
io nel topic che avevo aperto sto pomeriggio avevo inserito un link dove era presente un circuito di un alimentatore sul quale mi serve un supporto,ma il vostro moderatore me l'ha cancellato...
nn so cos'altro fare,,,
0
voti
[125] Re: Schemi con FidocadJ
Ma scusa come fai a dire che ti arrendi dopo neanche mezza giornata che sei qui su ElectroYou?
Ti abbiamo dato tutte le indicazioni necessarie per postare il disegno con FidoCadJ.
Che il topic sia stato rimosso è perché evidentemente non rispettava dei canoni minimi di decenza per permettere agli altri utenti di comprendere il topic e poterti aiutare.
Non devi perderti d'animo, a mio parere.
Posta il disegno con FidoCadJ come ti è stato suggerito. Apri un topic che sia leggibile senza immagini grandi come lenzuoli e spiega il tuo problema/richiesta e vedrai che riceverai un aiuto.
Poi ovviamente sei libero di fare le tue scelte.
Ti abbiamo dato tutte le indicazioni necessarie per postare il disegno con FidoCadJ.
Che il topic sia stato rimosso è perché evidentemente non rispettava dei canoni minimi di decenza per permettere agli altri utenti di comprendere il topic e poterti aiutare.
Non devi perderti d'animo, a mio parere.
Posta il disegno con FidoCadJ come ti è stato suggerito. Apri un topic che sia leggibile senza immagini grandi come lenzuoli e spiega il tuo problema/richiesta e vedrai che riceverai un aiuto.
Poi ovviamente sei libero di fare le tue scelte.
0
voti
[126] Re: Schemi con FidocadJ
Che cosa fare e` semplice: disegni il circuito con fidocadj, cosa che mi pare abbia gia` fatto.
Quando sei nella finestra di fidocad, schiacci CTRL-A (tasto control e poi A, senza lasciare il tasto CTRL nel frattempo), e tutto lo schema diventa verde, lo hai selezionato tutto.
Poi CTRL-C e il sistema operativo copia il listato dello schema nel buffer temporaneo.
Poi vai nella finestra dove stai scrivendo il messaggio, metti il cursore dove vuoi mettere lo schema e schiacci il pulsante fcd che e` sopra la finestra dove scrivi, appena prima del bottone "metacafe".
Nel testo compaiono due tag di questo genere [ fcd][ /fcd]. Metti il cursore fra i due tag, e fai CTRL-V: il sorgente del disegno compare fra i due tag, ed e` finito il lavoro.
Quando sei nella finestra di fidocad, schiacci CTRL-A (tasto control e poi A, senza lasciare il tasto CTRL nel frattempo), e tutto lo schema diventa verde, lo hai selezionato tutto.
Poi CTRL-C e il sistema operativo copia il listato dello schema nel buffer temporaneo.
Poi vai nella finestra dove stai scrivendo il messaggio, metti il cursore dove vuoi mettere lo schema e schiacci il pulsante fcd che e` sopra la finestra dove scrivi, appena prima del bottone "metacafe".
Nel testo compaiono due tag di questo genere [ fcd][ /fcd]. Metti il cursore fra i due tag, e fai CTRL-V: il sorgente del disegno compare fra i due tag, ed e` finito il lavoro.
Per usare proficuamente un simulatore, bisogna sapere molta più elettronica di lui
Plug it in - it works better!
Il 555 sta all'elettronica come Arduino all'informatica! (entrambi loro malgrado)
Se volete risposte rispondete a tutte le mie domande
Plug it in - it works better!
Il 555 sta all'elettronica come Arduino all'informatica! (entrambi loro malgrado)
Se volete risposte rispondete a tutte le mie domande
0
voti
[129] Re: Schemi con FidocadJ
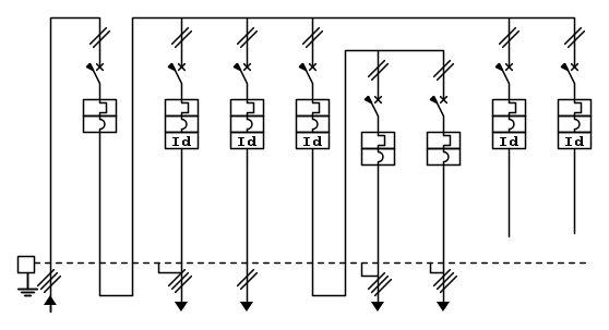
Forse è stato già chiesto, volevo chiedere se è possibile fare schemi unifilari per i quadri elettrici come dall' immagine allegata, o se già esiste qualcosa nella libreria.
Grazie.
Grazie.
- Allegati
-
- Schema-unifilare-quadro-elettrico.jpg (20.01 KiB) Osservato 5326 volte
-

gabrisav
1.852 2 4 7 - Expert EY

- Messaggi: 1711
- Iscritto il: 13 set 2015, 18:26
- Località: Borgosatollo (Bs)
3
voti
[130] Re: Schemi con FidoCadJ
gabrisav ha scritto:esiste qualcosa nella libreria.
Se ti riferisci alla possibilità di realizzare uno schema unifilare, come questa bozza ...
allora posso dirti, si esiste una libreria standard-impiantistica civile; ma non puoi certo realizzare una tabella come l'immagine che hai postato, a meno che tu non voglia realizzarti un qualcosa di simile personalizzandoti la libreria, il che è fattibile, ma non so se sia conveniente in termini di tempo/risultati ... dovrei provare per risponderti; quello che posso dirti che per certe realizzazioni esistono dei software o meglio cad specifici, pertanto credo tu debba valutare l'utilizzo di quello che chiedi.
Comunque FidoCadj è un software molto versatile, intuitivo e semplice da utilizzare, e qui in
Torna a Bollettino novità di ElectroYou
Chi c’è in linea
Visitano il forum: Nessuno e 0 ospiti

Elettrotecnica e non solo (admin)
Un gatto tra gli elettroni (IsidoroKZ)
Esperienza e simulazioni (g.schgor)
Moleskine di un idraulico (RenzoDF)
Il Blog di ElectroYou (webmaster)
Idee microcontrollate (TardoFreak)
PICcoli grandi PICMicro (Paolino)
Il blog elettrico di carloc (carloc)
DirtEYblooog (dirtydeeds)
Di tutto... un po' (jordan20)
AK47 (lillo)
Esperienze elettroniche (marco438)
Telecomunicazioni musicali (clavicordo)
Automazione ed Elettronica (gustavo)
Direttive per la sicurezza (ErnestoCappelletti)
EYnfo dall'Alaska (mir)
Apriamo il quadro! (attilio)
H7-25 (asdf)
Passione Elettrica (massimob)
Elettroni a spasso (guidob)
Bloguerra (guerra)







