elettronica2013 ha scritto:Vediamo che spiegazione riesci a fornirmi
Urca, (come preannunciato
Moderatori:
carloc,
g.schgor,
BrunoValente,
IsidoroKZ
e poi
significa che
ed
sono incorrelate poiché altrimenti ci sarebbe un fattore 2 che moltiplica le due correnti?
giusto?
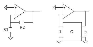
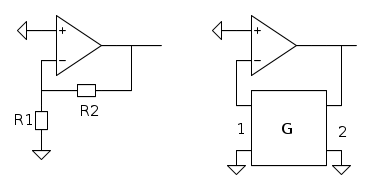
DirtyDeeds ha scritto:La spiegazione di brunovalente è sulla strada giusta, ma contiene un problema: il secondo amplificatore ha guadagno diverso dal primo...
DirtyDeeds ha scritto:Il fatto che il rumore generato dalla rete di retroazione sia equivalente a quello delle due resistenze in parallelo ha anche una risposta più, diciamo così, fondamentale, ovvero l'avremmo potuto affermare anche senza fare tutti i conti riportati sopra: qualcuno vuole provare a spiegare il perché?


elettronica2013 ha scritto:Ok grazie per la risposta dirty,volevo chiederti un paio di cose
1)quando scrivie poi
significa che
ed
sono incorrelate
e
sono scorrelate. Se fossero correlate, il risultato dipenderebbe dallo spettro mutuo.elettronica2013 ha scritto:2)Allo stesso risultato si sarebbe giunto anche col principio di sovrapposizione degli effetti,cioè si vede il rumore di uscita quando agiscono sepratemente i due generatori di rumore sui due resistori e poi riportando un generatore di rumore equivalente in ingresso sul pin non invertente dividendo il rumore di uscita pergiusto?
elettronica2013 ha scritto:3)avremmo potuto affermare anche senza fare tutti i conti riportati sopra..ok?mi arrendo mi dici come?
BrunoValente ha scritto:Ci provo... anche qui è solo una vocina di dentro a suggerire la risposta:
Le resistenze, per il rumore, sono di fatto in parallelo perché hanno entrambe un terminale collegato ad un punto a bassa resistenza verso il riferimento e l'altro terminale lo hanno in comune.
instead of
(Anonimo).
ain't
, right?
in lieu of
.
for
arithm.

RenzoDF ha scritto:Tanto per precisare, i voti negativi sono tutti miei.


instead of
(Anonimo).
ain't
, right?
in lieu of
.
for
arithm.


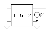
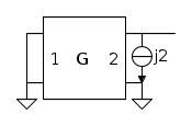
è, in effetti, sufficiente per affermare che il rumore generato dalla rete è equivalente a quello di una resistenza di tale valore. Bisogna, però, fare attenzione a un punto critico. Vediamo.
genera una tensione di rumore a vuoto
con densità spettrale
con densità spettrale
. In realtà, tale teorema ha una conseguenza diretta più forte: sulla base del secondo principio della termodinamica non è difficile dimostrare che qualunque rete puramente resistiva che presenti tra due terminali una resistenza equivalente pari a
, genera tra quei due terminali una tensione (risp. una corrente) di rumore con densità spettrale data dall'espressione sopra.

e
. Ora, guardiamo la rete di retroazione disconnessa dall'op amp: quando guardiamo la rete dalla porta 1, cortocircuitando la porta 2, vediamo una conduttanza equivalente pari a
, cioè il parallelo delle due resistenze di retroazione. Per il teorema di Johnson-Nyquist, possiamo modellare il rumore di questa situazione così:
ha densità

si trova in parallelo a un generatore ideale di tensione e non ha, quindi, effetto.
.
e
sono correlati
è dato da un teorema di Twiss [1] e vale
. Di questo dovremmo tenerne conto se volessimo modellare la rete con i parametri resistenza, perché in questo caso il secondo generatore non verrebbe annullato dall'uscita dell'op amp.
instead of
(Anonimo).
ain't
, right?
in lieu of
.
for
arithm.

Visitano il forum: Nessuno e 55 ospiti