Ciao a tutti, non trovo più la fonte ma ho letto che si può misurare l'impedenza di uscita di un preamplificatore ma serve un generatore di onde sinusoidali.
Diceva che per risparmiare si può usare un trasformatore 220 V - 5V anche meno. Al secondario collegare gli estremi di un potenziometro opportunamente dimensionato e prelevare dal piedino centrale il segnale dei 50hz e tensione regolabile dal potenziometro stesso! Questo segnale verrà poi inviato all'ingresso del pre, ma come lo collego? il segnale ok ma la massa?
Grazie!
Generatore onde sinusoidali 50hz da rete
Moderatore:
IsidoroKZ
5 messaggi
• Pagina 1 di 1
4
voti
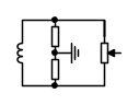
Puoi fare un circuito come questo
Tra il comune (GND) ed il cursore del potenziometro puoi ottenere
una tensione variabile fra 0 e metà della tensione al secondario
e puoi cambiare anche la fase.
Tra il comune (GND) ed il cursore del potenziometro puoi ottenere
una tensione variabile fra 0 e metà della tensione al secondario
e puoi cambiare anche la fase.
0
voti
Aggiungo anche il procedimento per misurare l'impedenza di uscita di un preamplificatore che non ho ancora provato, ma potrebbe servire.
Si collega il generatore suggerito da g.schgor all'ingresso del pre e si misura con un tester la tensione a vuoto all'uscita. Si collega ora un potenziometro da 100k come resistenza variabile e non come partitore. Si regola questo potenziometro fino a ottenere la metà della tensione rilevata a vuoto. Si scollega il potenziometro e si misura la sua resistenza, quella è l'impedenza di uscita del pre.
Si collega il generatore suggerito da g.schgor all'ingresso del pre e si misura con un tester la tensione a vuoto all'uscita. Si collega ora un potenziometro da 100k come resistenza variabile e non come partitore. Si regola questo potenziometro fino a ottenere la metà della tensione rilevata a vuoto. Si scollega il potenziometro e si misura la sua resistenza, quella è l'impedenza di uscita del pre.
4
voti
Il procedimento di misura va bene, ma 100kohm potrebbero essere troppi. L'impedenza di uscita di un preampli me la aspetto MOLTO piu` bassa, talvolta anche impossibile da misurare perche' sovraccarichi l'uscita che va in protezione prima di riuscire a vedere una caduta di tensione dovuta all'impedenza di uscita. Se invece il preampli ha in uscita una resistenza in serie, la si misura senza troppi problemi,
Inoltre la tensione di ingresso mettila piccola, altrimenti un preampli satura. Probabilmente bisogna aggiungere due resistenze allo schema di
g.schgor.
Indica la tensione di uscita del trasfo, la sensibilita` all'ingresso del preampli e l'impedenza di ingresso del preampli.
Inoltre la tensione di ingresso mettila piccola, altrimenti un preampli satura. Probabilmente bisogna aggiungere due resistenze allo schema di
Indica la tensione di uscita del trasfo, la sensibilita` all'ingresso del preampli e l'impedenza di ingresso del preampli.
Per usare proficuamente un simulatore, bisogna sapere molta più elettronica di lui
Plug it in - it works better!
Il 555 sta all'elettronica come Arduino all'informatica! (entrambi loro malgrado)
Se volete risposte rispondete a tutte le mie domande
Plug it in - it works better!
Il 555 sta all'elettronica come Arduino all'informatica! (entrambi loro malgrado)
Se volete risposte rispondete a tutte le mie domande
5 messaggi
• Pagina 1 di 1
Torna a Elettronica e spettacolo
Chi c’è in linea
Visitano il forum: Nessuno e 9 ospiti

Elettrotecnica e non solo (admin)
Un gatto tra gli elettroni (IsidoroKZ)
Esperienza e simulazioni (g.schgor)
Moleskine di un idraulico (RenzoDF)
Il Blog di ElectroYou (webmaster)
Idee microcontrollate (TardoFreak)
PICcoli grandi PICMicro (Paolino)
Il blog elettrico di carloc (carloc)
DirtEYblooog (dirtydeeds)
Di tutto... un po' (jordan20)
AK47 (lillo)
Esperienze elettroniche (marco438)
Telecomunicazioni musicali (clavicordo)
Automazione ed Elettronica (gustavo)
Direttive per la sicurezza (ErnestoCappelletti)
EYnfo dall'Alaska (mir)
Apriamo il quadro! (attilio)
H7-25 (asdf)
Passione Elettrica (massimob)
Elettroni a spasso (guidob)
Bloguerra (guerra)




