Grazie

Moderatori:
g.schgor,
IsidoroKZ







scusa ma la formula non mi dice quanti ampere consuma un condensatore

a Stella



. (Equilibrato significa che le tre impedenze sono uguali)
, cioè su ognuna delle impedenze, si trova invertendo la formula; quindi
, quindi
volte maggiore
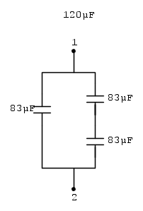
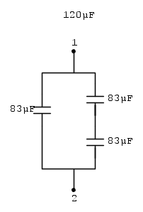
La tua batteria misura 248,8 microfarad stella, e a triangolo ogni condensatore è di 83 microfarad. La misura che hai fatto di 124,35 microfarad sui morsetti 1 e 2 è giusta perché devi considerare che hai misurato un condensatore con altri due in serie parallelo al primo.Ho misurato su tutti e tre i morsetti del condensatore 120 uF (1-2; 1-3; 2-3) pertanto il condensatore è da buttare oppure è ancora utilizzabile?


Torna a Elettrotecnica generale
Visitano il forum: Nessuno e 239 ospiti