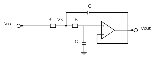
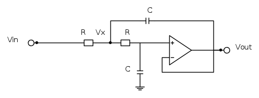
avrei bisogno di un aiuto per capire il funzionamento di questo circuito:

Dunque... a condensatori inizialmente scarichi, dando tensione Vin,sul morsetto invertente V- ho Vin e V+ ho 0; quindi Vout assume valore -Vin.
Quando il condensatore si è caricato V+ sale a Vin e V- è a 0; quindi Vout diventa Vin. Successivamente V- prende Vin e quindi Vout va a 0.....
E' esatta la disamina??
Chi mi corregge???
Grazieeeeeeee!!!!!!

Elettrotecnica e non solo (admin)
Un gatto tra gli elettroni (IsidoroKZ)
Esperienza e simulazioni (g.schgor)
Moleskine di un idraulico (RenzoDF)
Il Blog di ElectroYou (webmaster)
Idee microcontrollate (TardoFreak)
PICcoli grandi PICMicro (Paolino)
Il blog elettrico di carloc (carloc)
DirtEYblooog (dirtydeeds)
Di tutto... un po' (jordan20)
AK47 (lillo)
Esperienze elettroniche (marco438)
Telecomunicazioni musicali (clavicordo)
Automazione ed Elettronica (gustavo)
Direttive per la sicurezza (ErnestoCappelletti)
EYnfo dall'Alaska (mir)
Apriamo il quadro! (attilio)
H7-25 (asdf)
Passione Elettrica (massimob)
Elettroni a spasso (guidob)
Bloguerra (guerra)








pertanto si trova a tensione 




