Pensavo a qualcosa del genere:
Alimentare led a 220 V c.a.
Moderatori:
carloc,
g.schgor,
BrunoValente,
IsidoroKZ
31 messaggi
• Pagina 2 di 4 • 1, 2, 3, 4
0
voti
ciao si ho sbagliato ad usare il termine..le due serie sono in serie a due a due e poi a loro volta collegate in antiparallelo...
non volevo collegarli tutti e 4 in serie...perché se ne salta uno non me ne funzionano piu...e devo smontare il tutto e sostituirlo...
quindi mi trovo con il caso che hai scritto prima
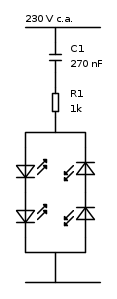
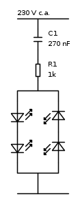
<<Infine se puoi mettere le due serie in antiparallelo fra di loro, non servono diodi raddrizzatori, non ci vogliono le resistenze in serie a ciascun ramo, ma la capacita` e` di nuovo "alta" 560nF.>>
non volevo collegarli tutti e 4 in serie...perché se ne salta uno non me ne funzionano piu...e devo smontare il tutto e sostituirlo...
quindi mi trovo con il caso che hai scritto prima
<<Infine se puoi mettere le due serie in antiparallelo fra di loro, non servono diodi raddrizzatori, non ci vogliono le resistenze in serie a ciascun ramo, ma la capacita` e` di nuovo "alta" 560nF.>>
Ultima modifica di
marco438 il 6 set 2013, 13:26, modificato 1 volta in totale.
Motivazione: Eliminato quoting inutile; usa il tasto rispondi
Motivazione: Eliminato quoting inutile; usa il tasto rispondi
0
voti
IsidoroKZ ha scritto:Se puoi mettere tutti e 4 i led in serie le cose vanno un po' meglio: con il ponte raddrizzatore basta un condensatore da 330nF
⋮ƎlectroYou
-

stefanob70
14,1k 5 11 13 - Master EY

- Messaggi: 3190
- Iscritto il: 14 lug 2012, 13:14
- Località: Roma
0
voti
Ed Rx da quanto dovrebbe essere??? Ohm??? Watt?
Grazie
Grazie
Ultima modifica di
marco438 il 6 set 2013, 13:27, modificato 1 volta in totale.
Motivazione: Eliminato quoting inutile; usa il tasto rispondi
Motivazione: Eliminato quoting inutile; usa il tasto rispondi
0
voti
Prendendo spunto dall'articolo di Isidoro:
(Vled) tensione del led che stai usando?
(Vled) tensione del led che stai usando?
⋮ƎlectroYou
-

stefanob70
14,1k 5 11 13 - Master EY

- Messaggi: 3190
- Iscritto il: 14 lug 2012, 13:14
- Località: Roma
0
voti
raffys88 ha scritto:non volevo collegarli tutti e 4 in serie...perché se ne salta uno non me ne funzionano piu...e devo smontare il tutto e sostituirlo...
Infatti è facile che brucino. Il condensatore lascia passare una corrente proporzionale alla derivata (pendenza nel grafico) della tensione. Se ci sono picchi di tensione sulla rete (o anche solo colleghi il circuito e in quel momento casualmente la tensione di rete passa per il massimo) la corrente sui LED è elevata.
Certo, se un LED brucia e diventa un corto gli altri continuano a far luce.
Ma se si apre blocca una semionda dell'alternata. Il condensatore C1 non può scaricarsi e quindi alla semionda successiva, essendo ancora carico, oppone la sua tensione a quella di rete e non passa corrente (spiegazione spannometrica). Quindi tutti e quattro i LED resterebbero spenti.
Se invece consideriamo i LED come componenti reali anziché ideali, dobbiamo tener conto che resistono a tensioni inverse intorno a soli 5 V. Quindi se un LED si apre, succederà che il ramo superstite verrà percorso da corrente inversa. Pur continuando ad accendersi, i suoi LED si surriscalderanno per la dissipazione dovuta alla corrente inversa e probabilmente bruceranno.
Io metterei i quattro LED in serie per minimizzare la corrente assorbita dalla rete, e ci costruirei intorno un circuito che assorba i transitori di accensione e i picchi, per minimizzare il rischio che i LED brucino.
Tutto questo l'ha magistralmente spiegato
Un esempio dei conti da fare si trova al paragrafo "Esempio di progetto" successivo alla fig. 9.
raffys88 ha scritto:Ed Rx da quanto dovrebbe essere??? Ohm??? Watt?
Grazie
Vedi formule 38 e 48 nell'articolo citato, e le avvertenze seguenti.
Big fan of ⋮ƎlectroYou! Ausili per disabili e anziani su ⋮ƎlectroYou
Caratteri utili: À È É Ì Ò Ó Ù α β γ δ ε η θ λ μ π ρ σ τ φ ω Ω º ª ² ³ √ ∛ ∜ ₀ ₁ ₂ ₃ ₄ ₅ ₆ ∃ ∄ ∆ ∈ ∉ ± ∓ ∾ ≃ ≈ ≠ ≤ ≥
Caratteri utili: À È É Ì Ò Ó Ù α β γ δ ε η θ λ μ π ρ σ τ φ ω Ω º ª ² ³ √ ∛ ∜ ₀ ₁ ₂ ₃ ₄ ₅ ₆ ∃ ∄ ∆ ∈ ∉ ± ∓ ∾ ≃ ≈ ≠ ≤ ≥
3
voti
Alcune osservazioni
Candy: perche' 560nF? Perche' ogni led rimane acceso solo per un semiperiodo su due e quindi la sua corrente media e` la meta`. Con un condensatore da 560nF e le due serie in antiparallelo la corrente media che circola in ogni diodo vale
.
La resistenza in serie, che si deve mettere per protezione, riduce questa corrente in modo inapprezzabile.
stefanob70: nel circuito del messaggio [13] stai cercando di far passare una corrente continua attraverso il condensatore! Almeno il condensatore va messo prima del ponte.
raffys88 considera quanto dice
GuidoB nel messaggio [17]. Se metti due serie in antiparallelo e un led si apre, gli altri due si illuminano poco e quasi di sicuro si bruciano, cosi` al posto di cambiare un led ne devi cambiare 2 o 3 
Se vuoi che anche rompendosi un led, sia che vada in corto che in aperto, gli altri due continuino ad accenderesi, il circuito e` questo
Gli zener devono avere una tensione appena maggiore della tensione dei led, da 6.8V a 12V va tutto bene. L'indicazione fase/neutro e` solo per sicurezza: se si toccano i reofori degli zener si ha almeno l'impedenza frmata da R1 e C1 fra dito e fase. Per i led ovviamente non cambia nulla anche scambiando il collegamento.
.La resistenza in serie, che si deve mettere per protezione, riduce questa corrente in modo inapprezzabile.
Se vuoi che anche rompendosi un led, sia che vada in corto che in aperto, gli altri due continuino ad accenderesi, il circuito e` questo
Gli zener devono avere una tensione appena maggiore della tensione dei led, da 6.8V a 12V va tutto bene. L'indicazione fase/neutro e` solo per sicurezza: se si toccano i reofori degli zener si ha almeno l'impedenza frmata da R1 e C1 fra dito e fase. Per i led ovviamente non cambia nulla anche scambiando il collegamento.
Per usare proficuamente un simulatore, bisogna sapere molta più elettronica di lui
Plug it in - it works better!
Il 555 sta all'elettronica come Arduino all'informatica! (entrambi loro malgrado)
Se volete risposte rispondete a tutte le mie domande
Plug it in - it works better!
Il 555 sta all'elettronica come Arduino all'informatica! (entrambi loro malgrado)
Se volete risposte rispondete a tutte le mie domande
0
voti
IsidoroKZ ha scritto:Alcune osservazionistefanob70: nel circuito del messaggio [13] stai cercando di far passare una corrente continua attraverso il condensatore! Almeno il condensatore va messo prima del ponte.
Mamma mia che errore madornale ho commesso!!!!

⋮ƎlectroYou
-

stefanob70
14,1k 5 11 13 - Master EY

- Messaggi: 3190
- Iscritto il: 14 lug 2012, 13:14
- Località: Roma
0
voti
Candy: perche' 560nF? Perche' ogni led rimane acceso solo per un semiperiodo su due e quindi la sua corrente media e` la meta`. Con un condensatore da 560nF e le due serie in antiparallelo la corrente media che circola in ogni diodo vale I_L=2fC(V_{pk}-V_{led})=2\times 50\text{Hz}\times 560\text{nF}\times 320\text{V}\approx 18\text{mA}.
Mi ha tratto in inganno una affermazione iniziale dell'OP, inducendomi a pensare che la corrente di LED fosse dell'ordine di 10 mA, per via della storia dei due rami in parallelo. Errore mio.
-

Candy
32,5k 7 10 13 - CRU - Account cancellato su Richiesta utente
- Messaggi: 10123
- Iscritto il: 14 giu 2010, 22:54
31 messaggi
• Pagina 2 di 4 • 1, 2, 3, 4
Chi c’è in linea
Visitano il forum: Nessuno e 116 ospiti

Elettrotecnica e non solo (admin)
Un gatto tra gli elettroni (IsidoroKZ)
Esperienza e simulazioni (g.schgor)
Moleskine di un idraulico (RenzoDF)
Il Blog di ElectroYou (webmaster)
Idee microcontrollate (TardoFreak)
PICcoli grandi PICMicro (Paolino)
Il blog elettrico di carloc (carloc)
DirtEYblooog (dirtydeeds)
Di tutto... un po' (jordan20)
AK47 (lillo)
Esperienze elettroniche (marco438)
Telecomunicazioni musicali (clavicordo)
Automazione ed Elettronica (gustavo)
Direttive per la sicurezza (ErnestoCappelletti)
EYnfo dall'Alaska (mir)
Apriamo il quadro! (attilio)
H7-25 (asdf)
Passione Elettrica (massimob)
Elettroni a spasso (guidob)
Bloguerra (guerra)







