Cos'è ElectroYou | Login Iscriviti

ElectroYou - la comunità dei professionisti del mondo elettrico

Ingresso ADC: diodi

Elettronica lineare e digitale: didattica ed applicazioni

Moderatori: Foto Utentecarloc, Foto Utenteg.schgor, Foto UtenteBrunoValente, Foto UtenteIsidoroKZ

0
voti

[1] Ingresso ADC: diodi

Messaggioda Foto Utenteraffamaiden » 7 set 2013, 14:20

Salve, mi sono trovato su una slide il seguente circuito da mettere in ingresso all'ADC

ingresso_adc.gif
ingresso_adc.gif (7.76 KiB) Osservato 8290 volte


-5V e +5V credo che sia la dinamica del segnale in ingresso, che viene applicato a sinistra. Mi sapreste spiegare qual è esattamente la funzione di questo circuito? Io ho trovato le seguenti condizioni per i diodi

v_{in} \le -0.7 \Rightarrow diodo sotto accesso, diodo sopra spento
-0.7 \le v_{in} \le 3.7 \Rightarrow entrmbi i diodi spenti
v_{in} \ge 3.7 \Rightarrow diodo sotto spento, diodo sopra accesso

ma non riesco a capirne la funzione, e non ho capito da dove saltano fuori i 3.2V e i -0.2V. A meno che non siano diodi "particolari" che si accendano a 0.2V di diretta anzichè dei classici 0.7V
Avatar utente
Foto Utenteraffamaiden
260 3 11
Frequentatore
Frequentatore
 
Messaggi: 105
Iscritto il: 15 mag 2011, 20:16

6
voti

[2] Re: ingresso ADC: diodi

Messaggioda Foto UtenteDirtyDeeds » 7 set 2013, 14:26

E' un circuito tosatore (clipper) che serve a proteggere un ingresso da sovratensioni. Se si usano diodi Schottky la caduta di tensione sui diodi può essere dell'ordine degli 0,2 V (al prezzo, però, di una maggiore corrente di polarizzazione inversa e, quindi, di una maggiore corrente di polarizzazione all'ingresso). Guarda p.es. anche questa discussione.
It's a sin to write sin instead of \sin (Anonimo).
...'cos you know that cos ain't \cos, right?
You won't get a sexy tan if you write tan in lieu of \tan.
Take a log for a fireplace, but don't take log for \logarithm.
Avatar utente
Foto UtenteDirtyDeeds
55,9k 7 11 13
G.Master EY
G.Master EY
 
Messaggi: 7012
Iscritto il: 13 apr 2010, 16:13
Località: Somewhere in nowhere

4
voti

[3] Re: ingresso ADC: diodi

Messaggioda Foto UtentePietroBaima » 7 set 2013, 14:36

però, Foto Utenteraffamaiden, dopo 2 anni di iscrizione (sei più anziano di me!) dovresti proprio sapere che gli schemi elettrici vanno postati con FidocadJ :!:

Per tua comodità, stavolta, te lo faccio io.

Ciao,
Pietro.

:mrgreen:

Generatore codice per articoli:
nomi
Sul forum:
[pigreco]=π
[ohm]=Ω
[quadrato]=²
[cubo]=³
Avatar utente
Foto UtentePietroBaima
90,7k 7 12 13
G.Master EY
G.Master EY
 
Messaggi: 12206
Iscritto il: 12 ago 2012, 1:20
Località: Londra

0
voti

[4] Re: ingresso ADC: diodi

Messaggioda Foto Utenteraffamaiden » 7 set 2013, 15:02

Grazie Foto UtenteDirtyDeeds. Una piccola domandina per vedere se ho ben capito.

Se la tensione di ingresso supera i 3.7V, supponiamo v{in}=5V, il diodo sopra si accede, fissa l'ingresso dell'ADC a 3.2V, e sul resistore di sinistra cadono 2.2V? E la corrente che si genera si ripartisce tra la resistenza differenziale del diodo r_D = \frac{V_{\text{termica}}}{i_D} e quella in ingresso all'ADC?


Foto UtentePietroBaima lol :lol:

Comunque non ho messo lo schema in FidoCad perché sinceramente non l'avevo capito, per esempio disegnati cosi quei diodi sembravano normali giunzioni pn, non Schottky. A meno che qualcuno non mi voglia modificare lo schema per migliorarlo, nel qual caso corro :mrgreen:
Ultima modifica di Foto Utenteraffamaiden il 7 set 2013, 15:26, modificato 1 volta in totale.
Avatar utente
Foto Utenteraffamaiden
260 3 11
Frequentatore
Frequentatore
 
Messaggi: 105
Iscritto il: 15 mag 2011, 20:16

0
voti

[5] Re: ingresso ADC: diodi

Messaggioda Foto Utentesimo85 » 7 set 2013, 15:17

Potresti anche attenuare il segnale ed implementare un circuito di regolazione di offset.

O_/
Avatar utente
Foto Utentesimo85
30,9k 7 12 13
Disattivato su sua richiesta
 
Messaggi: 9927
Iscritto il: 30 ago 2010, 4:59

0
voti

[6] Re: ingresso ADC: diodi

Messaggioda Foto Utenteraffamaiden » 7 set 2013, 15:22

simo85 ha scritto:Potresti anche attenuare il segnale ed implementare un circuito di regolazione di offset.


Intendi ridurre il segnale in ampiezza e poi aggiungerci una continua?

Da quello che mi ha spiegato Foto UtenteDirtyDeeds il segnale è già "giusto" per la dinamica dell'ADC.
Il problema che, per quel che ho capito, questo circuito risolve sarebbe quello di non fare arrivare troppo tensione/corrente all'ADC se a causa di un guasto la tensione in ingresso eccede certi valori.
Avatar utente
Foto Utenteraffamaiden
260 3 11
Frequentatore
Frequentatore
 
Messaggi: 105
Iscritto il: 15 mag 2011, 20:16

3
voti

[7] Re: ingresso ADC: diodi

Messaggioda Foto UtentePietroBaima » 7 set 2013, 15:35

alura:

  1. Indipendentemente dal fatto che li schemi li capisca o no li posto sempre in fidocadj comunque, anyway...
  2. La corrente non si genera, se la tensione di ingresso supera positivamente la tensione alla quale è posto il catodo del diodo (Vcc, in questo caso) più la sua tensione di soglia (che in realtà non esiste e viene assunta convenzionalmente dalle parti di 0.2 V-0.4 V per uno Schottky) allora si mette a scorrere una corrente (che è la stessa, che percorre la resistenza di ingresso e il diodo) pari a:

    I=\frac{V_i-V_{cc}-V_\gamma}{R}

    dove V_i è la tensione di ingresso, V_{cc} è la tensione posta ai catodo del diodo e V_\gamma è la tensione di soglia del diodo.
    In questo caso il modello del diodo è quello di un generatore di tensione ideale, per cui il modello non comprende alcuna resistenza differenziale, che invece vale per piccoli segnali applicati all'ingresso e fa parte di un modello completamente diverso.
    In realtà, giusto per complicare le cose un pochetto, se volessimo fare davvero i pignoli, potremmo considerare una piccola resistenza in serie al diodo. E' la resistenza parassita delle metallizzazioni, dei fili di contatto e del semiconduttore p ed n del diodo stesso (o solo uno dei due se il diodo è schottky). In genere però la si trascura perché la resistenza di limitazione esterna (cioè quella posta tra V_i e ingresso dell'ADC) è solitamente molto più grande.
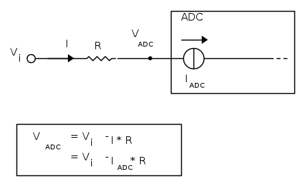
  3. Se tu volessi, infine, considerare la corrente di ingresso dell'ADC potresti modellarlo come un generatore di corrente e, alla luce di quanto ti ho detto finora, vedere che la corrente in ingresso non cambia:



Ciao,
Pietro.
Generatore codice per articoli:
nomi
Sul forum:
[pigreco]=π
[ohm]=Ω
[quadrato]=²
[cubo]=³
Avatar utente
Foto UtentePietroBaima
90,7k 7 12 13
G.Master EY
G.Master EY
 
Messaggi: 12206
Iscritto il: 12 ago 2012, 1:20
Località: Londra

0
voti

[8] Re: ingresso ADC: diodi

Messaggioda Foto Utentesimo85 » 7 set 2013, 15:59

raffamaiden ha scritto:Intendi ridurre il segnale in ampiezza e poi aggiungerci una continua?

No.

I diodi all'ingresso sono diodi di protezione da sovratensione positiva e negativa, come già detto, "clippano" il segnale.

Intendo attenuare il segnale e regolare l'offset.

Si tratta di un esercizio o un progetto?
Avatar utente
Foto Utentesimo85
30,9k 7 12 13
Disattivato su sua richiesta
 
Messaggi: 9927
Iscritto il: 30 ago 2010, 4:59

0
voti

[9] Re: ingresso ADC: diodi

Messaggioda Foto Utenteraffamaiden » 7 set 2013, 16:13

Foto UtentePietroBaima grazie della risposta, scusa se il linguaggio può risultare un po' contorto a volte.

1) Per la resistenza in serie al diodo, il segnale che applico in ingresso fa variare la tensione diretta applicata ai diodi, essendo applicato sul catodo del diodo sopra e sull'anodo di quello sotto. Una volta che il diodo è accesso, e quindi sono nella parte "in salita" della curva esponenziale I_{diodo}(V_{diretta}), posso adottare o il modello che prevede una retta a pendenza infinita messa nella tensione di soglia, oppure una retta che abbia come pendenza la r_D di prima (che è proprio la derivata della tensione diretta rispetto alla corrente)

E' una pignoleria, voglio capire se è completamente sbagliato metterci "su segnale" una r_D al posto del diodo o se stiamo usando due modelli diversi per il diodo (tu su segnale e con diodo acceso metteresti un corto giusto? ad indicare che la tensione li non varia rispetto alla polarizzazione)

2) Ma quindi, se l'ADC si modellizza come generatore di corrente costante, devo tenere conto della caduta su R giusto? Intendo, nello stadio di amplificazione prima dell'ADC



Foto Utentesimo85 è un'esercitazione svolta in classe
Avatar utente
Foto Utenteraffamaiden
260 3 11
Frequentatore
Frequentatore
 
Messaggi: 105
Iscritto il: 15 mag 2011, 20:16

2
voti

[10] Re: ingresso ADC: diodi

Messaggioda Foto UtentePietroBaima » 7 set 2013, 16:36

raffamaiden ha scritto:Foto UtentePietroBaima grazie della risposta, scusa se il linguaggio può risultare un po' contorto a volte.


figurati! il mio lo è spesso di più.

raffamaiden ha scritto:1) Per la resistenza in serie al diodo, il segnale che applico in ingresso fa variare la tensione diretta applicata ai diodi, essendo applicato sul catodo del diodo sopra e sull'anodo di quello sotto. Una volta che il diodo è accesso, e quindi sono nella parte "in salita" della curva esponenziale I_{diodo}(V_{diretta}), posso adottare o il modello che prevede una retta a pendenza infinita messa nella tensione di soglia, oppure una retta che abbia come pendenza la r_D di prima (che è proprio la derivata della tensione diretta rispetto alla corrente)


Il modello che considera il diodo come una resistenza differenziale fa riferimento al piccolo segnale, cioè un segnale che varia poco intorno ad un punto di lavoro.
Ovviamente lo puoi considerare anche per questo circuito, ma il risultato non sarebbe utile perché troveresti il comportamento del circuito intorno alla tensione clippata. In quella regione non ci interessa tanto capire cosa faccia il segnale, ci interessa invece proteggere l'ingresso dell'ADC.


raffamaiden ha scritto:E' una pignoleria, voglio capire se è completamente sbagliato metterci "su segnale" una r_D al posto del diodo o se stiamo usando due modelli diversi per il diodo (tu su segnale e con diodo acceso metteresti un corto giusto? ad indicare che la tensione li non varia rispetto alla polarizzazione)


per il segnale metterei tranquillamente un corto, perché non mi interessa studiare cosa fa il segnale in quel caso stante la perdita di informazione causata dal clipping sul segnale.

raffamaiden ha scritto:2) Ma quindi, se l'ADC si modellizza come generatore di corrente costante, devo tenere conto della caduta su R giusto? Intendo, nello stadio di amplificazione prima dell'ADC


Se il clipper non interviene certamente la devi considerare. In generale considerarla aiuta a progettare un valore massimo di R oltre il quale la caduta di tensione su R diventa inaccettabile per la conversione (in genere la corrente assorbita dall'ADC è conosciuta in modo approssimativo, e quindi fonte di errore)

Ciao,
Pietro.
Generatore codice per articoli:
nomi
Sul forum:
[pigreco]=π
[ohm]=Ω
[quadrato]=²
[cubo]=³
Avatar utente
Foto UtentePietroBaima
90,7k 7 12 13
G.Master EY
G.Master EY
 
Messaggi: 12206
Iscritto il: 12 ago 2012, 1:20
Località: Londra

Prossimo

Torna a Elettronica generale

Chi c’è in linea

Visitano il forum: Google Adsense [Bot] e 241 ospiti