Cos'è ElectroYou | Login Iscriviti

ElectroYou - la comunità dei professionisti del mondo elettrico

Aiuto verifica componenti SMD

Elettronica lineare e digitale: didattica ed applicazioni

Moderatori: Foto Utentecarloc, Foto Utenteg.schgor, Foto UtenteBrunoValente, Foto UtenteIsidoroKZ

0
voti

[1] Aiuto verifica componenti SMD

Messaggioda Foto Utentemachopicho » 11 set 2013, 20:21

Salve forum,
questo post è strettamente collegato al post "Shema mantenitore di carica batteria" per chiedere a qualche esperto di parti SMD una verifica sul tipo di componente.
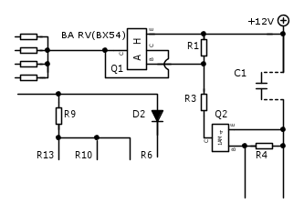
Dunque, nella parte di circuito seguente:

c'è montato BJT il cui marking code è AH (pnp) mentre sulla basetta vicino ad esso è riportata questa sigla: BA RV(BX54) che invece identifica un BJT npn. Per verifica ho riportato i 2 datasheets:
Immagine
Ors vi chiedo: io ho ritenuto che il BJT fosse pnp ed ho ricercato un componente discreto pnp... è stata la scelta giusta oppure no?
Sta di fatto che il PCB realizzato non funziona...
Grazie a tutti! :-)

Saluti
Avatar utente
Foto Utentemachopicho
16 7
Frequentatore
Frequentatore
 
Messaggi: 114
Iscritto il: 11 feb 2013, 19:29

0
voti

[2] Re: Aiuto verifica componenti SMD

Messaggioda Foto UtenteANDREA2013 » 11 set 2013, 20:28

machopicho ha scritto:Ora vi chiedo: io ho ritenuto che il BJT fosse pnp ed ho ricercato un componente discreto pnp... è stata la scelta giusta oppure no?

sì, è giusta :ok:

machopicho ha scritto:Sta di fatto che il PCB realizzato non funziona...

te l'ho già detto nell'altra discussione, secondo me il problema non sta lì ma è a monte,
te lo dicono pure i LED ;-)
Avatar utente
Foto UtenteANDREA2013
887 3 6
Utente disattivato per decisione dell'amministrazione proprietaria del sito
 
Messaggi: 710
Iscritto il: 16 lug 2013, 21:30

0
voti

[3] Re: Aiuto verifica componenti SMD

Messaggioda Foto UtenteANDREA2013 » 11 set 2013, 20:31

però non aprire nuove discussioni sullo stesso argomento, così facendo fai solo confusione O_/
Avatar utente
Foto UtenteANDREA2013
887 3 6
Utente disattivato per decisione dell'amministrazione proprietaria del sito
 
Messaggi: 710
Iscritto il: 16 lug 2013, 21:30

0
voti

[4] Re: Aiuto verifica componenti SMD

Messaggioda Foto Utentemachopicho » 11 set 2013, 20:36

...non so più che pesci pigliare...
Ho ricontrollato anche il PCB ed è giusto...
Se sta a monte l'unico malfunzionamento che mi viene in mente è l'operazionale ossia, la Vout sul led di scarica è alta quando invece dovrebbe essere bassa.
Potrebbe essere difettato?
Avatar utente
Foto Utentemachopicho
16 7
Frequentatore
Frequentatore
 
Messaggi: 114
Iscritto il: 11 feb 2013, 19:29

0
voti

[5] Re: Aiuto verifica componenti SMD

Messaggioda Foto Utentemachopicho » 11 set 2013, 20:38

ANDREA2013 ha scritto:però non aprire nuove discussioni sullo stesso argomento, così facendo fai solo confusione O_/

Sì scusa, hai ragione.
Ma nell'altro post non mi hai dato una risposta chiara su questo aspetto :-)
Avatar utente
Foto Utentemachopicho
16 7
Frequentatore
Frequentatore
 
Messaggi: 114
Iscritto il: 11 feb 2013, 19:29

0
voti

[6] Re: Aiuto verifica componenti SMD

Messaggioda Foto UtenteANDREA2013 » 11 set 2013, 20:39

a sto punto dovresti postarci le foto della scheda, lato comp e lato sald. Probabilmente ti è sfuggito qualcosa ;-)
Avatar utente
Foto UtenteANDREA2013
887 3 6
Utente disattivato per decisione dell'amministrazione proprietaria del sito
 
Messaggi: 710
Iscritto il: 16 lug 2013, 21:30

0
voti

[7] Re: Aiuto verifica componenti SMD

Messaggioda Foto UtenteANDREA2013 » 11 set 2013, 20:40

machopicho ha scritto:Ma nell'altro post non mi hai dato una risposta chiara su questo aspetto :-)

e come facevo? io devo vedere bene prima di dire ;-)
Avatar utente
Foto UtenteANDREA2013
887 3 6
Utente disattivato per decisione dell'amministrazione proprietaria del sito
 
Messaggi: 710
Iscritto il: 16 lug 2013, 21:30

0
voti

[8] Re: Aiuto verifica componenti SMD

Messaggioda Foto Utentemachopicho » 11 set 2013, 20:47

Ok, posso farlo... appena riesco le faccio e le posto. ;-)
Avatar utente
Foto Utentemachopicho
16 7
Frequentatore
Frequentatore
 
Messaggi: 114
Iscritto il: 11 feb 2013, 19:29

0
voti

[9] Re: Aiuto verifica componenti SMD

Messaggioda Foto Utentemachopicho » 14 set 2013, 12:12

Mi sono preso la briga di ricontrollare col tester la continuità delle piste e... era corrotta proprio quella che porta a massa l'alimentazione dell'operazionale.
Ora il circuito funziona.

Grazie per l'interessamento!
:-)
Avatar utente
Foto Utentemachopicho
16 7
Frequentatore
Frequentatore
 
Messaggi: 114
Iscritto il: 11 feb 2013, 19:29


Torna a Elettronica generale

Chi c’è in linea

Visitano il forum: Nessuno e 31 ospiti