Cos'è ElectroYou | Login Iscriviti

ElectroYou - la comunità dei professionisti del mondo elettrico

Comportamente elettrico dell' altoparlante

hi-fi, luci, suoni, effetti speciali, palcoscenici...

Moderatore: Foto UtenteIsidoroKZ

0
voti

[1] Comportamente elettrico dell' altoparlante

Messaggioda Foto Utentecronos80 » 17 set 2013, 12:14

Forse è una domanda stupida, ma non sono riuscito a trovare la risposta: come componente elettrico un altoparlante/speaker come si comporta?

Quello che non riesco a capire è come fare a regolarne il volume ad esempio, regolo la tensione, la corrente o cosa?
Grazie
O_/
Non cercare di piegare il cucchiaio. È impossibile. Cerca invece di fare l'unica cosa saggia: giungere alla verità. Il cucchiaio non esiste. Allora ti accorgerai che non è il cucchiaio a piegarsi, ma sei tu stesso!
Avatar utente
Foto Utentecronos80
1.546 1 6 12
Expert EY
Expert EY
 
Messaggi: 636
Iscritto il: 17 gen 2012, 10:43

0
voti

[2] Re: Altoparlanti

Messaggioda Foto Utenteclaudiocedrone » 17 set 2013, 12:31

:-) Regoli la potenza (quindi sia la tensione che la corrente) :mrgreen: ... se consideri per semplicità un segnale di pilotaggio a frequenza fissa, dal punto di vista elettrico lo speaker è un carico misto (resistivo-induttivo e un "pochino" capacitivo) di impedenza fissa, per cui il "parametro di pilotaggio" è la tensione del segnale che gli applichi. O_/
"Non farei mai parte di un club che accettasse la mia iscrizione" (G. Marx)
Avatar utente
Foto Utenteclaudiocedrone
21,3k 4 7 9
Master EY
Master EY
 
Messaggi: 15302
Iscritto il: 18 gen 2012, 13:36

0
voti

[3] Re: Altoparlanti

Messaggioda Foto Utentecronos80 » 17 set 2013, 12:45

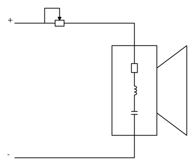
Quindi lo posso immaginare così:



Dove col potenziometro regolo il volume.
Grazie è molto più chiaro adesso :ok:
O_/
Non cercare di piegare il cucchiaio. È impossibile. Cerca invece di fare l'unica cosa saggia: giungere alla verità. Il cucchiaio non esiste. Allora ti accorgerai che non è il cucchiaio a piegarsi, ma sei tu stesso!
Avatar utente
Foto Utentecronos80
1.546 1 6 12
Expert EY
Expert EY
 
Messaggi: 636
Iscritto il: 17 gen 2012, 10:43

1
voti

[4] Re: Comportamente elettrico dell' altoparlante

Messaggioda Foto UtenteTardoFreak » 17 set 2013, 12:51

No, è scuro perché è sbagliato.
Il condensatore non è in serie.
"La follia sta nel fare sempre la stessa cosa aspettandosi risultati diversi".
"Parla soltanto quando sei sicuro che quello che dirai è più bello del silenzio".
Rispondere è cortesia, ma lasciare l'ultima parola ai cretini è arte.
Avatar utente
Foto UtenteTardoFreak
73,9k 8 12 13
-EY Legend-
-EY Legend-
 
Messaggi: 15754
Iscritto il: 16 dic 2009, 11:10
Località: Torino - 3° pianeta del Sistema Solare

0
voti

[5] Re: Comportamente elettrico dell' altoparlante

Messaggioda Foto Utentesimo85 » 17 set 2013, 12:56

Qui qualche info sul circuito equivalente di uno speaker audio.
Avatar utente
Foto Utentesimo85
30,9k 7 12 13
Disattivato su sua richiesta
 
Messaggi: 9927
Iscritto il: 30 ago 2010, 4:59

0
voti

[6] Re: Comportamente elettrico dell' altoparlante

Messaggioda Foto Utentecronos80 » 17 set 2013, 12:57

TardoFreak ha scritto:No, è scuro perché è sbagliato.

#-o #-o
Grazie Foto Utentesimo85 per il link. :D
Non cercare di piegare il cucchiaio. È impossibile. Cerca invece di fare l'unica cosa saggia: giungere alla verità. Il cucchiaio non esiste. Allora ti accorgerai che non è il cucchiaio a piegarsi, ma sei tu stesso!
Avatar utente
Foto Utentecronos80
1.546 1 6 12
Expert EY
Expert EY
 
Messaggi: 636
Iscritto il: 17 gen 2012, 10:43

0
voti

[7] Re: Comportamente elettrico dell' altoparlante

Messaggioda Foto UtenteSystemHD » 17 set 2013, 15:18

Il potenziometro non si mette in serie all'altoparlante, il volume si regola all'ingresso, e poi dopo si amplifica.
Avatar utente
Foto UtenteSystemHD
38 4
Frequentatore
Frequentatore
 
Messaggi: 128
Iscritto il: 30 lug 2012, 22:22


Torna a Elettronica e spettacolo

Chi c’è in linea

Visitano il forum: Nessuno e 12 ospiti