Ciao,lavorando su un esercizio con un bipolo a parametri ibridi sto incontrando difficoltà nel calcolare il parametro ibrido di trasferimento h21,che per definizione è un guadagno di corrente I2/I1 calcolato in corto circuito,ossia cortocircuitando la porta 2 e mettendo un generatore di corrente di valore nominale sulla porta 1.
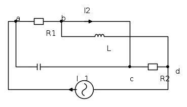
Il circuito rappresentanto nel foglio dell'esercizio è disegnato molto male,l'ho ridisegnato per mettere in risalto i collegamenti:
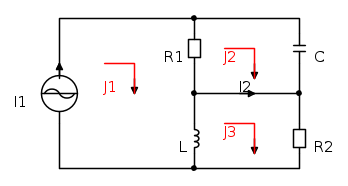
In sostanza,data I1,che imposto io stesso,devo trovare la corrente indicata con I2,il problema è che non riesco a capire come considerare connessioni di questo tipo,sembrano tutti in parallelo ma si fa fatica a identificare chi sia in parallelo con chi... per trovare I2 avevo provato a impostare l'equazione del partitore di corrente tra R1 e C per trovare la corrente in R1,poi un altro partitore di corrente tra R1 e L per trovare la corrente che finisce nell'induttore e poi la KCL al nodo b per avere un'equazione in cui compare anche I2 e cercare di trovare il mio parametro. Credo proprio però di stare sbagliando nel non riuscire a capire come considerare i vari paralleli e di non riuscire quindi a venirne a capo...
Bipolo a parametri ibridi H
Moderatori:
g.schgor,
IsidoroKZ
17 messaggi
• Pagina 1 di 2 • 1, 2
0
voti
3
voti
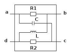
Forse disegnandolo in questo modo è più facile capire quale sia questo doppio bipolo
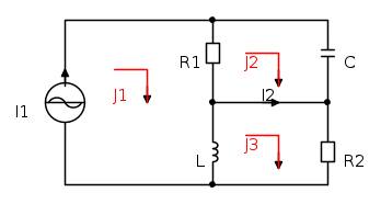
che poi però ridisegnerei in quest'altro modo, per andare a calcolare i parametri
già particolarizzato per il calcolo del parametro
con il corto alla porta secondaria

... lascio a te completare.
che poi però ridisegnerei in quest'altro modo, per andare a calcolare i parametri
già particolarizzato per il calcolo del parametro
con il corto alla porta secondaria 
... lascio a te completare.
"Il circuito ha sempre ragione" (Luigi Malesani)
0
voti
Ciao,eccomi e grazie per l'indicazione,mi metto subito ad analizzare il circuito per trovare il parametro,poi posto i passaggi secondo formule :)
1
voti
Ciao,ecco il circuito usato per i parametri H21 e H11:
Riporto i valori dei componenti del circuito:

Per H21 ho applicato il metodo delle correnti di maglia sulle tre maglie del circuito,anche visto il fatto che la presenza del generatore di valore pari a 1A che mi da già una delle correnti.
Le equazioni delle maglie sono le seguenti,alle quali ho anche aggiunto l'equazione per definire la corrente I2 che a noi interessa:

Andando a sostituire i valori numerici si ha:
[unparseable or potentially dangerous latex formula]
Lo sviluppo dei calcoli sulla maglia 3 è:

Per la maglia 2 invece i calcoli danno:

A questo punto ho applicato la relazione che avevo trovato per I2,sottraendo quindi J2 da J3 per trovarla

Ora,io non ho la soluzione dell'esercizio,perché questi sono esercizi d'esame e l'unica cosa che viene fornita sono,per ognuno dei parametri,una serie di 4 valori tra cui scegliere...il valore che ho trovato dovrebbe essere corretto,solo che il valore indicato come corretto per H21 è
.
Essendo il doppio bipolo simmetrico,H21 e H12 non dovrebbero avere lo stesso valore? Posterò anche i calcoli degli altri parametri in cui si vede che per H12 ho ottenuto lo stesso valore che ho trovato con i miei calcoli per H21,ossia
.
Ho ricontrollato i calcoli e pare tutto corretto,potreste cortesemente fare un controllo anche voi?
Vi ringrazio :)
Riporto i valori dei componenti del circuito:

Per H21 ho applicato il metodo delle correnti di maglia sulle tre maglie del circuito,anche visto il fatto che la presenza del generatore di valore pari a 1A che mi da già una delle correnti.
Le equazioni delle maglie sono le seguenti,alle quali ho anche aggiunto l'equazione per definire la corrente I2 che a noi interessa:

Andando a sostituire i valori numerici si ha:
[unparseable or potentially dangerous latex formula]
Lo sviluppo dei calcoli sulla maglia 3 è:

Per la maglia 2 invece i calcoli danno:

A questo punto ho applicato la relazione che avevo trovato per I2,sottraendo quindi J2 da J3 per trovarla

Ora,io non ho la soluzione dell'esercizio,perché questi sono esercizi d'esame e l'unica cosa che viene fornita sono,per ognuno dei parametri,una serie di 4 valori tra cui scegliere...il valore che ho trovato dovrebbe essere corretto,solo che il valore indicato come corretto per H21 è
.Essendo il doppio bipolo simmetrico,H21 e H12 non dovrebbero avere lo stesso valore? Posterò anche i calcoli degli altri parametri in cui si vede che per H12 ho ottenuto lo stesso valore che ho trovato con i miei calcoli per H21,ossia
.Ho ricontrollato i calcoli e pare tutto corretto,potreste cortesemente fare un controllo anche voi?
Vi ringrazio :)
2
voti
Non vedo il motivo di fare tutti quei calcoli, qui non serve nessun "metodo" particolare, bastano un paio di partitori di corrente

visto però che la corrente alla seconda porta va assunta entrante e quindi con verso da c a b, e non come ho erroneamente indicato nel precedente post da b a c, di conseguenza, mantenendo l'errato verso potremo correggere aggiungendo un segno negativo


visto però che la corrente alla seconda porta va assunta entrante e quindi con verso da c a b, e non come ho erroneamente indicato nel precedente post da b a c, di conseguenza, mantenendo l'errato verso potremo correggere aggiungendo un segno negativo

"Il circuito ha sempre ragione" (Luigi Malesani)
1
voti
Ciao,grazie per la risposta.
Allora,sul verso della corrente ci sono,ho sbagliato io nel ridisegnare il circuito a metterla da b a c,quando invece va da c a b,ecco perché il segno non mi tornava..quanto ai calcoli,sembrerà assurdo ma mi è riuscito più facile procedere con il metodo di Maxwell,io onestamente ho visto i due paralleli,ma non riuscivo a mettere in relazione le correnti con i partitori,ossia non sono arrivato a capire che I2=IR1-IR2,perché guardando il circuito in quel modo non riuscivo a capire come si dividessero la corrente IR1,o la correnze Ic,arrivate ai rispettivi nodi...
Allora,sul verso della corrente ci sono,ho sbagliato io nel ridisegnare il circuito a metterla da b a c,quando invece va da c a b,ecco perché il segno non mi tornava..quanto ai calcoli,sembrerà assurdo ma mi è riuscito più facile procedere con il metodo di Maxwell,io onestamente ho visto i due paralleli,ma non riuscivo a mettere in relazione le correnti con i partitori,ossia non sono arrivato a capire che I2=IR1-IR2,perché guardando il circuito in quel modo non riuscivo a capire come si dividessero la corrente IR1,o la correnze Ic,arrivate ai rispettivi nodi...
0
voti
Un'altra cosa,il secondo partitore di corrente è per trovare la corrente sull'induttore?perché altrimenti non mi torna la formula...
0
voti
MattGt86 ha scritto:Un'altra cosa,il secondo partitore di corrente è per trovare la corrente sull'induttore?perché altrimenti non mi torna la formula...
Certo, intendevo riferirmi alla
.
... ora correggo .... fatto!"Il circuito ha sempre ragione" (Luigi Malesani)
0
voti
Ok
Quindi...essendo in sostanza il filo dove scorre I2 un filo "interno" allo stesso nodo,come se fosse un modo per vedere la corrente che vi scorre all'interno,si applica la KCL a uno dei due nodi e si trova il valore di I2 senza dover passare per Maxwell...mi prenderai per ingenuo ma seriamente,io non riuscivo a capire,usando solo i partitori,come trovare I2,nel senso che non ci ero arrivato a capire che bastava applicare il partitore di corrente o su R1 e L,o su R2 e C,per trovarla...io cercavo di passare per tutte e 4 le impedenze
Quindi...essendo in sostanza il filo dove scorre I2 un filo "interno" allo stesso nodo,come se fosse un modo per vedere la corrente che vi scorre all'interno,si applica la KCL a uno dei due nodi e si trova il valore di I2 senza dover passare per Maxwell...mi prenderai per ingenuo ma seriamente,io non riuscivo a capire,usando solo i partitori,come trovare I2,nel senso che non ci ero arrivato a capire che bastava applicare il partitore di corrente o su R1 e L,o su R2 e C,per trovarla...io cercavo di passare per tutte e 4 le impedenze
2
voti
MattGt86 ha scritto:...mi prenderai per ingenuo ma seriamente,io non riuscivo a capire,usando solo i partitori,come trovare I2, ...
Non ti preoccupare, sono cose che si "vedono" ... col tempo!
E, visto che ora hai imparato il metodo, prova a calcolare la I2 in questa nuova rete, simile alla tua, dove ho indicato direttamente le impedenze dei quattro bipoli, sempre con I1 unitaria
quanto risulta?
... che ...
"Il circuito ha sempre ragione" (Luigi Malesani)
17 messaggi
• Pagina 1 di 2 • 1, 2
Torna a Elettrotecnica generale
Chi c’è in linea
Visitano il forum: Nessuno e 118 ospiti

Elettrotecnica e non solo (admin)
Un gatto tra gli elettroni (IsidoroKZ)
Esperienza e simulazioni (g.schgor)
Moleskine di un idraulico (RenzoDF)
Il Blog di ElectroYou (webmaster)
Idee microcontrollate (TardoFreak)
PICcoli grandi PICMicro (Paolino)
Il blog elettrico di carloc (carloc)
DirtEYblooog (dirtydeeds)
Di tutto... un po' (jordan20)
AK47 (lillo)
Esperienze elettroniche (marco438)
Telecomunicazioni musicali (clavicordo)
Automazione ed Elettronica (gustavo)
Direttive per la sicurezza (ErnestoCappelletti)
EYnfo dall'Alaska (mir)
Apriamo il quadro! (attilio)
H7-25 (asdf)
Passione Elettrica (massimob)
Elettroni a spasso (guidob)
Bloguerra (guerra)






