Buondì, sto progettando un alimentatore da laboratorio, complice anche il giveaway di brabus, ed oggi volevo capire come realizzare delle protezioni da sovracorrenti (ammesso che si chiamino così...), mi spiego meglio.
Nel mio progetto l'alimentatore dovrà avere:
- 3 tensioni fisse (12V, 5V, 3,3V) in grado di erogare 500mA.
- Una tensione variabile duale (+/- 30V) in grado di erogare 2/3A (a seconda del trasformatore che trovo).
Volevo inserire tra i regolatori e il carico delle protezioni in modo da scollegare l'utilizzatore in caso di superamento della soglia di corrente massima fissata dal progetto.
Nel caso delle tre tensioni fisse vorrei che il carico venisse staccato al superamento di 500mA + 10%.
Nel caso della tensione variabile al superamento di 2/3A + 10%.
Se fosse possibile mi piacerebbe che queste protezioni avessero un riarmo manuale e una segnalazione dell'avvenuto intervento della protezione.
Come potrei fare?
Protezione da sovracorrenti per alimentatore
Moderatori:
carloc,
g.schgor,
BrunoValente,
IsidoroKZ
17 messaggi
• Pagina 1 di 2 • 1, 2
2
voti
DADO91 ha scritto:come realizzare delle protezioni da sovracorrenti (ammesso che si chiamino così...)
In genere viene chiamata limitazione di corrente.
DADO91 ha scritto:Volevo inserire tra i regolatori e il carico delle protezioni in modo da scollegare l'utilizzatore in caso di superamento della soglia di corrente massima fissata dal progetto.
L'idea di scollegare l'utilizzatore in genere non è bella per un alimentatore da laboratorio: se per esempio il carico è una capacità, l'alimentatore non riuscirebbe a caricarla perché si disconnetterebbe troppo presto. Per avere una cosa che funziona o fai una protezione che dopo un breve intervallo ricollega automaticante l'uscita, a singhiozzo, oppure fai una limitazione ritardata, però a quel punto ci vuole comunque una limitazione fissa, a corrente più alta, altrimenti bruci tutto.
La cosa migliore per gli alimentatori da laboratorio è fare una limitazione a corrente costante oppure foldback.
It's a sin to write
instead of
(Anonimo).
...'cos you know that
ain't
, right?
You won't get a sexy tan if you write
in lieu of
.
Take a log for a fireplace, but don't take
for
arithm.
instead of
(Anonimo)....'cos you know that
ain't
, right?You won't get a sexy tan if you write
in lieu of
.Take a log for a fireplace, but don't take
for
arithm.-

DirtyDeeds
55,9k 7 11 13 - G.Master EY

- Messaggi: 7012
- Iscritto il: 13 apr 2010, 16:13
- Località: Somewhere in nowhere
0
voti
Ti va di spiegarmi un po' meglio queste ultime due cose, la limitazione a corrente costante e quella foldback?
La mia idea era di usare 78xx per i 5v e 12v e un LM1117T-3.3 per i 3.3v, c'è bisogno di modificare i circuiti di stabilizzazione per queste protezioni? Penso di sì...
La mia idea era di usare 78xx per i 5v e 12v e un LM1117T-3.3 per i 3.3v, c'è bisogno di modificare i circuiti di stabilizzazione per queste protezioni? Penso di sì...
-

DADO91
3.552 3 12 13 - Expert EY

- Messaggi: 965
- Iscritto il: 27 feb 2009, 18:19
- Località: Prov. di Firenze
1
voti
I 78XX sono già dotati di una limitazione di corrente di tipo foldback che interviene un po' sopra 1A con una corrente di corto circuito di qualche centinaio di mA. Non ti conviene veramente fargli una protezione aggiuntiva: piuttosto, se proprio vuoi una limitazione a 500 mA, cambia integrato, scegliendone uno che abbia la limitazione regolabile o già limitato a 500 mA.
It's a sin to write
instead of
(Anonimo).
...'cos you know that
ain't
, right?
You won't get a sexy tan if you write
in lieu of
.
Take a log for a fireplace, but don't take
for
arithm.
instead of
(Anonimo)....'cos you know that
ain't
, right?You won't get a sexy tan if you write
in lieu of
.Take a log for a fireplace, but don't take
for
arithm.-

DirtyDeeds
55,9k 7 11 13 - G.Master EY

- Messaggi: 7012
- Iscritto il: 13 apr 2010, 16:13
- Località: Somewhere in nowhere
0
voti
per i 78xx sapevo che avevano una protezione, ma non il tipo, allora userò quella integrata e dimensiono il tutto per una corrente di 1A invece di 500mA.
Per quanto riguarda l'LM1117T-3.3, mi sai dire niente? che protezione hanno?
Se non sbaglio non esiste 78xx per i 3,3V.
Per quanto riguarda l'LM1117T-3.3, mi sai dire niente? che protezione hanno?
Se non sbaglio non esiste 78xx per i 3,3V.
-

DADO91
3.552 3 12 13 - Expert EY

- Messaggi: 965
- Iscritto il: 27 feb 2009, 18:19
- Località: Prov. di Firenze
1
voti
It's a sin to write
instead of
(Anonimo).
...'cos you know that
ain't
, right?
You won't get a sexy tan if you write
in lieu of
.
Take a log for a fireplace, but don't take
for
arithm.
instead of
(Anonimo)....'cos you know that
ain't
, right?You won't get a sexy tan if you write
in lieu of
.Take a log for a fireplace, but don't take
for
arithm.-

DirtyDeeds
55,9k 7 11 13 - G.Master EY

- Messaggi: 7012
- Iscritto il: 13 apr 2010, 16:13
- Località: Somewhere in nowhere
2
voti
-

PietroBaima
90,7k 7 12 13 - G.Master EY

- Messaggi: 12206
- Iscritto il: 12 ago 2012, 1:20
- Località: Londra
0
voti
@
DirtyDeeds: Ok, quindi il TL1118 eroga 1,2A, con un massimo di 1,5A.
Avrà protezioni simili ai 78xx per cui non necessita di ulteriori circuiti?
@
PietroBaima
Ci sono rimasto malissimo!!
Ero veramente convinto che quella famiglia partisse da 5V! Bene a sapersi!
Invece per quanti riguarda i cortocircuiti? bastano le protezioni interne o è meglio metterci qualcosa? Avevo sentito parlare di fusibili auto-ripristinanti.
Avrà protezioni simili ai 78xx per cui non necessita di ulteriori circuiti?
@
Invece per quanti riguarda i cortocircuiti? bastano le protezioni interne o è meglio metterci qualcosa? Avevo sentito parlare di fusibili auto-ripristinanti.
-

DADO91
3.552 3 12 13 - Expert EY

- Messaggi: 965
- Iscritto il: 27 feb 2009, 18:19
- Località: Prov. di Firenze
2
voti
DADO91 ha scritto:Ci sono rimasto malissimo!!
Ero veramente convinto che quella famiglia partisse da 5 V! Bene a sapersi!
DADO91 ha scritto:Invece per quanti riguarda i cortocircuiti? bastano le protezioni interne o è meglio metterci qualcosa? Avevo sentito parlare di fusibili auto-ripristinanti.
I fusibili autoripristinanti sono sostanzialmente dei PTC veloci. In questo caso mi sembra eccessivo usare un autofuse (ma questa è solo la mia opinione, e solo perché cambierei il circuito).
Se basta la protezione interna o no dipende anche dal circuito esterno. Se vuoi una protezione che intervenga a 500mA devi pensare a qualcosa di esterno. Potresti usare un L200, per esempio, per risolvere la cosa in modo facile.
Mi fai ricordare un certo circuito che avevo fatto da ragazzino per limitare la corrente di corto circuito a 200mA. Non credo che, però, gli elettronici l'approverebbero...
Ciao,
Pietro.
-

PietroBaima
90,7k 7 12 13 - G.Master EY

- Messaggi: 12206
- Iscritto il: 12 ago 2012, 1:20
- Località: Londra
0
voti
Togliendo la limitazione dei 500mA, ovviamente ridimensionando il circuito.
Essendo un alimentatore da laboratorio, questo potrebbe lavorare in situazioni anomale quali ad esempio i cortocircuiti (in situazioni estreme).
Prima di "bruciarlo" volevo essere sicuro che in questi casi fosse adeguatamente protetto.
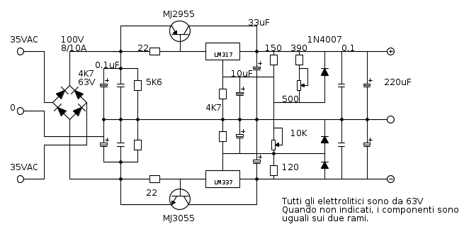
Parlando invece della parte a tensione variabile, come circuito avevo pensato di usare questo (che riporto per completezza), proposto più volte da
marco438 e che mi pare più che ottimo.
Due cose:
1) Che protezioni servono in questo caso ?
2) è possibile inserire un limitazione (magari variabile) alla corrente erogata?
Essendo un alimentatore da laboratorio, questo potrebbe lavorare in situazioni anomale quali ad esempio i cortocircuiti (in situazioni estreme).
Prima di "bruciarlo" volevo essere sicuro che in questi casi fosse adeguatamente protetto.
Parlando invece della parte a tensione variabile, come circuito avevo pensato di usare questo (che riporto per completezza), proposto più volte da
Due cose:
1) Che protezioni servono in questo caso ?
2) è possibile inserire un limitazione (magari variabile) alla corrente erogata?
-

DADO91
3.552 3 12 13 - Expert EY

- Messaggi: 965
- Iscritto il: 27 feb 2009, 18:19
- Località: Prov. di Firenze
17 messaggi
• Pagina 1 di 2 • 1, 2
Chi c’è in linea
Visitano il forum: Nessuno e 109 ospiti

Elettrotecnica e non solo (admin)
Un gatto tra gli elettroni (IsidoroKZ)
Esperienza e simulazioni (g.schgor)
Moleskine di un idraulico (RenzoDF)
Il Blog di ElectroYou (webmaster)
Idee microcontrollate (TardoFreak)
PICcoli grandi PICMicro (Paolino)
Il blog elettrico di carloc (carloc)
DirtEYblooog (dirtydeeds)
Di tutto... un po' (jordan20)
AK47 (lillo)
Esperienze elettroniche (marco438)
Telecomunicazioni musicali (clavicordo)
Automazione ed Elettronica (gustavo)
Direttive per la sicurezza (ErnestoCappelletti)
EYnfo dall'Alaska (mir)
Apriamo il quadro! (attilio)
H7-25 (asdf)
Passione Elettrica (massimob)
Elettroni a spasso (guidob)
Bloguerra (guerra)
pigreco]=π
