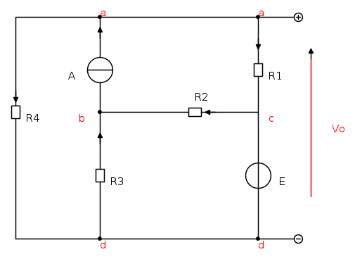
Ecco la rete:
In questa rete viene chiesto eplicitamente di trovare le seguenti grandezze:

utilizzando il metodo dei potenziali di nodo,nel caso particolare in cui il generatore E2 sia pilotato secondo la seguente funzione:

Il resto delle grandezze è:

La particolarità in questo caso sta n el fatto che uno dei potenziali di nodo,in questo caso quello al nodo c e che dovrebbe essere un potenziale noto è espresso in funzione di una corrente che sussiste sullo stesso nodo.
In questo caso come è meglio procedere?
Con l'analisi nodale normale c'è il superanello del generatore indipendente ma in questo caso è semplice,da luogo a una equazione di vincolo tra i nodi b ed a,mentre se si usa quella modificata bisognerebbe aggiungere anche le correnti dei due generatori...ho tentato con l'analisi nodale non modificata ma la presenza del legame tra Vc e I2 mi ha creato problemi,nel senso che non riesco a trovare le incognite del circuito,trovandomi con più incognite che equazioni (un'equazione per a,una per b,il potenziale c scritto in funzione di I2 e il vincolo per vb e va)
Mi spiace aver intasato il forum con tante discussioni in pochi giorni,ad ogni modo ringrazio per l'aiuto ricevuto finora,mi è stato molto utile per continuare la preparazione all'esame,che ormai è in arrivo :)

Elettrotecnica e non solo (admin)
Un gatto tra gli elettroni (IsidoroKZ)
Esperienza e simulazioni (g.schgor)
Moleskine di un idraulico (RenzoDF)
Il Blog di ElectroYou (webmaster)
Idee microcontrollate (TardoFreak)
PICcoli grandi PICMicro (Paolino)
Il blog elettrico di carloc (carloc)
DirtEYblooog (dirtydeeds)
Di tutto... un po' (jordan20)
AK47 (lillo)
Esperienze elettroniche (marco438)
Telecomunicazioni musicali (clavicordo)
Automazione ed Elettronica (gustavo)
Direttive per la sicurezza (ErnestoCappelletti)
EYnfo dall'Alaska (mir)
Apriamo il quadro! (attilio)
H7-25 (asdf)
Passione Elettrica (massimob)
Elettroni a spasso (guidob)
Bloguerra (guerra)












