Cos'è ElectroYou | Login Iscriviti

ElectroYou - la comunità dei professionisti del mondo elettrico

Circuito con generatore pilotato,caso particolare

Circuiti, campi elettromagnetici e teoria delle linee di trasmissione e distribuzione dell’energia elettrica

Moderatori: Foto Utenteg.schgor, Foto UtenteIsidoroKZ

0
voti

[1] Circuito con generatore pilotato,caso particolare

Messaggioda Foto UtenteMattGt86 » 21 set 2013, 17:50

Ciao a tutti,porto all'attenzione un circuito in cui si presenta un caso particolare dell'applicazione dei potenziali nodali.
Ecco la rete:



In questa rete viene chiesto eplicitamente di trovare le seguenti grandezze:
\par V_{3} \par
I_{2} \par
V_{1} \par
I_{E1} \par
I_{cc} \par
utilizzando il metodo dei potenziali di nodo,nel caso particolare in cui il generatore E2 sia pilotato secondo la seguente funzione:
\par E_{2}=8I_{2} \par

Il resto delle grandezze è:
\par E_{1}=10V
R_{1}=2\Omega \par
R_{2}=1\Omega \par
R_{3}=3\Omega \par

La particolarità in questo caso sta n el fatto che uno dei potenziali di nodo,in questo caso quello al nodo c e che dovrebbe essere un potenziale noto è espresso in funzione di una corrente che sussiste sullo stesso nodo.
In questo caso come è meglio procedere?
Con l'analisi nodale normale c'è il superanello del generatore indipendente ma in questo caso è semplice,da luogo a una equazione di vincolo tra i nodi b ed a,mentre se si usa quella modificata bisognerebbe aggiungere anche le correnti dei due generatori...ho tentato con l'analisi nodale non modificata ma la presenza del legame tra Vc e I2 mi ha creato problemi,nel senso che non riesco a trovare le incognite del circuito,trovandomi con più incognite che equazioni (un'equazione per a,una per b,il potenziale c scritto in funzione di I2 e il vincolo per vb e va)
Mi spiace aver intasato il forum con tante discussioni in pochi giorni,ad ogni modo ringrazio per l'aiuto ricevuto finora,mi è stato molto utile per continuare la preparazione all'esame,che ormai è in arrivo :)
Avatar utente
Foto UtenteMattGt86
10 4
 
Messaggi: 34
Iscritto il: 11 feb 2013, 10:42

1
voti

[2] Re: Circuito con generatore pilotato,caso particolare

Messaggioda Foto UtenteRenzoDF » 21 set 2013, 18:30

Forse per l'analisi nodale basta scrivere

\left\{ \begin{align}
  & {{V}_{C}}=8{{I}_{2}} \\ 
 & {{V}_{B}}=-10 \\ 
\end{align} \right.

alle quali associare il legame con la grandezza pilota

{{I}_{2}}=\frac{{{V}_{C}}-{{V}_{B}}}{{{R}_{2}}}=\frac{8{{I}_{2}}+10}{1}\quad \to \quad {{I}_{2}}=-\frac{10}{7}\,\,\text{A}

di conseguenza tutto il resto

\left\{ \begin{align}
  & {{V}_{3}}={{E}_{1}}=10\,\,\text{V} \\ 
 & {{V}_{1}}=-{{E}_{2}}=\frac{80}{7}\,\,\text{V} \\ 
 & {{I}_{{{E}_{1}}}}={{I}_{2}}+\frac{{{V}_{3}}}{{{R}_{3}}}=\frac{40}{21}\,\,\text{A} \\ 
 & {{I}_{cc}}={{I}_{{{E}_{1}}}}-\frac{{{V}_{1}}}{{{R}_{1}}}=-\frac{80}{21}\,\text{A} \\ 
\end{align} \right.
"Il circuito ha sempre ragione" (Luigi Malesani)
Avatar utente
Foto UtenteRenzoDF
55,9k 8 12 13
G.Master EY
G.Master EY
 
Messaggi: 13189
Iscritto il: 4 ott 2008, 9:55

0
voti

[3] Re: Circuito con generatore pilotato,caso particolare

Messaggioda Foto UtenteMattGt86 » 23 set 2013, 15:32

Accidenti....ho trovato l'esempio sbagliato,qui si semplifica per via del nodo a potenziale 0...metto un altro esempio dove invece c'è da lavorare un po' di più,che era quello che intendevo :)
Avatar utente
Foto UtenteMattGt86
10 4
 
Messaggi: 34
Iscritto il: 11 feb 2013, 10:42

0
voti

[4] Re: Circuito con generatore pilotato,caso particolare

Messaggioda Foto UtenteMattGt86 » 23 set 2013, 19:07

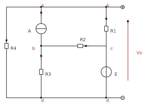
Ecco il circuito



Con i seguenti parametri:
\par A=5 Ampere \par
E=5I_{4} \par
R_{1}=1\Omega \par
R_{2}=7\Omega \par
R_{3}=2\Omega \par
R_{4}=8\Omega \par

Viene chiesto di trovare le correnti su tutti i componenti passivi e i generatori,più la tensione Vo e la potenza dei due generatori,indicando se è potenza assorbita o erogata.
In questo caso le equazioni ai nodi a e b danno:

\par nodo b \par
I_{2}+I_{3}=A \par
nodo a \par
A=I_{4}+I_{1} \par
sul nodo c \par
V_{c}=5I_{4} \par

Sviluppando si ha per il nodo b
\frac{5I_{4}-V_{b}}{R_{2}}-\frac{V_{b}}{R_{3}}=A
per il nodo a invece
A=\frac{V_{b}}{R_{4}}+\frac{V_{a}-5I_{4}}{R_{1}} \par
Questo è quello che volevo evidenziare,si arriva ad avere due equazioni con 3 incognite,essendo Vc espresso in funzione di I4...quale sarebbe l'approccio in questo caso?
Avatar utente
Foto UtenteMattGt86
10 4
 
Messaggi: 34
Iscritto il: 11 feb 2013, 10:42

0
voti

[5] Re: Circuito con generatore pilotato,caso particolare

Messaggioda Foto UtenteMattGt86 » 23 set 2013, 19:21

Quel che pensavo io è:un buon approccio non potrebbe essere sostituire nelle equazioni a I4 la sua equazione,ossia Va/R4? In particolare,se sostiuisco nella equazione del nodo a,a I4 la sua formula trovo Va,a quel punto si trova I4 e si sostituisce nell'equazione per Vb,trovando anche Vb e tutte le correnti.

Quanto ai calcoli di Vo e delle potenze dei generatori pensavo di procedere come segue:
-per Vo,non so se è lecito,ma se applico la kvl alla maglia contenente R1,E e Vo trovo il valore corretto di Vo?
-per trovare la corrente del generatore pilotato pensavo di applicare una semplice KCL al nodo c,trovando la corrente IE in funzione di I1 e I2;
-per la tensione sul generatore di corrente (la quale dovrebbe andare al nodo b verso il nodo a) pensavo di scriverla semplicemente come differenza di potenziale Vb-Va

Non avendo i risultati dell'esercizio volevo sapere se ho detto delle bestialità :D
Avatar utente
Foto UtenteMattGt86
10 4
 
Messaggi: 34
Iscritto il: 11 feb 2013, 10:42

0
voti

[6] Re: Circuito con generatore pilotato,caso particolare

Messaggioda Foto UtenteRenzoDF » 23 set 2013, 23:58

Per la corrente pilota I4 una KVL alla maglia esterna (includente KCL al nodo superiore)

5{{I}_{4}}+(A-{{I}_{4}}){{R}_{1}}-{{I}_{4}}{{R}_{4}}=0

Nota I4, per I2 e I3, una KCL al nodo centrale e una KVL all'anello inferiore destro

\left\{ \begin{align}
  & {{I}_{2}}+{{I}_{3}}=A \\ 
 & 5{{I}_{4}}-7{{I}_{2}}+2{{I}_{3}}=0 \\ 
\end{align} \right.
"Il circuito ha sempre ragione" (Luigi Malesani)
Avatar utente
Foto UtenteRenzoDF
55,9k 8 12 13
G.Master EY
G.Master EY
 
Messaggi: 13189
Iscritto il: 4 ott 2008, 9:55


Torna a Elettrotecnica generale

Chi c’è in linea

Visitano il forum: Nessuno e 27 ospiti