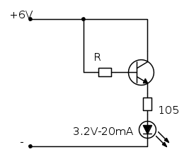
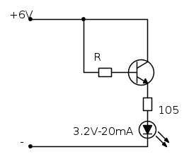
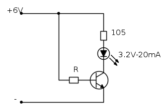
Il circuito originale non permette di saturare il transistore perche' non c'e` modo che il collettore possa diventare piu` negativo della base. Non saturare il transistore vuol dire che non funziona bene come interruttore, al massimo lo si potrebbe usare come amplificatore se si volesse accendere il led in modo proporzionale (non tutto/niente).
Un esempio potrebbe essere questo
Il valore della resistenza lo si calcola come hai fatto tu: se al massimo si vuole che circoli una corrente di 20mA quando l'ingresso Vin e` a 6V, ottieni per l'appunto 105Ω.
Pero` in questo circuito puoi anche cambiare la luce emessa dal led, cambiando la tensione di ingresso. La corrente di led, proporzionale alla luce, vale

Il led comincia ad accendersi quando la tensione di ingresso arriva dalle parti di 3.9V
CIRCA e di mano in mano che la tensione Vin aumenta la luminosita` cresce. Quando la tensione di ingresso arriva a 6V il led e` attraversato da una corrente di 20mA.
Il circa si riferisce al fatto che la tensione

non e` fissa, dipende dal transistore, dalla temperatura e dalla corrente di base. Anche la tensione del led non e` fissa a 3.2V, dipende anche li` dal componente, corrente e temperatura.
Potrebbe venire la PESSIMA idea di controllare la corrente del led in questo modo
L'idea e` che si fa una caduta di tensione sulla resistenza variabile, cosi` sulla base arriva meno tensione e il led si accende di meno. PESSIMA idea.
L'analisi di questo circuito SBAGLIATO puo` essere fatta con una equazione alla maglia, ricordando che


da cui con arditi passaggi matematici si puo` ricavare il valore della corrente IL

da cui si vede che la resistenza sulla base Rb cambia si` la corrente di led, ma sfortunatamente entra nella formula anche il beta del transistore, che e` uno dei parametri piu` sconosciuti, variabili e incerti che ci siano. Inoltre per ridurre la luce fin quasi a zero sarebbe necessaria una Rb molto elevata e non si riuscirebbe piu` a controllare la luce a livelli elevati, piccola rotazione del potenziometro darebbe una grande variazione di corrente.
Una cosa migliore puo` essere fatta considerando che la corrente di base del transistore per mal che vada vale

dove si tira in ballo il beta minimo del transistore. Se al posto di Rb mettiamo un partitore variabile (=potenziometro) come in questo schema
se facciamo in modo che la corrente di partitore Ip sia molto maggiore della corrente di base, allora possiamo regolare la tensione di base e quindi la luminosita` del led.
Se il transistore non e` proprio una schifezza, venuto male, maltrattato da usi precedenti, non siamo d'inverno in Siberia... un beta di qualche decina di unita` dovrebbe comunque garantirlo, e quindi la corrente di base MASSIMA puo` essere dalle parti di 0.5mA o meno. La corrente Ip puo` essere dell'ordine di 5mA o anche 10mA, il che vuol dire che la serie di potenziometro e resistenza Rp deve fare un totale di 1kΩ o poco meno.
La resistenza Rp serve a garantire che sulla base ci siano almeno 3.5V circa anche con potenziometro tutto ruotato verso il basso, tanto abbiamo visto che il led comincia ad accendersi quando all'ingresso ci sono CIRCA 3.9V.
Possiamo prendere P=470Ω ed Rp=680Ω, la corrente Ip viene poco piu` di 5mA e siamo a posto.
Questo per mostrare come usare il transistore come amplificatore, in configurazione a collettore comune.
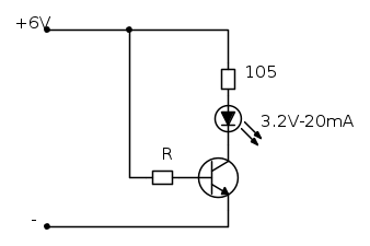
Se invece si vuole solo accendere e spegnere il led, niente regolazione, e` meglio metterlo sul collettore. In questo modo si riesce a saturare il transistore che scalda meno.
Il modello equivalente del transistore saturo potrebbe essere una cosa di questo tipo
La corrente di base, che questa volta e` forzata dal circuito, deve essere abbastanza maggiore della corrente di carico divisa per il beta minimo, e prendendo gli stessi numeri di prima, la corrente di base deve essere almeno di 2mA (4 volte la corrente che il transistore in linearita` assorbirebbe, beta forzato di 10).
In questo caso la resistenza di base RB risulta essere di circa 2.7kΩ
**********************
(*) Poi c'e` Babbo Natale, la marmotta che incarta la cioccolata...