Buongiorno ho letto che la formula del patitore di tensione è: Vout= Vin x R2/(r1+r2) ho fatto alcune prove sia con i calcoli che in pratica e ci siamo pero' ho un po di dubbi matematici e sono:
supponiamo tensione V in 12v se voglio avere una tensione in uscita Vout maggiore( attenzione non maggiore di Vin ma piu' alta di un valore piu' basso come ad esempio 10v al posto di 5v) quello che devo fare è ridurre r1 se invece al posto di 10v ne voglio 5v devo aumentare r1 è giusto?
quindi r2 è un valore che non si cambia ma in base a che cosa si sceglie?
seconda domanda qual è la formula inversa che mi permette di calcolare la resistenza di r1 per ottenere una tensione nota?
[FIDOCAD]
p.s come faccio a postare il disegno in fidocadj? grazie
partitore di tensione
Moderatori:
carloc,
g.schgor,
BrunoValente,
IsidoroKZ
10 messaggi
• Pagina 1 di 1
0
voti
Probabilmente non riesci perche' non hai letto le regole del forum che trovi nella fascia rosa sopra i messaggi.
Se poi qualcosa ti e' ancora oscuro chiedi pure.
Se poi qualcosa ti e' ancora oscuro chiedi pure.
marco
3
voti
Per includere il disegno in fidocadj, fai prima il disegno, poi sempre nel programma fai CTRL-A selezionando tutto il disegno, che diventa tutto verde. Poi fai CTRL-C e lo copy nel buffer temporaneo.
Vieni nel messaggio e clicchi sul bottone fcd sopra la finestra dove scrivi il testo: compaiono due tag cosi`
Metti il cursore fra quei due tag, fai CTRL-V e il sorgente del disegno viene copiato fra i due tag. Quando mandi il messaggio il server EY lo trasforma in una immagine che tutti possono vedere.
Per cambiare la tensione di uscita di un partitore puoi cambiare sia R1 che R2: se aumenti R1 (CON LA TUA NOTAZIONE, che spero di aver capito) la tensione di uscita scende, come hai detto tu. Puoi anche cambiare R2: se la aumenti la tensione di uscita sale.
Le due resistenze si scelgono insieme, il loro rapporto deve dare la tensione di uscita voluta, la loro somma determina invece quanta corrente consumi e quindi quanta potenza assorbi dalla tensione alta. Un'altra condizione, alternativa alla precedente, e` data dal parallelo di R1 e R2, che dice qual e` la resistenza di uscita del partitore, ma questo e` un po' piu` incasinato da spiegare.
Per trovare R1 (oppure R2) basta invertire la formula del partitore: conosci le equazioni di primo grado e le sai risolvere?
Vieni nel messaggio e clicchi sul bottone fcd sopra la finestra dove scrivi il testo: compaiono due tag cosi`
- Codice: Seleziona tutto
[fcd][/fcd]
Metti il cursore fra quei due tag, fai CTRL-V e il sorgente del disegno viene copiato fra i due tag. Quando mandi il messaggio il server EY lo trasforma in una immagine che tutti possono vedere.
Per cambiare la tensione di uscita di un partitore puoi cambiare sia R1 che R2: se aumenti R1 (CON LA TUA NOTAZIONE, che spero di aver capito) la tensione di uscita scende, come hai detto tu. Puoi anche cambiare R2: se la aumenti la tensione di uscita sale.
Le due resistenze si scelgono insieme, il loro rapporto deve dare la tensione di uscita voluta, la loro somma determina invece quanta corrente consumi e quindi quanta potenza assorbi dalla tensione alta. Un'altra condizione, alternativa alla precedente, e` data dal parallelo di R1 e R2, che dice qual e` la resistenza di uscita del partitore, ma questo e` un po' piu` incasinato da spiegare.
Per trovare R1 (oppure R2) basta invertire la formula del partitore: conosci le equazioni di primo grado e le sai risolvere?
Per usare proficuamente un simulatore, bisogna sapere molta più elettronica di lui
Plug it in - it works better!
Il 555 sta all'elettronica come Arduino all'informatica! (entrambi loro malgrado)
Se volete risposte rispondete a tutte le mie domande
Plug it in - it works better!
Il 555 sta all'elettronica come Arduino all'informatica! (entrambi loro malgrado)
Se volete risposte rispondete a tutte le mie domande
1
voti
Grazie Isidoro KZ sempre disponibilissimo,
ok r1 è inversamente proporzionale in termini "pesudomatematici" e r2 sembrerebbe direttamente proprzionale o ha un nome ??
equazioni.....le ho studiate a scuola...che ho terminato 11 anni fa......:)
e non ridete è il mio primo disegno in fidocadj quando andavo a scuola ho usato 10 volte autocad r 14 e poi basta.......
p.s isidorokz non ho abbandonato l'idea del termometro gas di scarico per tua sfortuna......sto pian pianino cercando di capire alcune cose...
-

Gabriele440
30 3 - New entry

- Messaggi: 53
- Iscritto il: 22 giu 2013, 13:59
4
voti
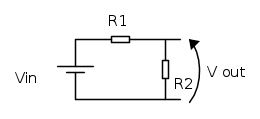
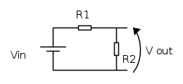
Per essere il primo disegno, non male! Ricorda che puoi sempre prendere il sorgente dei disegni altrui (Sorgente FidocadJ sotto la figura) copiartelo nel programma fidocad e vedere come e` fatto, modificarlo...
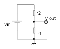
Ad esempio ho preso il tuo sorgente e l'ho modificato cosi`, mettendo in evidenza dove prendo la tensione di uscita. Nel tuo disegno non e` evidente.
Di solito in matematica direttamente proporzionale e inversamente proporzionale vuol dire che se raddoppi una grandezza il risultato raddoppia o dimezza. In questo caso la tensione di uscita non raddoppia o dimezza, sale o scende secondo una regola piu` complicata.
Comunque se
, allora per avere una data Vout, sapendo Vin e R1 si calcola la R2 in questo modo
, mentre se hai le tensioni e R2 e vuoi calcolare R1 fai 
Le equazioni di primo grado le avevate fatte? Che scuola avevi fatto?
Ad esempio ho preso il tuo sorgente e l'ho modificato cosi`, mettendo in evidenza dove prendo la tensione di uscita. Nel tuo disegno non e` evidente.
Di solito in matematica direttamente proporzionale e inversamente proporzionale vuol dire che se raddoppi una grandezza il risultato raddoppia o dimezza. In questo caso la tensione di uscita non raddoppia o dimezza, sale o scende secondo una regola piu` complicata.
Comunque se
, allora per avere una data Vout, sapendo Vin e R1 si calcola la R2 in questo modo
, mentre se hai le tensioni e R2 e vuoi calcolare R1 fai 
Le equazioni di primo grado le avevate fatte? Che scuola avevi fatto?
Per usare proficuamente un simulatore, bisogna sapere molta più elettronica di lui
Plug it in - it works better!
Il 555 sta all'elettronica come Arduino all'informatica! (entrambi loro malgrado)
Se volete risposte rispondete a tutte le mie domande
Plug it in - it works better!
Il 555 sta all'elettronica come Arduino all'informatica! (entrambi loro malgrado)
Se volete risposte rispondete a tutte le mie domande
0
voti
grazie mrc e isidoroKZ, ok ora ho capito , ho fatto la scuola di geometra e mi sono diplomato nel 2002 ma sono un operaio autoriparatore.....e calcoli non ne faccio.....e quando li faccio sono elementari sottrazioni addizzioni e calcolo valori medi quando si fanno i giochi freni e frizioni cambi automatici oppure calcolo rondelle di compensazione per precarico cuscinetti conici......e rigorosamente uso la calcolatrice..... 
-

Gabriele440
30 3 - New entry

- Messaggi: 53
- Iscritto il: 22 giu 2013, 13:59
1
voti
Gabriele440 ha scritto:p.s isidorokz non ho abbandonato l'idea del termometro gas di scarico per tua sfortuna......sto pian pianino cercando di capire alcune cose...
Comincia a costruire il pezzo di circuito che avevo fatto, che serve per l'alimentazione. Cosi` vediamo come ce la caviamo, tu a fare i circuiti io a progettarli. Se funziona poi si va avanti.
Per usare proficuamente un simulatore, bisogna sapere molta più elettronica di lui
Plug it in - it works better!
Il 555 sta all'elettronica come Arduino all'informatica! (entrambi loro malgrado)
Se volete risposte rispondete a tutte le mie domande
Plug it in - it works better!
Il 555 sta all'elettronica come Arduino all'informatica! (entrambi loro malgrado)
Se volete risposte rispondete a tutte le mie domande
0
voti
manca solo lo zener se riesco domani lo monto anche se per vedere se funziona sul motore della slitta devo finirla.....anche se non mi preoccupa perché è il mio lavoro :) e non dovrebbero esserci problemi, cosi poi ti dico con esattezza ( non ho il fluke) ma un ICE digitale.....la tensione che eroga il generatore a volano magnete con raddrizzatore
graziee
graziee
-

Gabriele440
30 3 - New entry

- Messaggi: 53
- Iscritto il: 22 giu 2013, 13:59
10 messaggi
• Pagina 1 di 1
Chi c’è in linea
Visitano il forum: Nessuno e 60 ospiti

Elettrotecnica e non solo (admin)
Un gatto tra gli elettroni (IsidoroKZ)
Esperienza e simulazioni (g.schgor)
Moleskine di un idraulico (RenzoDF)
Il Blog di ElectroYou (webmaster)
Idee microcontrollate (TardoFreak)
PICcoli grandi PICMicro (Paolino)
Il blog elettrico di carloc (carloc)
DirtEYblooog (dirtydeeds)
Di tutto... un po' (jordan20)
AK47 (lillo)
Esperienze elettroniche (marco438)
Telecomunicazioni musicali (clavicordo)
Automazione ed Elettronica (gustavo)
Direttive per la sicurezza (ErnestoCappelletti)
EYnfo dall'Alaska (mir)
Apriamo il quadro! (attilio)
H7-25 (asdf)
Passione Elettrica (massimob)
Elettroni a spasso (guidob)
Bloguerra (guerra)







