salve a tutti, come implementazione al mio amplificatore vorrei aggiungere un controllo ir del volume. Per il potenziometro digitale non c'è problema, ma ho problemi sulla trasmissione ir. avrei pensato a qualcosa del genere:
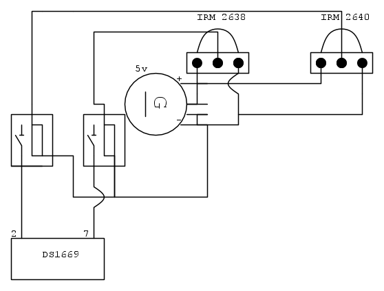
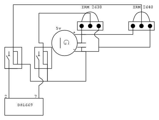
trasmettitore:
ricevitore:
Trasmettitore - ricevitore IR
Moderatore:
jordan20
7 messaggi
• Pagina 1 di 1
0
voti
ciao, scusa ma nella libreria non ci sono ne i quarzi ne i moduli ricevitori ir quindi mi sono arrangiato. alla fine quello che mi interesserebbe sapere è:
posso pilotare un relay con l'uscita dell'IRM-26XX? http://pdf1.alldatasheet.com/datasheet-pdf/view/229574/EVERLIGHT/IRM-2638-E.html
devo mettere qualcosa prima e dopo un quarzo?
a che tensione si usa un quarzo?
posso pilotare un relay con l'uscita dell'IRM-26XX? http://pdf1.alldatasheet.com/datasheet-pdf/view/229574/EVERLIGHT/IRM-2638-E.html
devo mettere qualcosa prima e dopo un quarzo?
a che tensione si usa un quarzo?
-

FeedTheMario
0 3 - Messaggi: 18
- Iscritto il: 5 ott 2013, 21:13
0
voti
FeedTheMario ha scritto:posso pilotare un relay con l'uscita dell'IRM-26XX?
Direi di no.
FeedTheMario ha scritto:evo mettere qualcosa prima e dopo un quarzo?
a che tensione si usa un quarzo?
Purtroppo non sono in grado di interpretare lo schema postato in 1.
Mi dispiace.
Ciao.
0
voti

"Non farei mai parte di un club che accettasse la mia iscrizione" (G. Marx)
-

claudiocedrone
21,3k 4 7 9 - Master EY

- Messaggi: 15302
- Iscritto il: 18 gen 2012, 13:36
0
voti
comunque ho cambiato progetto, ora userò il raspberry pi interfacciando degli switch sui pin gpio. sto progettando codice e schemi. ciao 

-

FeedTheMario
0 3 - Messaggi: 18
- Iscritto il: 5 ott 2013, 21:13
7 messaggi
• Pagina 1 di 1
Chi c’è in linea
Visitano il forum: Nessuno e 21 ospiti

Elettrotecnica e non solo (admin)
Un gatto tra gli elettroni (IsidoroKZ)
Esperienza e simulazioni (g.schgor)
Moleskine di un idraulico (RenzoDF)
Il Blog di ElectroYou (webmaster)
Idee microcontrollate (TardoFreak)
PICcoli grandi PICMicro (Paolino)
Il blog elettrico di carloc (carloc)
DirtEYblooog (dirtydeeds)
Di tutto... un po' (jordan20)
AK47 (lillo)
Esperienze elettroniche (marco438)
Telecomunicazioni musicali (clavicordo)
Automazione ed Elettronica (gustavo)
Direttive per la sicurezza (ErnestoCappelletti)
EYnfo dall'Alaska (mir)
Apriamo il quadro! (attilio)
H7-25 (asdf)
Passione Elettrica (massimob)
Elettroni a spasso (guidob)
Bloguerra (guerra)

