ciao a tutti, ho un alimentatore kert modello AL1220DIN
Descrizione, non riesco a capire se questo alimentatore sia duale; quindi solo teoricamente vorrei alimentarvi il sopracitato amplificatore operazionale TL072 Datasheet
sono molto ignorante in materia, la tensione all operazionale dovrebbe essere duale tipo +12VC e -12VC.
le mie domande:
è duale?
nel caso non lo sia lo posso modificare? o meglio ne vale la pena considerando quanto costa?
costruirne uno? o comperarne uno?
grazie mille a tutti per l'attenzione.
alimentatore kert stabilizzato per amp/op tl072, possibile?
Moderatori:
carloc,
g.schgor,
BrunoValente,
IsidoroKZ
7 messaggi
• Pagina 1 di 1
1
voti
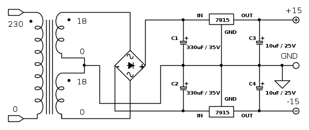
No, quello non è un alimentatore duale.
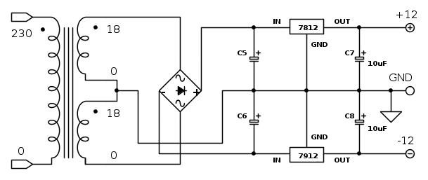
Se vuoi costruirlo tu, un esempio potrebbe essere questo:
I condensatori C5 e C6 vanno calcolati in base al carico, ma, se ci devi alimentare un solo TL072, allora l'assorbimento sarà davvero irrisorio.
Se invece vuoi un circuito già assemblato, cerca qualcosa come questo (qui la tensione di uscita è regolabile).
In ogni caso ti serve un trasformatore a presa centrale, oppure con gli avvolgimenti secondari collegati in serie (come si vede nello schema che ho postato sopra), qualcosa tipo questo che ovviamente deve essere di potenza adeguata.
Ciao
Se vuoi costruirlo tu, un esempio potrebbe essere questo:
I condensatori C5 e C6 vanno calcolati in base al carico, ma, se ci devi alimentare un solo TL072, allora l'assorbimento sarà davvero irrisorio.
Se invece vuoi un circuito già assemblato, cerca qualcosa come questo (qui la tensione di uscita è regolabile).
In ogni caso ti serve un trasformatore a presa centrale, oppure con gli avvolgimenti secondari collegati in serie (come si vede nello schema che ho postato sopra), qualcosa tipo questo che ovviamente deve essere di potenza adeguata.
Ciao
0
voti
MavKtr ha scritto:No, quello non è un alimentatore duale.
Se vuoi costruirlo tu, un esempio potrebbe essere questo:
I condensatori C5 e C6 vanno calcolati in base al carico, ma, se ci devi alimentare un solo TL072, allora l'assorbimento sarà davvero irrisorio.
innanzitutto grazie mille per la tua risposta, ci devo alimentare questo circuito
un preamplificatore stereo con controllo di volume bilanciamento e toni alti e bassi, che chiaramente non ha ancora nello schema l'alimentatore duale da 12V, per questo ti chiedo primo a C5 e C6 che valori gli assegneresti?
MavKtr ha scritto:Se invece vuoi un circuito già assemblato, cerca qualcosa come questo (qui la tensione di uscita è regolabile).
costa davvero molto poco, però sarebbe più interessante costruirlo...
MavKtr ha scritto:In ogni caso ti serve un trasformatore a presa centrale, oppure con gli avvolgimenti secondari collegati in serie (come si vede nello schema che ho postato sopra), qualcosa tipo questo che ovviamente deve essere di potenza adeguata.
Ciao
quindi se ho capito bene mi serve:
- un trasformatore di alimentazione a presa centrale, che è quello che mi hai linkato, giusto? che potenza credi che io abbia bisogno? nel mio circuito inizialmente era indicato 15VC duali, ma secondo diversi consigli, potrebbero anche bastarne 12.
- uno per tipo di regolatori di tensione 7912, 7812
- 2 condensatori elettrolitici polarizzati da 10uF
- 2 condensatori elettrolitici polarizzati da quanto spero me lo dica tu...
- un chassis di alluminio
e il gioco è fatto, manca qualcosa?
1
voti
Sbaglio, o si tratta di un piccolo mixer per segnali "phono"?
Gli elettroliti C2-C3-C13-C14 io li sostituirei con condensatori in poliestere.
12 volt vanno già bene, ma a questo punto tanto vale farlo a 15 che è ancora meglio.
Comunque quel circuito non credo richiederà oltre 10mA (facciamo anche 20 per stare larghi), pertanto io farei così:
Quanto alla potenza del trasformatore, se lo prendi da 18V puoi stare tranquillo già con 3VA.
Gli elettroliti C2-C3-C13-C14 io li sostituirei con condensatori in poliestere.
12 volt vanno già bene, ma a questo punto tanto vale farlo a 15 che è ancora meglio.
Comunque quel circuito non credo richiederà oltre 10mA (facciamo anche 20 per stare larghi), pertanto io farei così:
Quanto alla potenza del trasformatore, se lo prendi da 18V puoi stare tranquillo già con 3VA.
0
voti
MavKtr ha scritto:Sbaglio, o si tratta di un piccolo mixer per segnali "phono"?
esattamente per la precisione mi sono costruito con 2 coppie di buzzer, uno stompbox in legno per creare la grancassa della batteria e un stompbox con case in metallo e vetro per simulare due serie di piatti sempre da batteria...
MavKtr ha scritto:Gli elettroliti C2-C3-C13-C14 io li sostituirei con condensatori in poliestere.
hai pienamente ragione...così non ho nemmeno il problema di sbagliare polarità...
MavKtr ha scritto:12 volt vanno già bene, ma a questo punto tanto vale farlo a 15 che è ancora meglio.
resterò quindi legato ai 15, come voleva il progetto originale.
MavKtr ha scritto:Comunque quel circuito non credo richiederà oltre 10mA (facciamo anche 20 per stare larghi), pertanto io farei così:
grazie di cuore, sei stato davvero di aiuto, mi divertirò a costruirmi anche l'alimentatore...sono le mie piccole soddisfazioni..
MavKtr ha scritto:Quanto alla potenza del trasformatore, se lo prendi da 18V puoi stare tranquillo già con 3VA.
quindi quello che mi hai linkato giusto? vado subito a vedere se il mio negoziante di fiducia ne ha uno..grazie ancora tantissimo!!
1
voti
clayton ha scritto:quindi quello che mi hai linkato giusto? vado subito a vedere se il mio negoziante di fiducia ne ha uno..grazie ancora tantissimo!!
Quello che ti avevo linkato è anche più grande di quello serve, comunque la mia rimane una stima approssimativa.
Se conosci qualcuno che ha un alimentatore duale da laboratorio (anche "fai da te"), ti consiglio di assemblare prima il mixer e di provarlo appunto con un altro alimentatore giusto per essere sicuri di quanta corrente assorbe.
A quel punto ti puoi costruire il tuo alimentatore perfettamente "su misura"!

1
voti
conosco un amico che ha un alimentatore da banco se non sbaglio mi ha detto che arriva fino a 15V duale, potrei sperimentare con lui di quanta corrente ha bisogno il mio mixer, per poi prendere il trasformatore adatto. per ora ti ringrazio ancora!!
7 messaggi
• Pagina 1 di 1
Chi c’è in linea
Visitano il forum: Nessuno e 64 ospiti

Elettrotecnica e non solo (admin)
Un gatto tra gli elettroni (IsidoroKZ)
Esperienza e simulazioni (g.schgor)
Moleskine di un idraulico (RenzoDF)
Il Blog di ElectroYou (webmaster)
Idee microcontrollate (TardoFreak)
PICcoli grandi PICMicro (Paolino)
Il blog elettrico di carloc (carloc)
DirtEYblooog (dirtydeeds)
Di tutto... un po' (jordan20)
AK47 (lillo)
Esperienze elettroniche (marco438)
Telecomunicazioni musicali (clavicordo)
Automazione ed Elettronica (gustavo)
Direttive per la sicurezza (ErnestoCappelletti)
EYnfo dall'Alaska (mir)
Apriamo il quadro! (attilio)
H7-25 (asdf)
Passione Elettrica (massimob)
Elettroni a spasso (guidob)
Bloguerra (guerra)



