ho riscontrato dei problemi con laplace
Moderatori:
carloc,
g.schgor,
BrunoValente,
IsidoroKZ
16 messaggi
• Pagina 1 di 2 • 1, 2
0
voti
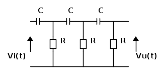
Ciao a tutti sono nuovo. Data la serietà di questo sito volevo esplicarvi i miei problemi; ho il seguente circuito:
Ho ricavato I(s) e la RT ma il mio problema sorge quando devo calcolarmi Iu(S) e Vu(S) per scrivere poi la funzione di trasferimento che in questo caso è Vu(S) / Vi(S).
Il risultato ripartito sul libro dovrebbe essere :
G(S) = R^3C^3S^3/ R^3C^3S^3 +6R^2C^2S^2+5RCS+1
Ps: con ^ indico elevazione.
Grazie ancora.
- fidocadj -
Ho ricavato I(s) e la RT ma il mio problema sorge quando devo calcolarmi Iu(S) e Vu(S) per scrivere poi la funzione di trasferimento che in questo caso è Vu(S) / Vi(S).
Il risultato ripartito sul libro dovrebbe essere :
G(S) = R^3C^3S^3/ R^3C^3S^3 +6R^2C^2S^2+5RCS+1
Ps: con ^ indico elevazione.
Grazie ancora.
- fidocadj -
Ultima modifica di
mir il 10 ott 2013, 12:44, modificato 3 volte in totale.
Motivazione: rieditato il titolo con carattere minuscolo. (carattere maiuscolo=urlare,non è il caso ;) ) e inserito schema in fidcadj
Motivazione: rieditato il titolo con carattere minuscolo. (carattere maiuscolo=urlare,non è il caso ;) ) e inserito schema in fidcadj
1
voti
"Non farei mai parte di un club che accettasse la mia iscrizione" (G. Marx)
-

claudiocedrone
21,3k 4 7 9 - Master EY

- Messaggi: 15302
- Iscritto il: 18 gen 2012, 13:36
6
voti
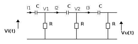
Che cosa e` I(s)? La corrente di ingresso?
Per trovare la funzione di trasferimento Vu/Vi puoi fare in due o tre modi diversi.
Ad esempio puoi scrivere 3 equazioni ai nodi V1 V2 e Vu di questo circuito
Le equazioni sono singolarmente facili, ma poi devi risolvere 3 equazioni in 3 incognite, anche se in realta` te ne serve una sola di incognita, Vu.
Ad esempio l'equazione per il nodo 2 viene

Se non vuoi scrivere 3 equazioni in tre incognite, puoi scrivere solo due equazioni in due incognite, prendendo V1 e V2. Trovi V2 e da questa ricavi Vu con un partitore di tensione

Se non vuoi usare le equazioni ai nodi, puoi usare ad esempio i partitori, calcolando prima le impedenze Z1, Z2 e Z3 viste a queste sezioni:
Poi parti dalla sorgente Vi e vai fino all'uscita, calcolando correnti e partitori di corrente

Sembra facile, ma le espressioni delle varie Z sono abbastanza complicate.
Oppure ancora puoi usare il metodo di Ahmes: supponi che la tensione di uscita sia unitaria:
e da questa calcoli I3
Con I3 calcoli V2,
Sapendo la tensione V2 puoi calcolare la corrente I2
e dalla corrente I2 puoi calcolare la tensione V1
e adesso, guess what? si ripete la procedura. Dalla tensione V1 ricavi la corrente I1
e con la corrente I1 trovi la tensione di ingresso Vi che ti da` 1V all'uscita
E finalmente puoi trovare il rapporto Vu/Vi. Sempra lungo ma i conti sono semplici.
Per trovare la funzione di trasferimento Vu/Vi puoi fare in due o tre modi diversi.
Ad esempio puoi scrivere 3 equazioni ai nodi V1 V2 e Vu di questo circuito
Le equazioni sono singolarmente facili, ma poi devi risolvere 3 equazioni in 3 incognite, anche se in realta` te ne serve una sola di incognita, Vu.
Ad esempio l'equazione per il nodo 2 viene

Se non vuoi scrivere 3 equazioni in tre incognite, puoi scrivere solo due equazioni in due incognite, prendendo V1 e V2. Trovi V2 e da questa ricavi Vu con un partitore di tensione

Se non vuoi usare le equazioni ai nodi, puoi usare ad esempio i partitori, calcolando prima le impedenze Z1, Z2 e Z3 viste a queste sezioni:
Poi parti dalla sorgente Vi e vai fino all'uscita, calcolando correnti e partitori di corrente

Sembra facile, ma le espressioni delle varie Z sono abbastanza complicate.
Oppure ancora puoi usare il metodo di Ahmes: supponi che la tensione di uscita sia unitaria:
e da questa calcoli I3
Con I3 calcoli V2,
Sapendo la tensione V2 puoi calcolare la corrente I2
e dalla corrente I2 puoi calcolare la tensione V1
e adesso, guess what? si ripete la procedura. Dalla tensione V1 ricavi la corrente I1
e con la corrente I1 trovi la tensione di ingresso Vi che ti da` 1V all'uscita
E finalmente puoi trovare il rapporto Vu/Vi. Sempra lungo ma i conti sono semplici.Per usare proficuamente un simulatore, bisogna sapere molta più elettronica di lui
Plug it in - it works better!
Il 555 sta all'elettronica come Arduino all'informatica! (entrambi loro malgrado)
Se volete risposte rispondete a tutte le mie domande
Plug it in - it works better!
Il 555 sta all'elettronica come Arduino all'informatica! (entrambi loro malgrado)
Se volete risposte rispondete a tutte le mie domande
4
voti
IsidoroKZ ha scritto:Oppure ancora puoi usare il metodo di Ahmes:
... o anche, definito k come segue

usando semplicemente

Una relazione notevole, che nella sua forma generale permetterebbe di determinare anche i potenziali dei nodi intermedi ma che particolarizzata per il potenziale al nodo finale si semplifica nella seguente

(n= numero celle e i coefficienti cj sono quelli relativi alla riga i=n della tabella)
... tanto per fare un altro esempio

... come non detto.
-------- Edit --------------------------------------------------------------
Giusto per completare il discorso posto anche la relazione generale,
ovvero quella per determinare il potenziale ai nodi sezionali intermedi h

dove le costanti bi sono ricavabili sempre dalla suddetta tabella, ma diversamente dalle cj, non sulla diagonale n-esima, ma bensì sulla diagonale (n-h)-esima.
"Il circuito ha sempre ragione" (Luigi Malesani)
0
voti
Non quotare tutto. Grazie!
Ha un nome quest'altro metodo?
Ha un nome quest'altro metodo?
"The past is not really the past until it has been registered. Or put another way, the past has no meaning or existence unless it exists as a record in the present."
John Archibald Wheeler
John Archibald Wheeler
0
voti
Grazie a Isidoro e a tutti voi,ho risolto. Il funzione di trasferimento non è proprio la stessa ma si avvicina.
Grazie ancora.
Grazie ancora.
1
voti
0micron ha scritto:...Il funzione di trasferimento non è proprio la stessa ma si avvicina.
Ci puoi spiegare cosa intendi con "si avvicina"?
Grazie.
"Il circuito ha sempre ragione" (Luigi Malesani)
2
voti
RenzoDF ha scritto:Lascio a voi estendere il metodo per ricavare i coefficienti della tabella.
... come non detto.
Va bhé, ormai che ho preparato la tabellina, la posto comunque...
-

EnChamade
6.498 2 8 12 - G.Master EY

- Messaggi: 588
- Iscritto il: 18 giu 2009, 12:00
- Località: Padova - Feltre
16 messaggi
• Pagina 1 di 2 • 1, 2
Chi c’è in linea
Visitano il forum: Nessuno e 36 ospiti

Elettrotecnica e non solo (admin)
Un gatto tra gli elettroni (IsidoroKZ)
Esperienza e simulazioni (g.schgor)
Moleskine di un idraulico (RenzoDF)
Il Blog di ElectroYou (webmaster)
Idee microcontrollate (TardoFreak)
PICcoli grandi PICMicro (Paolino)
Il blog elettrico di carloc (carloc)
DirtEYblooog (dirtydeeds)
Di tutto... un po' (jordan20)
AK47 (lillo)
Esperienze elettroniche (marco438)
Telecomunicazioni musicali (clavicordo)
Automazione ed Elettronica (gustavo)
Direttive per la sicurezza (ErnestoCappelletti)
EYnfo dall'Alaska (mir)
Apriamo il quadro! (attilio)
H7-25 (asdf)
Passione Elettrica (massimob)
Elettroni a spasso (guidob)
Bloguerra (guerra)










