Buongiorno a tutti. Chiedo aiuto per risolvere un problema. Volevo fare un amplificatore alimentato a 12 V e ho trovato lo schema che ho provato a riprodurre in Fidocad.Anticipo che e' la prima volta che uso il programma, per cui sarà uno schema impreciso. Nel caso non vada bene, vi prego segnalarlo, che farò tutte le modifiche che riterrete necessarie. Il circuito sulla breadboard purtroppo non mi dà alcun segnale. Ho provato ad alimentarlo con 12 V e la cassa emette un debole "buzz" . Se non ho capito male si può alimentare fino a 44 V , allora pensando l'alimentazione non fosse sufficiente, ho provato con un vecchio alimentatore da stampante 33V 650ma e al secondo tentativo l'alimentatore si è bruciato. Ho provato a controllare il circuito e tutti i collegamenti sembrerebbero corretti.
Qualcuno ha qualche consiglio? Visto che ho pasticciato un po' mentre provavo a farlo ,c'e' modo per sapere se ho danneggiato il TDA2050 ? Grazie in anticipo .
Patrizio
Amplificatore con TDA2050
Moderatore:
IsidoroKZ
31 messaggi
• Pagina 1 di 4 • 1, 2, 3, 4
0
voti
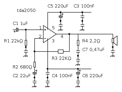
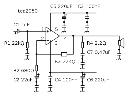
Intanto mi sembra di vedere "qualche" condensatore di troppo nel tuo schema... ma soprattutto, quello è uno schema che funziona con alimentazione duale.
Se usi un comune alimentatore con sola tensione positiva, allora non devi usare quello schema, ma quello che trovi qui, a pagina 6.
Ciao
Se usi un comune alimentatore con sola tensione positiva, allora non devi usare quello schema, ma quello che trovi qui, a pagina 6.
Ciao
0
voti
Aggiungo nuovo schema, perché avevo omesso dei dati....
-

patrickfog
0 3 - Messaggi: 33
- Iscritto il: 8 ago 2013, 14:56
0
voti
Lo schema è sbagliato: la resistenza da 22 kohm all'ingresso deve essere collegata a massa direttamente, senza il condensatore.
In seconda battuta mi sembra di capire che tu abbia a disposizione un'alimentazione singola, mentre il circuito disegnato è quello con alimentazione duale. Il TDA2050 può lavorare in entrambi i modi ma lo schema è diverso.
Il datasheet è questo: http://www.st.com/st-web-ui/static/active/en/resource/technical/document/datasheet/CD00000131.pdf, se usi un'alimentazione duale devi usare il circuito di fig. 4, se usi un'alimentazione singola quello di fig. 6
Come puoi vedere sono ben diversi.
In seconda battuta mi sembra di capire che tu abbia a disposizione un'alimentazione singola, mentre il circuito disegnato è quello con alimentazione duale. Il TDA2050 può lavorare in entrambi i modi ma lo schema è diverso.
Il datasheet è questo: http://www.st.com/st-web-ui/static/active/en/resource/technical/document/datasheet/CD00000131.pdf, se usi un'alimentazione duale devi usare il circuito di fig. 4, se usi un'alimentazione singola quello di fig. 6
Come puoi vedere sono ben diversi.
0
voti
Grazie per le risposte..in effetti... per testarlo posso colleare un mp3 con dei coccodrilli collegati al jack, o il segnale risulterebbe scarso?
-

patrickfog
0 3 - Messaggi: 33
- Iscritto il: 8 ago 2013, 14:56
1
voti
Per provarlo devi usare una alimentazione duale oppure fare lo schema (giusto) della versione a singola alimentazione.
Per usare proficuamente un simulatore, bisogna sapere molta più elettronica di lui
Plug it in - it works better!
Il 555 sta all'elettronica come Arduino all'informatica! (entrambi loro malgrado)
Se volete risposte rispondete a tutte le mie domande
Plug it in - it works better!
Il 555 sta all'elettronica come Arduino all'informatica! (entrambi loro malgrado)
Se volete risposte rispondete a tutte le mie domande
1
voti
Questo è lo schema "ripulito" del 2050 con alimentazione duale.
Se lo hai alimentato con un alimentatore da stampante tra i piedini 5 (+) e 3 (-) forse hai fatto altri danni, oltre a friggere l'alimentatore stesso.
Inoltre il condensatore C6 era invertito: dovrebbe stare col positivo a massa e il negativo al ramo negativo di alimentazione, come nello schema corretto.
Come consigliato da
Dalle vigenti norme:
Non costruire, compra!
Non riparare, ricompra!
Non costruire, compra!
Non riparare, ricompra!
0
voti
Si si, infatti stavo guardando quello schema ora . Avevo sbagliato tutto fin dall'inizio . Grazie a tutti per i consigli, anche se qualcosa mi dice che avrò ancora bisogno del vostro supporto.
Ciao
Patrizio
Ciao
Patrizio
-

patrickfog
0 3 - Messaggi: 33
- Iscritto il: 8 ago 2013, 14:56
0
voti

"Non farei mai parte di un club che accettasse la mia iscrizione" (G. Marx)
-

claudiocedrone
21,3k 4 7 9 - Master EY

- Messaggi: 15302
- Iscritto il: 18 gen 2012, 13:36
31 messaggi
• Pagina 1 di 4 • 1, 2, 3, 4
Torna a Elettronica e spettacolo
Chi c’è in linea
Visitano il forum: Nessuno e 5 ospiti

Elettrotecnica e non solo (admin)
Un gatto tra gli elettroni (IsidoroKZ)
Esperienza e simulazioni (g.schgor)
Moleskine di un idraulico (RenzoDF)
Il Blog di ElectroYou (webmaster)
Idee microcontrollate (TardoFreak)
PICcoli grandi PICMicro (Paolino)
Il blog elettrico di carloc (carloc)
DirtEYblooog (dirtydeeds)
Di tutto... un po' (jordan20)
AK47 (lillo)
Esperienze elettroniche (marco438)
Telecomunicazioni musicali (clavicordo)
Automazione ed Elettronica (gustavo)
Direttive per la sicurezza (ErnestoCappelletti)
EYnfo dall'Alaska (mir)
Apriamo il quadro! (attilio)
H7-25 (asdf)
Passione Elettrica (massimob)
Elettroni a spasso (guidob)
Bloguerra (guerra)









