Cos'è ElectroYou | Login Iscriviti

ElectroYou - la comunità dei professionisti del mondo elettrico

Due paranchi in parallelo?

Tecniche per la costruzione e la riparazione di apparecchiature elettriche e non. Ricerca guasti. Adattamenti e riutilizzazioni
0
voti

[1] Due paranchi in parallelo?

Messaggioda Foto Utentemetiumet » 13 ott 2013, 16:04

Salve a tutti, mi sono appena iscritto e di elettronica ci capisco giusto il necessario per farmi un impianto casalingo.
In breve, ho costruito un letto basculante, che sale e che scende(parallelo al suolo, come la nave pirata al luna park). Inizialmente doveva essere manuale, ma ho sottovalutato il peso di rete e materasso(95Kg), ho quindi deciso di motorizzarlo. Ho acquistato due paranchi economici, uno per lato. L'idea é di metterli in parallelo in un unico pulsante che li aziona contemporaneamente. Ho aperto il telecomando e mi sono fermato li: c'é un condensatore #-o 450v, 50/60HZ...non ho idea di come funzioni.
I paranchi sono due Timbertech ESW01, 230V - 50Hz, 500W

Ho letto su un articolo che mettendo due condensatori in parallelo aumenta la capacità(in questo caso del doppio) ma non la tensione di lavoro...
Significa posso accoppiare semplicemente i due condensatori, ovvero accoppiare filo per filo rispettando l'ordine dei collegamenti su un unico pulsante senza che mi si sciolga?

Pensavo anche a due pulsanti, uno per senso di marcia.

E' importante che si muovano insieme, altrimenti il letto sale prima da un lato
Scusate l'ignoranza, e grazie in anticipo!!
Avatar utente
Foto Utentemetiumet
5 3
 
Messaggi: 30
Iscritto il: 13 ott 2013, 12:43

0
voti

[2] Re: Due paranchi in parallelo?

Messaggioda Foto UtenteSerTom » 13 ott 2013, 19:17

Qui l'Elettronica centra poco !

Premetto che ad occhio si tratta di un motore di tipo asincrono bifase (può ruotare un entrambe i sensi) dove il condensatore serve per l'avvolgimento di spunto.

metiumet ha scritto: ...L'idea é di metterli in parallelo in un unico pulsante che li aziona contemporaneamente ...


In linea di massima si può fare mettendo brutalmente gli avvolgimenti dei 2 motori ed i rispettivi condensatori.
Naturalmente il dispositivo di comando deve reggere la doppia potenza.
Cerca nella documentazione se il paranco prevede dei finecorsa, se si occorre bypassarne uno dei 2 (magari regolandolo in modo che non intervenga. Leggi anche sotto.

metiumet ha scritto: ... E' importante che si muovano insieme, altrimenti il letto sale prima da un lato ...


Questo è un problema. I motori asincroni ruotano ad una velocità inversamente proporzionale al carico, praticamente non andranno mai alla pari. O accetti la differenza (ma che col tempo si accentua) oppure
devi mantenere (e se non ci sono, metterrli) i finecorsa. Questi fanno in modo che almeno a finecorsa i due paranchi si allineino.
In questo caso però non puoi più mettere gli avvolgimenti in parallelo, devi usare dei relè in modo che i singoli avvolgimenti siano comandati solo durante la rispettiva manovra.

Bye O_/ Ser.Tom
Avatar utente
Foto UtenteSerTom
4.222 1 4 9
Expert EY
Expert EY
 
Messaggi: 1950
Iscritto il: 18 mag 2012, 9:57

0
voti

[3] Re: Due paranchi in parallelo?

Messaggioda Foto Utentemetiumet » 13 ott 2013, 20:17

Grazie Sir!
La nebbia comincia finalmente a diradarsi, anche se ammetto che dell'ultima frase non ho capito dove mettere eventualmente i relè :oops:
C'è un fine corsa meccanico(una leva schiaccia su di un interruttore) che potrei bypassare tranquillamente, ma alla luce di quello che mi spieghi non mi sembra il caso.
Ora il condensatore è sul commutatore( 6 contatti 1-0-2 ).
Ma se spostassi il condensatore DOPO il commutatore(e prima del motore) cambierebbe qualcosa?
Avrei comunque lo stesso doppio carico sul commutatore?

Spero di non essere già arrivato alle domande stupide...
Grazie per la pazienza
Avatar utente
Foto Utentemetiumet
5 3
 
Messaggi: 30
Iscritto il: 13 ott 2013, 12:43

0
voti

[4] Re: Due paranchi in parallelo?

Messaggioda Foto UtenteCandy » 13 ott 2013, 22:23

Cominciamo a dire che i circuiti elettrici non si descrivono unicamente a parole, ma si integrano degli schemi che rappresentano molto meglio, con la grafica, quello che le parole fanno fatica a rappresentare.

Detto questo, c'è da osservare che come hanno detto i motori asincroni non avendo una velocità sincrona potrebbero darti delle grosse noie. Sembra che il progetto sia stato pensato male sin dall'inizio ed ora il taccone pensato sia peggio del problema: vedo due soluzioni. Prima di tutto o la parte basculante muove su delle guide, oppure si accoppiano meccanicamente i due motori per avere una rotazione di spinta sincrona.

Quella delle guide è forse meccanicamente più corretta, ma non so quanto poi sia attuabile praticamente.
Oppure opti per altre soluzioni, come ad esempio il motore unico.

Che tu abbia visto dei condensatori dice poco: potrebbe trattarsi di un condensatore di spunto o di filtro e, da qui a dirti cosa fare o darti uno schema ce ne passa ancora.

In tutta franchezza penso che: per sicurezza mi guarderei dall'usare quell'aggeggio, qualunque cosa sia, visto che forse è stato mal progettato. Ed ancora, elettricamente mi rivolgerei almeno ed un elettricista di qualche tipo per capire cosa si può fare elettricamente.
Avatar utente
Foto UtenteCandy
32,5k 7 10 13
CRU - Account cancellato su Richiesta utente
 
Messaggi: 10123
Iscritto il: 14 giu 2010, 22:54

1
voti

[5] Re: Due paranchi in parallelo?

Messaggioda Foto UtenteSerTom » 16 ott 2013, 9:50

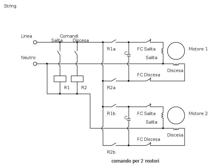
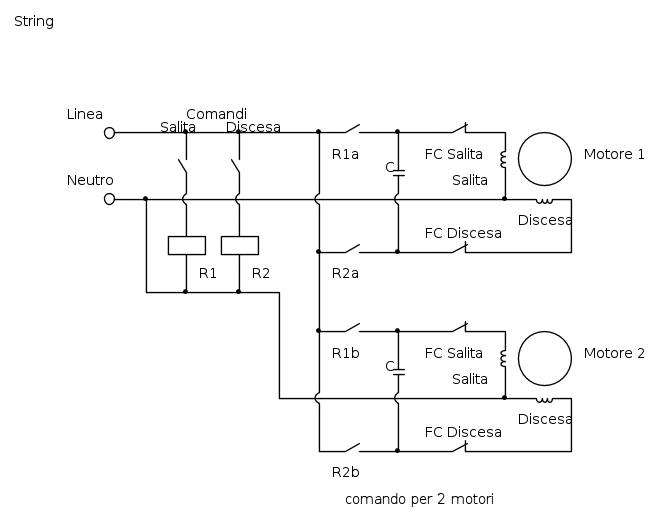
Giusto per "parlare" con gli schemi alla mano: questo dovrevve essere lo schema elettrico interno del dispositivo:



Mentre questo è lo schema con i 2 relè (bobina a 230V) che consigliavo:



Infine: riconfermo quanto detto da Candy: qui no c'è spazio per l'immaginazione (stai realizzando una "Macchina") e se non sei padrone dell'argomento, rivolgiti ad un professionista !

Bye O_/ Ser.Tom
Avatar utente
Foto UtenteSerTom
4.222 1 4 9
Expert EY
Expert EY
 
Messaggi: 1950
Iscritto il: 18 mag 2012, 9:57

0
voti

[6] Re: Due paranchi in parallelo?

Messaggioda Foto UtenteFernecchio » 16 ott 2013, 11:40

Se si potesse avere uno schema del cinematismo si potrebbe studiare una soluzione a motore unico
Avatar utente
Foto UtenteFernecchio
972 1 2 4
Frequentatore
Frequentatore
 
Messaggi: 290
Iscritto il: 14 ott 2012, 17:52

0
voti

[7] Re: Due paranchi in parallelo?

Messaggioda Foto Utentemetiumet » 18 ott 2013, 0:05

Grazie mille per le risposte e soprattutto per lo schema. Non ho autocad (e se lo avessi dovrei imparare ad usarlo :oops: )percui ho fatto un PDF con lo schema del paranco
Allegati
Paranco.pdf
(20.54 KiB) Scaricato 307 volte
Avatar utente
Foto Utentemetiumet
5 3
 
Messaggi: 30
Iscritto il: 13 ott 2013, 12:43

1
voti

[8] Re: Due paranchi in parallelo?

Messaggioda Foto UtenteRos09 » 18 ott 2013, 0:45

Foto UtenteSerTom, c'è un piccolo errore nello schema.
Il condensatore va collegato a valle dei fine corsa, in quanto se uno dei due si apre, il condensatore verrebbe separato dagli avvolgimenti, quindi non consentirebbe la marcia in senso opposto.
Avatar utente
Foto UtenteRos09
345 2 5
Expert
Expert
 
Messaggi: 204
Iscritto il: 13 set 2008, 15:05

0
voti

[9] Re: Due paranchi in parallelo?

Messaggioda Foto UtenteSerTom » 18 ott 2013, 16:44

Ros09 ha scritto:Foto UtenteSerTom, c'è un piccolo errore nello schema.
.

Oops ... vero (fretta nel fare lo schema) !

Non ho autocad ....

Meglio non usare il Bazooka per uccidere le mosche ! Fidocad basta e avanza per uno schizzo .

Bye O_/ Ser.Tom
Avatar utente
Foto UtenteSerTom
4.222 1 4 9
Expert EY
Expert EY
 
Messaggi: 1950
Iscritto il: 18 mag 2012, 9:57

0
voti

[10] Re: Due paranchi in parallelo?

Messaggioda Foto Utentemetiumet » 19 ott 2013, 0:10

Dunque se ho capito bene usero' un relé per la salita ed uno per la discesa. Questo vuol dire che premo il relativo pulsante che chiude il contatto e il letto sale, sale(o scende, scende) finché non incontra il FC (il quale dovrà pure essere un pulsante che apre il contatto del relativo relé) e il letto si ferma.
Scusate ancora una volta la mia ignoranza, il fatto che il pulsante rimanga premuto danneggia il relé?
Grazie ancora per la pazienza, credo che il puzzle sia teoricamente composto
Avatar utente
Foto Utentemetiumet
5 3
 
Messaggi: 30
Iscritto il: 13 ott 2013, 12:43

Prossimo

Torna a Costruzione, riparazione, riutilizzo

Chi c’è in linea

Visitano il forum: Nessuno e 12 ospiti