Cos'è ElectroYou | Login Iscriviti

ElectroYou - la comunità dei professionisti del mondo elettrico

Spiegazione schema amplificatore

Elettronica lineare e digitale: didattica ed applicazioni

Moderatori: Foto Utentecarloc, Foto Utenteg.schgor, Foto UtenteBrunoValente, Foto UtenteIsidoroKZ

0
voti

[1] Spiegazione schema amplificatore

Messaggioda Foto UtenteFederico80 » 19 ott 2013, 19:42

Salve :-)
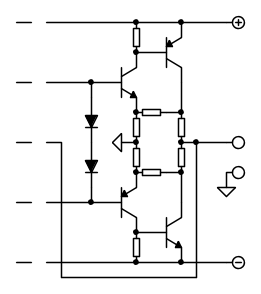
vorrei chiedervi qualche delucidazione su questo schema http://www.redcircuits.com/Page150.htm; comprendo tutto quanto a partire dall'input fino ai due transistors Q6/Q7; non riesco a capire a cosa servono (e come operano) invece Q8/Q9.

Vi ringrazio per l'aiuto.

Fede
Avatar utente
Foto UtenteFederico80
30 5
New entry
New entry
 
Messaggi: 54
Iscritto il: 16 gen 2013, 11:33
Località: Padova

0
voti

[2] Re: Spiegazione schema amplificatore

Messaggioda Foto UtenteANDREA2013 » 19 ott 2013, 20:16

prova a chiedere a fladell@tin.it
Avatar utente
Foto UtenteANDREA2013
887 3 6
Utente disattivato per decisione dell'amministrazione proprietaria del sito
 
Messaggi: 710
Iscritto il: 16 lug 2013, 21:30

0
voti

[3] Re: Spiegazione schema amplificatore

Messaggioda Foto Utentestefanob70 » 19 ott 2013, 23:54

Mi sembra una configurazione di tipo Push-Pull ad emettitore comune a stadio complementare.
Q8 e Q9 e' lo stadio di potenza finale che pilota l'altoparlante.

Leggi qui
ƎlectroYou
Avatar utente
Foto Utentestefanob70
14,1k 5 11 13
Master EY
Master EY
 
Messaggi: 3190
Iscritto il: 14 lug 2012, 13:14
Località: Roma

0
voti

[4] Re: Spiegazione schema amplificatore

Messaggioda Foto UtenteFederico80 » 20 ott 2013, 10:48

Ciao Stefanob70,
da quanto sapevo un push pull sono due emitter-follower in simmetria (NPN e PNP), e in effetti Q6 e Q7 sono in conf. push-pull; ma Q8 e Q9 hanno i collettori collegati (ma non collegati all'alimentazione con per Q6/Q7)... non riesco proprio a visualizzare, o forse anche quella configurazione si chiama push pull. Proverò a mettere lo schema in ltspice e a studiarlo con la simulazione.

Fede
Avatar utente
Foto UtenteFederico80
30 5
New entry
New entry
 
Messaggi: 54
Iscritto il: 16 gen 2013, 11:33
Località: Padova

0
voti

[5] Re: Spiegazione schema amplificatore

Messaggioda Foto Utentestefanob70 » 20 ott 2013, 11:08

Infatti ho detto "mi sembra" cioe' sono sempre un NPN ed un PNP solo a emettitore comune.
Dando uno sguardo al link che ho posto ho visto una configurazione simile ma a collettore comune.
Poi attendiamo il parere di esperti....
ƎlectroYou
Avatar utente
Foto Utentestefanob70
14,1k 5 11 13
Master EY
Master EY
 
Messaggi: 3190
Iscritto il: 14 lug 2012, 13:14
Località: Roma

0
voti

[6] Re: Spiegazione schema amplificatore

Messaggioda Foto Utentemarco438 » 20 ott 2013, 11:18

Ma avete letto l'articolo che segue allo schema?
marco
Avatar utente
Foto Utentemarco438
37,1k 7 11 13
-EY Legend-
-EY Legend-
 
Messaggi: 16323
Iscritto il: 24 mar 2010, 15:09
Località: Versilia

9
voti

[7] Re: Spiegazione schema amplificatore

Messaggioda Foto Utentecarloc » 20 ott 2013, 11:36

Guarda non penso proprio che un simulatore di possa spiegare un gran che di come funziona questo stadio, piuttosto un'idea te la puoi fare così:

dato che lo stadio di uscita è complementare e lavora una metà alla volta pensiamo per il momemento soltanto a Q6 e Q8. Poi aggiungerei " Togliamo un attimo di giro anche il finale Q8 ".



quello che rimane è un well known stadio di uscita a collettore comune. Comunque la corrente nel carico i_L produce anche una caduta di tensione su R11, quando questa raggiunge qualcosa intorno a 600mV diventa sufficiente a far iniziare la conduzione anche di Q8.



da ora in poi la corrente di collettore di Q8 aiuterà lo stadio CC a fornire la corrente al carico.

Alcuni dettagli:

i) questo avverrà quando la corrente nel carico supera qualcosa intorno a 600mV/47Ω≈12mA, cioè "molto presto". Anzi anche la sola corrente di riposo potrebbe essere già sufficiente ad attivare anche i finali.

ii) da un punto di vista dinamico lo stadio tende a comportarsi circa come lo stadio CC soltanto, cioè ha una impedenza di uscita bassa (che è molto buona cosa :D ). Riesci a vedere la reazione di tensione con confronto serie della coppia Q6/Q8 ?

iii) perché questa configurazione e non un classico darlington? Io dico che così la dinamica in uscita è migliore, cioè si riesce a far variare la tensione sul carico fino quasi le alimentazioni (*) mentre con dei darlington la cosa sarebbe un po' peggiore.

(*) considerando gli stadi a monte si dovrebbe dire che la cosa va meglio nel ramo negativo Q7/Q9 , in quello positivo Q6/Q8 ci perdiamo un paio di volt in più a causa del generatore di corrente Q4, ci vorrebbe un bootstrap, ma ogni cosa si può far meglio ed ad un certo punto si deve pur smettere, anche considerato che vista l'alimentazione elevata di +/- 33V potrebbe non essere così necessario spremere fino all'ultimo millivolt.

iv) perché alimentare gli stadi a monte dalle basi dei finali e non direttamente dalla linea 33V? Beh devo dire che al momento una ragione mi sfugge :? :? Direi solo che comunque grande differenza non ci deve essere: la tensione su queste basi può variare solo di qualche centinaio di millivolt da riposo a carico ed ancora, rispetto oltre 30V chi se frega? Ma non dispero mi venga qualche idea :D
Se ti serve il valore di beta: hai sbagliato il progetto!
Avatar utente
Foto Utentecarloc
33,8k 6 11 13
G.Master EY
G.Master EY
 
Messaggi: 2153
Iscritto il: 7 set 2010, 19:23

4
voti

[8] Re: Spiegazione schema amplificatore

Messaggioda Foto UtenteBrunoValente » 20 ott 2013, 12:44

carloc ha scritto:iv) perché alimentare gli stadi a monte dalle basi dei finali e non direttamente dalla linea 33V? Beh devo dire che al momento una ragione mi sfugge :? :?

Neanch'io comprendo quella scelta...anzi, a pensarci bene non mi piace: qualsiasi corrente assorbita dagli stadi precedenti fa aumentare quella nei finali e, cosa che mi piace ancora meno, i finali non sono stabilizzati termicamente, a meno che non sia assicurata la condizione di corrente a riposo nulla, probabilmente è così che deve funzionare.

Dai valori di R9 e R10 si potrebbe ipotizzare che l'autore sia partito da un schema preesistente di un amplificatore di piccola potenza dove successivamente ha aggiunto i finali.

Una soluzione più classica e sicuramente migliore è questa che segue, dove la corrente a riposo dei transistor di potenza, che sono stabilizzati termicamente, non è nulla e dove lo stadio finale ha un guadagno superiore all'unità, dell'ordine di 1.5-2, in modo da non avere l'inconveniente che segnalava Foto Utentecarloc e cioè una dinamica limitata nel ramo positivo a causa dalla presenza del generatore di corrente Q4.
Avatar utente
Foto UtenteBrunoValente
39,6k 7 11 13
G.Master EY
G.Master EY
 
Messaggi: 7796
Iscritto il: 8 mag 2007, 14:48

0
voti

[9] Re: Spiegazione schema amplificatore

Messaggioda Foto Utenteclaudiocedrone » 20 ott 2013, 17:40

BrunoValente ha scritto: ...non mi piace: qualsiasi corrente assorbita dagli stadi precedenti fa aumentare quella nei finali e, cosa che mi piace ancora meno, i finali non sono stabilizzati termicamente, a meno che non sia assicurata la condizione di corrente a riposo nulla, probabilmente è così che deve funzionare.

Dai valori di R9 e R10 si potrebbe ipotizzare che l'autore sia partito da un schema preesistente di un amplificatore di piccola potenza dove successivamente ha aggiunto i finali...


:-) Non piace granché nemmeno a me, lo trovo troppo "semplice" (o forse semplicistico) e non condivido molto l'affermazione "rugged" che si trova nell'articolo... per la corrente di riposo sempre dall'articolo si può vedere che il finale è classificato in classe B (e mi sfugge come sia "trattata" la distorsione d'incrocio... forse affidata al caso :-M :mrgreen: ) che non necessita di taratura; per dirla tutta pare anche a me un "arrappiccico"; mi ricorda tantissimo un amplificatorino da 10 W di NE (edito a suo tempo a scopo... didattico) nel quale la compensazione termica era affidata ai diodi che nel layout venivano messi appoggiati al dissipatore vicino ai finali (nell'articolo linkato non c'è però traccia di tali accorgimenti costruttivi)... sembra proprio quello con l'aggiunta degli ultimi due transistor di potenza (e l'alimentazione maggiorata). :-) O_/
"Non farei mai parte di un club che accettasse la mia iscrizione" (G. Marx)
Avatar utente
Foto Utenteclaudiocedrone
21,3k 4 7 9
Master EY
Master EY
 
Messaggi: 15302
Iscritto il: 18 gen 2012, 13:36

0
voti

[10] Re: Spiegazione schema amplificatore

Messaggioda Foto UtenteFedericoSibona » 20 ott 2013, 20:58

Beh, qui c'è un circuito molto simile http://sound.westhost.com/project03.htm e, nella prima configurazione, nella didascalia, c'è scritto "Don't Use This Circuit!" mentre un po' oltre c'è un circuito modificato (e nell'articolo ci sono un po' di spiegazioni delle modifiche) ;-)
Avatar utente
Foto UtenteFedericoSibona
5.022 3 5 8
Master
Master
 
Messaggi: 3951
Iscritto il: 19 mar 2013, 11:43

Prossimo

Torna a Elettronica generale

Chi c’è in linea

Visitano il forum: Nessuno e 25 ospiti