Cos'è ElectroYou | Login Iscriviti

ElectroYou - la comunità dei professionisti del mondo elettrico

Transistor ad emettitore comune

Elettronica lineare e digitale: didattica ed applicazioni

Moderatori: Foto Utentecarloc, Foto Utenteg.schgor, Foto UtenteBrunoValente, Foto UtenteIsidoroKZ

0
voti

[1] Transistor ad emettitore comune

Messaggioda Foto Utentenyky93 » 24 ott 2013, 16:27

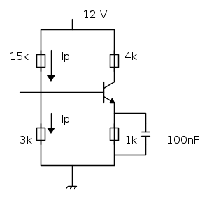
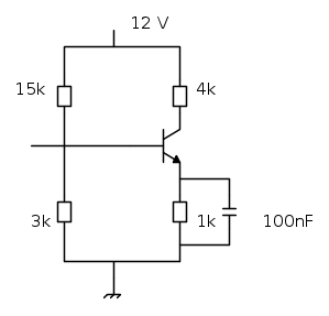
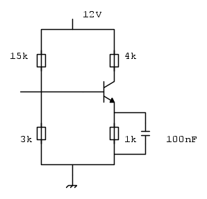
Ciao a tutti. Vorrei chiedervi se potreste darmi una mano con questo esercizio riguardante i transistor

Devo stimare la tensione statica dell'emettitore e la corrente di collettore, facendo ragionevoli ipotesi sui parametri h_{fe} ed h_{ie} del transistor



Nella risoluzione dell'esercizio trovo scritto che, Il punto di lavoro statico non è influenzato dalla presenza del capacitore sull’emettitore. Si fa l’ipotesi che la corrente di base del transistor sia trascurabile rispetto alla corrente complessiva del partitore

Cioè per individuare la corrente di base non devo considerare il parallelo tra 15k e 3k? perché è trascurabile rispetto alla corrente del partitore?
Avatar utente
Foto Utentenyky93
130 1 2 6
Frequentatore
Frequentatore
 
Messaggi: 173
Iscritto il: 2 ago 2012, 20:49

3
voti

[2] Re: Transistor ad emettitore comune

Messaggioda Foto Utenteafz » 24 ott 2013, 16:33

Ciao Foto Utentenyky93! :D
Si fa l’ipotesi che la corrente di base del transistor sia trascurabile rispetto alla corrente complessiva del partitore

Cioè per individuare la corrente di base non devo considerare il parallelo tra 15k e 3k? perché è trascurabile rispetto alla corrente del partitore?

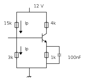
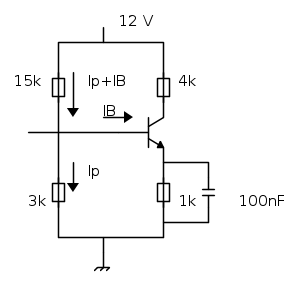
Semplicemente significa che nel partitore scorre la corrente \frac {12}{15k+3k}, come se la base non "succhiasse" alcuna corrente; in questo modo puoi trovare la tensione sulla base; se si suppone la V_{BE}=0.7V, trovi la tensione VE, da cui trovi la IE.
Dalla IE si ricava la IB dividendo per (h_{fe}+1). Se questa corrente trovata (appunto la corrente di base) risulta piccola rispetto alla corrente del partitore calcolata inizialmente, allora l'ipotesi di corrente di base trascurabile è corretta.
------
La situazione reale sarebbe la seguente:
Con l'ipotesi di corrente di base trascurabile calcoli la tensione del partitore come se non ci fosse alcuna corrente IB:
Con i numeri dell'esercizio, se non ho sbagliato a fare i conti, viene una Ip=667µA, e una IB=12.8 µA, supponendo un h_{fe}=100.
La tensione sulla base è V_B=\frac {3}{15+3} \cdot 12=2 V
La tensione sull'emettitore è V_E=V_B-0.7, supponendo la caduta sulla giunzione base-emettitore di 0.7V
La corrente di emettitore è \frac{V_E}{1k}=1.3 mA
La corrente di base è \frac{I_E}{h_{fe}+1}=\frac{1.3}{101}=12.8 \mu A
Avatar utente
Foto Utenteafz
1.770 1 3 8
Expert EY
Expert EY
 
Messaggi: 375
Iscritto il: 24 dic 2011, 11:02
Località: Provincia di Pavia

1
voti

[3] Re: Transistor ad emettitore comune

Messaggioda Foto Utenteafz » 24 ott 2013, 17:18

Nella risoluzione dell'esercizio trovo scritto che, Il punto di lavoro statico non è influenzato dalla presenza del capacitore sull’emettitore

Il punto di lavoro è calcolato in continua, perciò il condensatore è un aperto.
Avatar utente
Foto Utenteafz
1.770 1 3 8
Expert EY
Expert EY
 
Messaggi: 375
Iscritto il: 24 dic 2011, 11:02
Località: Provincia di Pavia

0
voti

[4] Re: Transistor ad emettitore comune

Messaggioda Foto Utentenyky93 » 24 ott 2013, 17:30

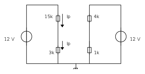
Ciao afz :-) una domanda: sotto queste ipotesi, il circuito è equivalente al seguente



oppure ho appena scritto una sciocchezza?
Avatar utente
Foto Utentenyky93
130 1 2 6
Frequentatore
Frequentatore
 
Messaggi: 173
Iscritto il: 2 ago 2012, 20:49

1
voti

[5] Re: Transistor ad emettitore comune

Messaggioda Foto Utenteafz » 24 ott 2013, 17:46

Ciao!
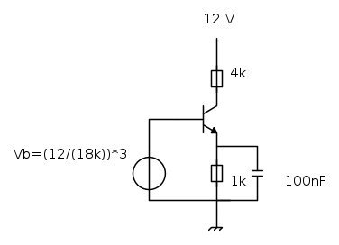
Il circuito da te rappresentato non è corretto, non essendoci più il BJT.
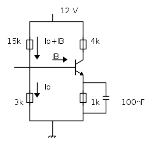
Un modo per vedere la situazione relativa all'ipotesi di corrente di base trascurabile è la seguente, in cui in pratica metti un buffer di tensione tra il partitore e la base; in questo modo la tensione al nodo del partitore è costante, e dipende solo dalla Vcc (12V) e dalle due resistenza (15 e 3 K).
In pratica, tenendo conto dell'ipotesi, la situazione è come se fosse la seguente:

L'ipotesi di corrente di base trascurabile rispetto alla corrente del partitore serve essenzialmente a velocizzare i conti; si fanno i calcoli assumendo questa ipotesi, poi alla fine si verifica se la corrente di base è << della corrente che passa nel partitore senza il BJT (cioè 12/18k)
Avatar utente
Foto Utenteafz
1.770 1 3 8
Expert EY
Expert EY
 
Messaggi: 375
Iscritto il: 24 dic 2011, 11:02
Località: Provincia di Pavia

1
voti

[6] Re: Transistor ad emettitore comune

Messaggioda Foto Utenteclaudiocedrone » 24 ott 2013, 21:36

:D Bello ! A che servono tutti quei fusibili ? :mrgreen: ; per resistenze e resistori ci sono gli appositi simboli in FidoCadJ... quelli ("fatti a mano" ?) che ci sono negli schemi sono i simboli dei fusibili ;-) O_/
"Non farei mai parte di un club che accettasse la mia iscrizione" (G. Marx)
Avatar utente
Foto Utenteclaudiocedrone
21,3k 4 7 9
Master EY
Master EY
 
Messaggi: 15302
Iscritto il: 18 gen 2012, 13:36

3
voti

[7] Re: Transistor ad emettitore comune

Messaggioda Foto UtenteEnChamade » 24 ott 2013, 21:57

Ho spostato la discussione nella sezione "Elettronica generale" perché è più indicata ad ospitare il thread.

afz ha scritto:...supponendo un h_{fe}=100, ...

Forse volevi dire h_{FE} e non h_{fe}. Il primo è definito come il rapporto fra correnti in continua mentre il secondo deriva da un modello linearizzato e quindi valido sotto la condizione di piccole perturbazioni del punto di lavoro...
Però non mi piace tanto il fatto che usiate la dicitura h_{FE} perché suggerisce che il transistor venga descritto con gli odiati parametri ibridi h... :shock: :shock: Purtroppo, non capisco perché ancora li insegnino... :( :(
Foto Utentenyky93, una curiosità: cosa/dove studi?
Avatar utente
Foto UtenteEnChamade
6.498 2 8 12
G.Master EY
G.Master EY
 
Messaggi: 588
Iscritto il: 18 giu 2009, 12:00
Località: Padova - Feltre

0
voti

[8] Re: Transistor ad emettitore comune

Messaggioda Foto Utenteafz » 24 ott 2013, 22:23

Foto UtenteEnChamade,Foto Utenteclaudiocedrone, avete ragione per gli errori segnalati, ho risposto molto in fretta e qualche errore nel "copia/incolla" è scappato!
Ormai non posso più modificare i messaggi...
Avatar utente
Foto Utenteafz
1.770 1 3 8
Expert EY
Expert EY
 
Messaggi: 375
Iscritto il: 24 dic 2011, 11:02
Località: Provincia di Pavia

0
voti

[9] Re: Transistor ad emettitore comune

Messaggioda Foto Utentenyky93 » 24 ott 2013, 22:53

una curiosità: cosa/dove studi?


Corso di laurea in fisica. Il nome del corso che sto seguendo è denominato Laboratorio di Segnali e Sistemi. In pratica sto studiando sulle dispense del corso, e iniziando ad analizzare e studiare i transistor le dispense alterna le relazioni del modello h e del modello \pi

Il primo è definito come il rapporto fra correnti in continua mentre il secondo deriva da un modello linearizzato e quindi valido sotto la condizione di piccole perturbazioni del punto di lavoro


Si ancora stiamo analizzando modelli lineari per piccoli segnali, quindi mi ritrovo con la seguente definizione

h_{fe}=g_m r_{\pi}

per resistenze e resistori ci sono gli appositi simboli in FidoCadJ


Non li ho trovati. Probabile che devo aggiornare la libreria esatto?
Avatar utente
Foto Utentenyky93
130 1 2 6
Frequentatore
Frequentatore
 
Messaggi: 173
Iscritto il: 2 ago 2012, 20:49

0
voti

[10] Re: Transistor ad emettitore comune

Messaggioda Foto Utenteafz » 24 ott 2013, 23:01

Ciao Foto Utentenyky93, il simbolo che hai (abbiamo) usato andava bene, solo che la linea tracciata sopra al resistore la rendeva uguale al simbolo del fusibile; semplicemente occorre fermare le linee ai "morsetti" del simbolo, per es.:
Avatar utente
Foto Utenteafz
1.770 1 3 8
Expert EY
Expert EY
 
Messaggi: 375
Iscritto il: 24 dic 2011, 11:02
Località: Provincia di Pavia

Prossimo

Torna a Elettronica generale

Chi c’è in linea

Visitano il forum: Google Adsense [Bot] e 38 ospiti