Cos'è ElectroYou | Login Iscriviti

ElectroYou - la comunità dei professionisti del mondo elettrico

Calcolo impedenza linea di trasmissione

Telefonia, radio, TV, internet, reti locali...comandi a distanza

Moderatore: Foto Utentejordan20

0
voti

[1] Calcolo impedenza linea di trasmissione

Messaggioda Foto UtenteShockwaver » 25 ott 2013, 12:14

Salve a tutti.
Avendo un segnale che ha come riferimeto la tensione del piano di massa dovrei calcolare l'impedenza di questa rete:


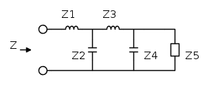
Ora, considerando per un istante una linea senza perdite puramente reattiva ( :lol: ) ho un dubbio se per il calcolo devo considerare questo equivalente:

o questo:


Io voto per il secondo, poi però magari sto sparando un mucchio di cavolate e non è nessuno dei due (il che è più che probabile :lol: )
Mi potreste illuminare per favore?
Grazie in anticipo.
Anyone who has never made a mistake has never tried anything new
Two things are infinite: universe and human stupidity, and I'm not sure about the former
You did not really understand something unless you can explain it to your grandmother
A. Einstein
Avatar utente
Foto UtenteShockwaver
770 1 5 11
Expert
Expert
 
Messaggi: 859
Iscritto il: 3 mar 2010, 18:56

0
voti

[2] Re: Calcolo impedenza linea di trasmissione

Messaggioda Foto UtenteShockwaver » 25 ott 2013, 18:43

Non so, molto verosimilmente ho posto male la domanda, o ho chiesto qualcosa di molto stupido...
Se mi dite cosa non va posso provare a riformulare la domanda, o se c'è da bacchettarmi per la stupidità va bene anche :lol:
Vorrei solo capire se l'impedenza caratteristica dell'antenna deve essere inclusa nel calcolo dell'impedenza della linea di trasmissione..

Aiuto :oops:
Anyone who has never made a mistake has never tried anything new
Two things are infinite: universe and human stupidity, and I'm not sure about the former
You did not really understand something unless you can explain it to your grandmother
A. Einstein
Avatar utente
Foto UtenteShockwaver
770 1 5 11
Expert
Expert
 
Messaggi: 859
Iscritto il: 3 mar 2010, 18:56

1
voti

[3] Re: Calcolo impedenza linea di trasmissione

Messaggioda Foto UtenteDrCox » 25 ott 2013, 19:10

L'antenna in generale può essere modellata nel seguente modo:





Pertanto, il circuito equivalente che devi considerare è:



Questa però non è l'impedenza della linea di trasmissione. E' l'impedenza che vedi all'ingresso del circuito, ossia la linea E l'antenna.
"The past is not really the past until it has been registered. Or put another way, the past has no meaning or existence unless it exists as a record in the present."
John Archibald Wheeler
Avatar utente
Foto UtenteDrCox
2.738 2 8 12
Master EY
Master EY
 
Messaggi: 744
Iscritto il: 8 giu 2010, 21:42

2
voti

[4] Re: Calcolo impedenza linea di trasmissione

Messaggioda Foto UtentePietroBaima » 25 ott 2013, 19:18

Io farei Z=\sqrt{\frac{L}{C}}

Ciao,
Pietro.
Generatore codice per articoli:
nomi
Sul forum:
[pigreco]=π
[ohm]=Ω
[quadrato]=²
[cubo]=³
Avatar utente
Foto UtentePietroBaima
90,7k 7 12 13
G.Master EY
G.Master EY
 
Messaggi: 12206
Iscritto il: 12 ago 2012, 1:20
Località: Londra

0
voti

[5] Re: Calcolo impedenza linea di trasmissione

Messaggioda Foto UtenteShockwaver » 25 ott 2013, 20:00

@Foto UtenteDrCox
Grazie per la risposta.
Ok se ho capito bene quindi, se volessi solo l'impedenza di ingresso del circuito senza l'antenna (è improprio chiamarla impedenza della linea di trasmissione considerandola priva di perdita e puramente reattiva?) il circuito da considerare sarebbe il secondo che ho postato?

Ovviamente il mio fine è fare una linea che faccia il match dei 50ohm dell'antenna...

@Foto UtentePietroBaima
Grazie anche a te per la risposta.
Fantasticamente semplice! Come arrivo a quella relazione?
Anyone who has never made a mistake has never tried anything new
Two things are infinite: universe and human stupidity, and I'm not sure about the former
You did not really understand something unless you can explain it to your grandmother
A. Einstein
Avatar utente
Foto UtenteShockwaver
770 1 5 11
Expert
Expert
 
Messaggi: 859
Iscritto il: 3 mar 2010, 18:56

1
voti

[6] Re: Calcolo impedenza linea di trasmissione

Messaggioda Foto UtenteDrCox » 25 ott 2013, 20:23

Quella che ti ha dato Foto UtentePietroBaima è proprio la definizione di impedenza caratteristica di una linea di trasmissione senza perdite.

L = l d è l'induttanza, essendo d la lunghezza della linea ed l l'induttanza p.u.l. (per unità di lunghezza)
"The past is not really the past until it has been registered. Or put another way, the past has no meaning or existence unless it exists as a record in the present."
John Archibald Wheeler
Avatar utente
Foto UtenteDrCox
2.738 2 8 12
Master EY
Master EY
 
Messaggi: 744
Iscritto il: 8 giu 2010, 21:42

0
voti

[7] Re: Calcolo impedenza linea di trasmissione

Messaggioda Foto UtenteShockwaver » 25 ott 2013, 20:33

Se considerassi l'induttanza della linea trascurabile nei confronti degli induttori che ci monto sopra, quella L sarebbe la somma dei due induttori? Anche qui non sto considerando, a quanto pare, l'impedenza dell'antenna.
Anyone who has never made a mistake has never tried anything new
Two things are infinite: universe and human stupidity, and I'm not sure about the former
You did not really understand something unless you can explain it to your grandmother
A. Einstein
Avatar utente
Foto UtenteShockwaver
770 1 5 11
Expert
Expert
 
Messaggi: 859
Iscritto il: 3 mar 2010, 18:56

2
voti

[8] Re: Calcolo impedenza linea di trasmissione

Messaggioda Foto UtentePietroBaima » 25 ott 2013, 20:53

Shockwaver ha scritto:@Foto UtentePietroBaima
Grazie anche a te per la risposta.
Fantasticamente semplice! Come arrivo a quella relazione?


Equazione delle onde.
Gli elettronici la chiamano spesso anche "equazione dei telegrafisti".
Ciao,
Pietro.
Generatore codice per articoli:
nomi
Sul forum:
[pigreco]=π
[ohm]=Ω
[quadrato]=²
[cubo]=³
Avatar utente
Foto UtentePietroBaima
90,7k 7 12 13
G.Master EY
G.Master EY
 
Messaggi: 12206
Iscritto il: 12 ago 2012, 1:20
Località: Londra

0
voti

[9] Re: Calcolo impedenza linea di trasmissione

Messaggioda Foto UtenteShockwaver » 25 ott 2013, 22:18

Istruendomi un po' cercando di colmare leggermente la mia ignoranza nl campo della propagazione delle onde di tensione e corrente nelle linee di trasmissione, mi sono reso conto che avrei da subito dovuto specificare che stavo parlando di tracce su un PCB lunghe solo 2-3cm e di componenti passivi che sto cercando di dimensionare per l'adattamento di impedenza all'antenna da 50ohm.
Detto questo, nell'esempio che ho riportato

sarebbe corretto in prima approsimazione calcolare Z=\sqrt{\frac{L_1+L_2}{C_1+C_2}} e dimensionare induttanze e capacitanze in modo che Z\approx Z_5 ?

O sono completamente fuori strada?
Anyone who has never made a mistake has never tried anything new
Two things are infinite: universe and human stupidity, and I'm not sure about the former
You did not really understand something unless you can explain it to your grandmother
A. Einstein
Avatar utente
Foto UtenteShockwaver
770 1 5 11
Expert
Expert
 
Messaggi: 859
Iscritto il: 3 mar 2010, 18:56

1
voti

[10] Re: Calcolo impedenza linea di trasmissione

Messaggioda Foto Utentekarl246 » 26 ott 2013, 0:56

Se vuoi ottenere l'adattamento a 50 Ohm devi calcolare l'impedenza in ingresso alla linea con il carico (ovvero l'antenna) attaccato.
Se conosci l'impedenza dell'antenna faresti molto prima a dimensionare i componenti con una Carta di Smith. :D

2-3cm

ma una curiosità.... a che frequenze lavorerà a linea? :-P
Avatar utente
Foto Utentekarl246
985 2 6 10
Frequentatore
Frequentatore
 
Messaggi: 138
Iscritto il: 10 ago 2010, 0:12

Prossimo

Torna a Telecomunicazioni

Chi c’è in linea

Visitano il forum: Nessuno e 8 ospiti