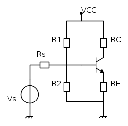
- Volglio costruire un amplificatore a due stadi, con amplificazione pari circa a 8 utilizzando transistor di tipo 2N2222A (npn).
Il costruttore indica che
è compreso tra 50 e 350Quindi per prima cosa progetto e monto il primo stadio (CE)
La scelta dei valori è dovuta agli strumenti che potrò utilizzare in laboratorio e alla trattazione studiata fino ad ora
Scelgo quindi
e decido di lavorare con una tensione di base
, da ciò consegue che che la tensione sull'emettitore è di 
Quindi decido di far lavora il transistor con una corrente di collettore di



La tensione di collettore sarà quindi


Piccola parentesi:
[Quindi posso amplificare segnali fino a 3/8=375mV o sbaglio? Cioè se gli do un segnale più alto di 375mV mi dovrò aspettare un segnale tagliato o distorto in uscita? Il transistor dipende dalla scelta dei componenti e del valore di tensione VCC, quindi si mantiene sempre nella regione attiva. L'unica conseguenza è che qualsiasi segnale gli darò in ingresso, troverò un limite in uscita che è proprio 3V, oltre il quale vedrò segnali amplificati distorti. Sbaglio?"]
Comunque, mi manca di scegliere i valori di resistenza del partitore di base
Ora, a quanto ho capito la corrente di partitore è opportuno che sia maggiore della corrente di base
Ciò è dovuto al fatto che, scegliendo una corrente molto maggiore non tengo conto della resistenza di base
, e di conseguenza la tensione di partitore è indipendente dal parametro
oppure ho scritto una cavolata?Comunque, presupponendo che le ipotesi siano giuste, nel peggiore dei casi avrò che

Ora, ho letto da qualche parte che è uso scegliere la corrente di partitore 10 volte maggiore della corrente di base?
Comunque scegliendo
non dovrei avere problemi. QuindiR_1+R_2=12 V/(200) \mu A= 60 k \Omega
(Piccola parentesi: Ho visto scrivere come unità di misura k anziche
. E' plausibile?)Inoltre si deve avere V_B=1.7 V e quindi

Quindi

Ok, fin qui ci sono?

Elettrotecnica e non solo (admin)
Un gatto tra gli elettroni (IsidoroKZ)
Esperienza e simulazioni (g.schgor)
Moleskine di un idraulico (RenzoDF)
Il Blog di ElectroYou (webmaster)
Idee microcontrollate (TardoFreak)
PICcoli grandi PICMicro (Paolino)
Il blog elettrico di carloc (carloc)
DirtEYblooog (dirtydeeds)
Di tutto... un po' (jordan20)
AK47 (lillo)
Esperienze elettroniche (marco438)
Telecomunicazioni musicali (clavicordo)
Automazione ed Elettronica (gustavo)
Direttive per la sicurezza (ErnestoCappelletti)
EYnfo dall'Alaska (mir)
Apriamo il quadro! (attilio)
H7-25 (asdf)
Passione Elettrica (massimob)
Elettroni a spasso (guidob)
Bloguerra (guerra)





dovute alla dispersione delle caratteristiche del singolo BJT (hai visto anche tu che il costruttore lo dichiara variabile da 50 a 350). La stabilità in temperatura (variazioni del
e della
causate dalla temperatura).
e da lì si ricava il partitore di base, mentre tu scegli subito la
, che è un modo di procedere errato.


di soli 3 V rispetto a un'alimentazione disponibile di 12 V, significa far lavorare (a riposo, retta di carico statica) il BJT pericolosamente vicino alla zona di saturazione, e questo non va bene se uno desidera amplificare segnali che abbiano swing di tensione positivo e negativo simmetrici, come ad esempio un segnale audio.
devono cadere circa 1,2 V, imponendo che
sia circa 6 V, ne deriva che la
per individuare completamente il punto di lavoro del BJT, ma voglio che prima tu abbia ben chiaro cosa ho esposto fin qui, assieme all'articolo di