ciao a tutti vorrei creare un modello di simulazione o un circuito semplificato che possa simulare questo amplificatore audio
http://www.nxp.com/documents/data_sheet/TDA7056B.pdf
la parte in cui sarei più interessato è lo stage di controllo del volume.
Qualcuno potrebbe aiutarmi?
Grazie
Modello simulazione amplificatore audio
Moderatori:
carloc,
g.schgor,
BrunoValente,
IsidoroKZ
8 messaggi
• Pagina 1 di 1
0
voti
Con che precisione vuoi simularlo? ti basta un modello che esca in differenziale, entri in single ended e abbia amplificazione proporzionale a una tensione, o ti serve anche la dinamica?
_______________________________________________________
Gli oscillatori non oscillano mai, gli amplificatori invece sempre
Io HO i poteri della supermucca, e ne vado fiero!
Gli oscillatori non oscillano mai, gli amplificatori invece sempre
Io HO i poteri della supermucca, e ne vado fiero!
0
voti
non saprei.. cosa intendi per dinamica?
Si comunque un circuito equivalente che esca in differenziale, entri in single ended e abbia amplificazione proporzionale a una tensione...
Si comunque un circuito equivalente che esca in differenziale, entri in single ended e abbia amplificazione proporzionale a una tensione...
0
voti
Con dinamica intendo il comportamento in freqenza....
ok, e che componenti puoi usare? con che simulatore? hai per esempio degli operazionali? tutto a transistor?
ok, e che componenti puoi usare? con che simulatore? hai per esempio degli operazionali? tutto a transistor?
_______________________________________________________
Gli oscillatori non oscillano mai, gli amplificatori invece sempre
Io HO i poteri della supermucca, e ne vado fiero!
Gli oscillatori non oscillano mai, gli amplificatori invece sempre
Io HO i poteri della supermucca, e ne vado fiero!
0
voti
io intendevo simulazione software... il componente penso di averlo... quindi posso usare quello che voglio.
Un'altra cosa: per il controllo del volume si può usare un potenziometro oppure un micro che generi un PWM e tramite rc farne il valor medio...
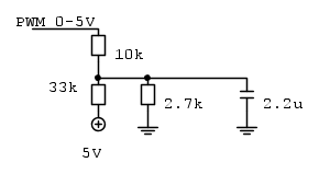
Ecco il circuito connesso al pin di controllo del volume
secondo te quale frequenza viene generata per il controllo del volume?
Per abbassare o alzare viene cambiato il duty-cycle?
La tensione per il controllo del volume può andare da 0.5V a 1.5V
Un'altra cosa: per il controllo del volume si può usare un potenziometro oppure un micro che generi un PWM e tramite rc farne il valor medio...
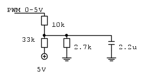
Ecco il circuito connesso al pin di controllo del volume
secondo te quale frequenza viene generata per il controllo del volume?
Per abbassare o alzare viene cambiato il duty-cycle?
La tensione per il controllo del volume può andare da 0.5V a 1.5V
0
voti
sì certo simulazione software...ma per ottenere un blocco che in simulazione funzioni come quello, devi usare altri blocchi più elementari. Ti chiedevo quale di questi blocchi elementari puoi usare...hai il modello di un operazionale che vada bene?
per quanto riguarda il guadagno, scusami ora sono impegnato vediamo se al volo ti risponde qualcun altro altrimenti provo a darci un'occhiata stasera dopo cena.
per quanto riguarda il guadagno, scusami ora sono impegnato vediamo se al volo ti risponde qualcun altro altrimenti provo a darci un'occhiata stasera dopo cena.
_______________________________________________________
Gli oscillatori non oscillano mai, gli amplificatori invece sempre
Io HO i poteri della supermucca, e ne vado fiero!
Gli oscillatori non oscillano mai, gli amplificatori invece sempre
Io HO i poteri della supermucca, e ne vado fiero!
0
voti
Ho letto sul datasheet che il guadagno aumenta in maniera logaritmica rispetto alla tensione di controllo del volume applicata.
Potrei quindi definire una funzione che moltiplichi il segnale in ingresso per il guadagno al variare di Vdc... il problema è che non so come definire questa funzione
Cosa mi consigli?
Potrei quindi definire una funzione che moltiplichi il segnale in ingresso per il guadagno al variare di Vdc... il problema è che non so come definire questa funzione
Cosa mi consigli?
8 messaggi
• Pagina 1 di 1
Chi c’è in linea
Visitano il forum: Nessuno e 45 ospiti

Elettrotecnica e non solo (admin)
Un gatto tra gli elettroni (IsidoroKZ)
Esperienza e simulazioni (g.schgor)
Moleskine di un idraulico (RenzoDF)
Il Blog di ElectroYou (webmaster)
Idee microcontrollate (TardoFreak)
PICcoli grandi PICMicro (Paolino)
Il blog elettrico di carloc (carloc)
DirtEYblooog (dirtydeeds)
Di tutto... un po' (jordan20)
AK47 (lillo)
Esperienze elettroniche (marco438)
Telecomunicazioni musicali (clavicordo)
Automazione ed Elettronica (gustavo)
Direttive per la sicurezza (ErnestoCappelletti)
EYnfo dall'Alaska (mir)
Apriamo il quadro! (attilio)
H7-25 (asdf)
Passione Elettrica (massimob)
Elettroni a spasso (guidob)
Bloguerra (guerra)



