Ciao, sono anni che smanetto con resisteze, LED e console...ma una vera e propria teoria sull'elettronica non la ho. Avrei bisogno di uno schemino, un qualcosa che mi apra un interruttore appena mi arriva corrente. Vi posto uno schizzo dello schema:
In pratica, I deve venire aperto qualche istante dopo che Q riceve corrente. Il tempo tra dare corrente e Q e aprire I basta sia quel mezzo secondo....in base alle mie conoscenze, non sono in grado di autocostruirmelo. Come posso fare? ? A disposizione ho 3V o 5V.
Comando temporizzato per un interruttore
Moderatori:
carloc,
g.schgor,
BrunoValente,
IsidoroKZ
6 messaggi
• Pagina 1 di 1
0
voti
emaborsa ha scritto: Avrei bisogno di uno schemino, un qualcosa che mi apra un interruttore appena mi arriva corrente.
Forse puoi risolvere con un semplice rele'; quando arriva la tensione alla bobina ( a sinistra) si aprono (o chiudono) i contatti a destra.
P.S. Sul forum, gli schemi si disegnano e postano usando FidoCadJ; leggi le istruzioni nella fascia rosa sopra i messaggi.
marco
0
voti
marco438 ha scritto:Forse puoi risolvere con un semplice rele'; quanto arriva la tensione alla bobina ( a sinistra) si aprono (o chiudono) i contatti a destra.
Grazie, ci avevo gia pensato. Un relais so come funziona. Il punto è che mi serve un ritardo nell'apertura del contatto di circa mezzo secondo.
marco438 ha scritto:...leggi le istruzioni nella fascia rosa sopra i messaggi.
Dove scusa?
EDIT: Ah il regolamento....scusate, sistemo subito.
0
voti
Esistono anche rele' con ritardo all'eccitazione; in via alternativa puo farti un temporizzatore con un NE555 scegliendo i valori di ritardo che ti sono necessari.
Suppongo che questa sia una parte del progetto complessivo; forse conoscendo anche il resto ti si puo' aiutare meglio.
Suppongo che questa sia una parte del progetto complessivo; forse conoscendo anche il resto ti si puo' aiutare meglio.
marco
0
voti
marco438 ha scritto:forse conoscendo anche il resto ti si puo' aiutare meglio.
Dimmi tu cosa ti serve sapere :/
Il PC è collegato con altri apparecchi. Questi ricevono corrente tramite interruttore, il quel viene attivato manualmente. Il mio problema è che il PC non parte da solo, ha bisogno di un ulteriore impulso. Quindi ho due soluzioni.
1. dopo l'accensione generale, ho bisogno di un impulso al tasto power del PC.
2 quando al tutto non arriva corrente (tutto spento) tengo il power del PC chiuso; una volta acceso il tutto il PC parte per via del power premuto, ma dovrei aprirlo poco dopo.
0
voti
Io ti consiglierei di misurare con un tester la tensione ai morsetti del pulsante di accensione (prima di accendere il PC).
Poi, col tester configurato come amperometro, misura la corrente che scorre tra i morsetti del pulsante (questa misura, facendo scorrere corrente, provocherà l'accensione del PC).
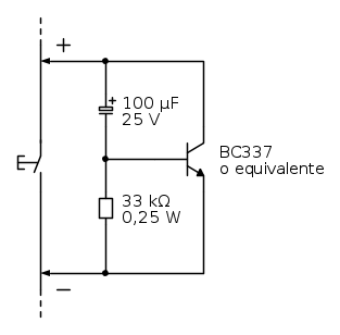
Se i dati che rilevi non sono troppo elevati (esempio: tensione minore di 20 V, corrente minore di 10 mA) io ti consiglierei di collegare ai morsetti del pulsante un circuito di questo genere, rispettando le polarità indicate:
Questo circuito, appena alimentato, simula una chiusura dell'interruttore (a meno della Vbe del transistor), poi man mano che il tempo passa aumenta la sua impedenza fino a simulare, dopo qualche secondo, un circuito aperto.
Se mi dai i dati di tensione e corrente che leggi posso calcolare meglio i valori dei componenti.
Facci sapere.
Poi, col tester configurato come amperometro, misura la corrente che scorre tra i morsetti del pulsante (questa misura, facendo scorrere corrente, provocherà l'accensione del PC).
Se i dati che rilevi non sono troppo elevati (esempio: tensione minore di 20 V, corrente minore di 10 mA) io ti consiglierei di collegare ai morsetti del pulsante un circuito di questo genere, rispettando le polarità indicate:
Questo circuito, appena alimentato, simula una chiusura dell'interruttore (a meno della Vbe del transistor), poi man mano che il tempo passa aumenta la sua impedenza fino a simulare, dopo qualche secondo, un circuito aperto.
Se mi dai i dati di tensione e corrente che leggi posso calcolare meglio i valori dei componenti.
Facci sapere.
Big fan of ⋮ƎlectroYou! Ausili per disabili e anziani su ⋮ƎlectroYou
Caratteri utili: À È É Ì Ò Ó Ù α β γ δ ε η θ λ μ π ρ σ τ φ ω Ω º ª ² ³ √ ∛ ∜ ₀ ₁ ₂ ₃ ₄ ₅ ₆ ∃ ∄ ∆ ∈ ∉ ± ∓ ∾ ≃ ≈ ≠ ≤ ≥
Caratteri utili: À È É Ì Ò Ó Ù α β γ δ ε η θ λ μ π ρ σ τ φ ω Ω º ª ² ³ √ ∛ ∜ ₀ ₁ ₂ ₃ ₄ ₅ ₆ ∃ ∄ ∆ ∈ ∉ ± ∓ ∾ ≃ ≈ ≠ ≤ ≥
6 messaggi
• Pagina 1 di 1
Chi c’è in linea
Visitano il forum: Nessuno e 222 ospiti

Elettrotecnica e non solo (admin)
Un gatto tra gli elettroni (IsidoroKZ)
Esperienza e simulazioni (g.schgor)
Moleskine di un idraulico (RenzoDF)
Il Blog di ElectroYou (webmaster)
Idee microcontrollate (TardoFreak)
PICcoli grandi PICMicro (Paolino)
Il blog elettrico di carloc (carloc)
DirtEYblooog (dirtydeeds)
Di tutto... un po' (jordan20)
AK47 (lillo)
Esperienze elettroniche (marco438)
Telecomunicazioni musicali (clavicordo)
Automazione ed Elettronica (gustavo)
Direttive per la sicurezza (ErnestoCappelletti)
EYnfo dall'Alaska (mir)
Apriamo il quadro! (attilio)
H7-25 (asdf)
Passione Elettrica (massimob)
Elettroni a spasso (guidob)
Bloguerra (guerra)




