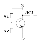
E' errata giusto? Mi riferisco al caso b, e in particolare al calcolo di

Moderatori:
carloc,
g.schgor,
BrunoValente,
IsidoroKZ
quindi:
con Emettitore a GND è
.simo85 ha scritto:Sbaglia a dire che la tensione sulla base sono 2.8V.
in assenza di T1. Sta, insomma, rappresentando il partitore costituito da
e
con un equivalente Thévenin.
instead of
(Anonimo).
ain't
, right?
in lieu of
.
for
arithm.

nyky93 ha scritto:E' errata giusto? Mi riferisco al caso b, e in particolare al calcolo di
e
), direi che è corretta: perché dici che è errata?
instead of
(Anonimo).
ain't
, right?
in lieu of
.
for
arithm.

ed 
In compenso, sarebbe il caso che ripassasse i simboli delle unità di misura
Visitano il forum: Nessuno e 209 ospiti