Cos'è ElectroYou | Login Iscriviti

ElectroYou - la comunità dei professionisti del mondo elettrico

Dubbio trifase

Circuiti, campi elettromagnetici e teoria delle linee di trasmissione e distribuzione dell’energia elettrica

Moderatori: Foto Utenteg.schgor, Foto UtenteIsidoroKZ

0
voti

[1] Dubbio trifase

Messaggioda Foto Utenteedomar » 2 nov 2013, 12:40

Salve a tutti ragazzi, per la rubrica "il mio dubbio del weekend#-o #-o #-o " posto un bel trifase... Quando pensavo di aver fatto abbastanza esercizi e di aver capito per grandi linee i metodi di risoluzione, mi sono imbattuto in questo esercizio, e non sono proprio capace di risolverlo! Chiedo quindi aiuto a voi (e in particolare al grande Foto UtenteRenzoDF che mi è stato di enorme aiuto in queste settimane!).

Testo dell'esercizio:
Schermata 11-2456599 alle 11.08.55.png
Schermata 11-2456599 alle 11.08.55.png (148.43 KiB) Osservato 6221 volte

Premetto che questa volta non posto la mia intera risoluzione, semplicemente perché non sono in grado di finire l'esercizio #-o
Applico il teorema di sovrapposizione degli effetti.
Spengo il generatore di corrente e trasformo a stella i generatori di tensione ottenendo il circuito:

A questo punto applicherei il teorema di Thevenin ai capi del resistore \[R_2\].
Calcolo l'impedenza equivalente e considero il circuito:

Ed iniziano i primi dubbi... Come si calcola questa resistenza equivalente? Ho pensato di risolvere il parallelo tra la terna di resistori a sinistra e quella in basso:

E poi calcolare la resistenza equivalente mediante la formula:
\[((R_0//R_1)+Z)//((R_0//R_1)+Z)//((R_0//R_1)+Z)\]
è corretto?
Calcolo la tensione a vuoto.
E qui iniziano i grossi dubbi....
Se stacco il resistore R2 i due nodi B e C non diventano equipotenziali? La tensione non è quindi nulla? :shock:
Scusate, forse il post risulta un po' confusionario, ma sono davvero entrato nel pallone! Al di là dell'esercizio in sè mi piacerebbe capire come vanno studiati trifase come questo:

in cui, cioè, ci sono elementi tra due centri stella!
Ciao a tutti O_/
Avatar utente
Foto Utenteedomar
50 1 5
Frequentatore
Frequentatore
 
Messaggi: 140
Iscritto il: 9 lug 2013, 17:12

0
voti

[2] Re: Dubbio trifase

Messaggioda Foto UtenteRenzoDF » 2 nov 2013, 15:44

Quando spegni il GIC non serve fare Thevenin in quanto la ddp fra i due centri stella a vuoto sarà nulla e cosi' pure il contribito per la corrente I cercata in R2.
L'unico contributo sarà dato dal GIC.
"Il circuito ha sempre ragione" (Luigi Malesani)
Avatar utente
Foto UtenteRenzoDF
55,9k 8 12 13
G.Master EY
G.Master EY
 
Messaggi: 13189
Iscritto il: 4 ott 2008, 9:55

0
voti

[3] Re: Dubbio trifase

Messaggioda Foto Utenteedomar » 2 nov 2013, 15:46

Ecco, è come pensavo... Ha senso quindi calcolare la corrente su un elemento posto tra i due centri stella dei carichi solo nel caso di carichi squilibrati! Il problema si riduce quindi allo studio di una rete resistiva ottenuta spegnendo i tre generatori di tensione, è corretto?
Avatar utente
Foto Utenteedomar
50 1 5
Frequentatore
Frequentatore
 
Messaggi: 140
Iscritto il: 9 lug 2013, 17:12

1
voti

[4] Re: Dubbio trifase

Messaggioda Foto UtenteRenzoDF » 2 nov 2013, 15:47

:ok:
"Il circuito ha sempre ragione" (Luigi Malesani)
Avatar utente
Foto UtenteRenzoDF
55,9k 8 12 13
G.Master EY
G.Master EY
 
Messaggi: 13189
Iscritto il: 4 ott 2008, 9:55

0
voti

[5] Re: Dubbio trifase

Messaggioda Foto UtenteRenzoDF » 2 nov 2013, 16:13

Attenzione, vedo solo ora che l'impedenza equivalente da te calcolata è errata. ;-)
"Il circuito ha sempre ragione" (Luigi Malesani)
Avatar utente
Foto UtenteRenzoDF
55,9k 8 12 13
G.Master EY
G.Master EY
 
Messaggi: 13189
Iscritto il: 4 ott 2008, 9:55

0
voti

[6] Re: Dubbio trifase

Messaggioda Foto Utenteedomar » 2 nov 2013, 16:31

In un caso come quello come si dovrebbe calcolare?
Avatar utente
Foto Utenteedomar
50 1 5
Frequentatore
Frequentatore
 
Messaggi: 140
Iscritto il: 9 lug 2013, 17:12

1
voti

[7] Re: Dubbio trifase

Messaggioda Foto UtenteRenzoDF » 2 nov 2013, 16:39

edomar ha scritto:In un caso come quello come si dovrebbe calcolare?

Supponendo di scollegare la stella delle R0, ed alimentando fra B e C, per la simmetria del problema, i punti di collegamento fra le R1 e la Z andrebbero a portarsi allo stesso potenziale, di conseguenza l'impedenza equivalente non verrà a modificarsi ad un successivo collegamento delle tre R0; ne segue che

{{Z}_{Th}}=\frac{{{R}_{1}}+Z}{3}

discorso analogo per la VTh. ;-)
"Il circuito ha sempre ragione" (Luigi Malesani)
Avatar utente
Foto UtenteRenzoDF
55,9k 8 12 13
G.Master EY
G.Master EY
 
Messaggi: 13189
Iscritto il: 4 ott 2008, 9:55

0
voti

[8] Re: Dubbio trifase

Messaggioda Foto Utenteedomar » 2 nov 2013, 17:29

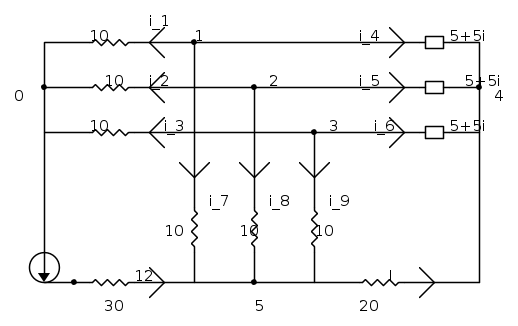
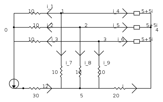
Renzo ho provato a risolvere il circuito ottenuto spegnendo i generatori di tensione... Il circuito in questione è il seguente:

Si applichi il metodo dei potenziali di nodo scegliendo come nodo di riferimento il nodo 0.
Ci si accorge subito che i potenziali \[e_1, e_2, e_3\] sono uguali tra loro (io l'ho visto a occhio ma scrivendo le LKC ai tre nodi ce ne accorgiamo banalmente...); a questo punto è sufficiente scrivere le equazioni ai nodi 4 5 e 1 e porle a sistema...
\[5) 3i_7+12-I=0, 4)3i_4+I=0, 1)i_1+i_4+i_7=0\]
Esprimendo le correnti in funzione dei potenziali di nodo si trova:
\[3(e_1-e_5)/10+12-(e_5-e_4)/20=0, 3(e_1-e_4)/(5+5i)+(e_5-e_4)/20=0, e_1/10+(e_1-e_4)/(5+5i)+(e_1-e_5)/10=0\]
che ha per soluzione:
\[e_1=40, e_4=42.83+i2.48, e_5=74.69+i0.35\]
e ovviamente calcolando la I non viene #-o ho sbagliato qualcosa dal punto di vista concettuale?
Avatar utente
Foto Utenteedomar
50 1 5
Frequentatore
Frequentatore
 
Messaggi: 140
Iscritto il: 9 lug 2013, 17:12

1
voti

[9] Re: Dubbio trifase

Messaggioda Foto UtenteRenzoDF » 2 nov 2013, 18:00

Visto che eravamo partiti con Thevenin potevamo anche concludere con detto metodo; per il calcolo della tensione a vuoto VBC, basta osservare che la corrente impressa, anche in questo caso si sarebbe suddivisa in tre parti uguali nei tre rami R0 . R1 e che le tre Z non influenzano il sistema essendo i punti 1,2 e 3 equipotenziali,



ne segue che

{{V}_{Th}}={{V}_{BC0}}=-\frac{{{I}_{g}}}{3}{{R}_{1}}=40+j0

Ad ogni modo, per quanto riguarda i tuoi calcoli, che non ho controllato, occhio al valore della Z. ;-)
"Il circuito ha sempre ragione" (Luigi Malesani)
Avatar utente
Foto UtenteRenzoDF
55,9k 8 12 13
G.Master EY
G.Master EY
 
Messaggi: 13189
Iscritto il: 4 ott 2008, 9:55

0
voti

[10] Re: Dubbio trifase

Messaggioda Foto Utenteedomar » 2 nov 2013, 18:03

Chiarissimo come sempre Renzo... Se mai darò sta materia sarà anche grazie a te :mrgreen:
Avatar utente
Foto Utenteedomar
50 1 5
Frequentatore
Frequentatore
 
Messaggi: 140
Iscritto il: 9 lug 2013, 17:12

Prossimo

Torna a Elettrotecnica generale

Chi c’è in linea

Visitano il forum: Nessuno e 15 ospiti