Allora visto che sei tornata sull'argomento e, per i non udenti, ripetiamoci su quanto gia' detto:
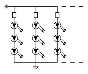
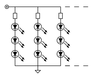
I led non si alimentano in tensione ma in corrente; per fare cio' occorre aggiungere ad ogni serie di led una resistenza dimensionata a seconda della tensione disponibile.
Per conseguenza se disponi di 12V (non hai specificato quanti ampere) non puoi mettere 4 led che hanno una caduta di tensione di 3V perche' facendo 4x3 si ottiene 12 e quindi manca lo spazio per interporre una resistenza di limitazione.
Non ho ben capito se vuoi ridurre la luminosita' che hai ottenuto con i tuoi insani esperimenti o se vuoi poterla regolare a piacere.
Nel primo caso, basterebbe fare serie di tre led ed interporre una resistenza calcolata sperimentalmente fino ad ottenere l'effetto desiderato; nel secondo caso, ferme restando le resistenze di limitazione e le serie di tre led, occorre un circuito apposito (regolatore PWM di cui ti e' gia' stato fornito lo schema) che sara' in grado, attraverso la rotazione del potenziometro, di alzare o abbassare la luminosita' a piacere.
Spero di essere stato abbastanza chiaro; altrimenti chiedi ancora.
